EasyManua.ls Logo

Kollmorgen S7240

Default Icon
166 pages
To Next Page IconTo Next Page
To Next Page IconTo Next Page
To Previous Page IconTo Previous Page
To Previous Page IconTo Previous Page
Loading...
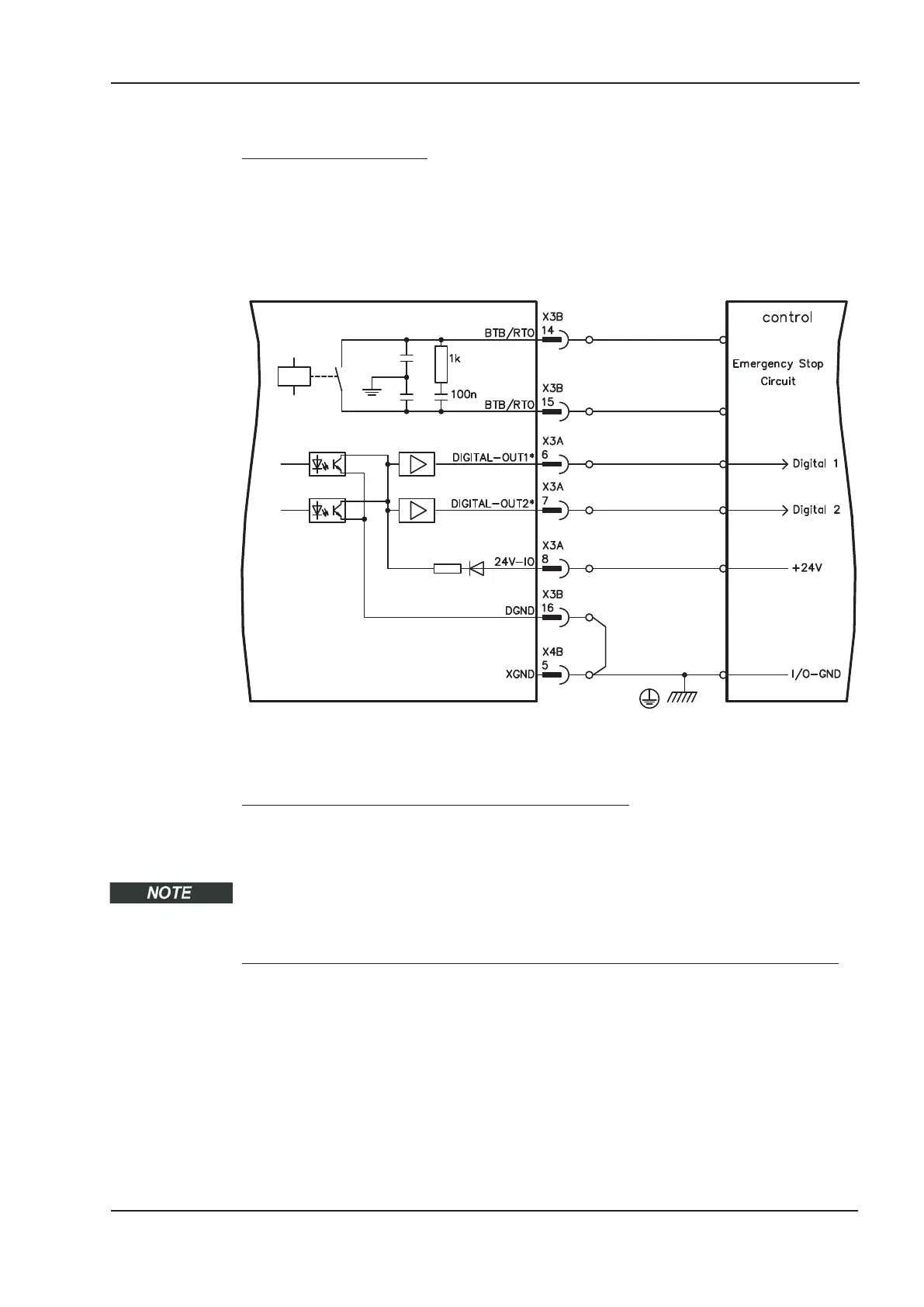
7.15.3 Digital Outputs (X3A, X3B)
Technical characteristics
Power supply at terminals X3A/8 (24V-IO) and X3B/16 (DGND)
All digital outputs are floating
24V-IO : 20V DC 30V DC
DIGITAL-OUT1 / 2 : PLC compatible (IEC 61131-2 type 1), max. 100mA
BTB/RTO : Relay output, max. 30V DC or 42V AC, 0.5A
Update rate : 250 µs
* DIGITAL-OUT 1 and 2 must be defined as outputs using the setup software (“Digital I/O” screen
page).
Ready-to-operate contact BTB/RTO (X3B/14, X3B/15)
Operational readiness (terminals X3B/14 and X3B/15 ) is signaled by a floating relay
contact. The contact is closed when the servo amplifier is ready for operation, and the
signal is not influenced by the enable signal, the I²t-limit, or the brake threshold.
All faults cause the BTB/RTO contact to open and the output stage to be switched off (if
the BTB/RTO contact is open, the output stage is inhibited -> no power output). Error
messages are listed on page 122.
Programmable digital outputs DIGITAL-OUT 1 and DIGITAL-OUT 2 (X3A/6,X3A/7):
Pins 6 and 7 on X3A can be used as either inputs or outputs. Choose the function you
require in the setup software (OxMODE). The outputs are floating outputs, so the 24 V
switching voltage must be provided by an external supply.
If they are programmed as digital outputs, messages from pre-programmed functions sto-
red in the servo amplifier can be output here.
A list of these pre-programmed functions can be found on the “I/O digital” screen page of
our setup software DRIVEGUI.EXE.
If an output is to be freshly assigned to a pre-programmed function, then the parameter
set must be saved in the EEPROM of the servo amplifier and a reset has to be carried out
(with the amplifier setup software for example).
S701x2-S724x2 Instructions Manual 101
Kollmorgen 07/2014 Electrical installation
S700

Table of Contents

Related product manuals