EasyManua.ls Logo

Kollmorgen S7240

Default Icon
166 pages
To Next Page IconTo Next Page
To Next Page IconTo Next Page
To Previous Page IconTo Previous Page
To Previous Page IconTo Previous Page
Loading...
7.13.2 Connection to stepper motor controllers (step and direction)
You can connect the servo amplifier to a third-party stepper-motor controller.
Parameter setting for the slave amplifier is carried out with the aid of the setup software
(electronic gearing). The number of steps can be adjusted, so that the servo amplifier can
be adapted to match the step-direction signals of any stepper controller. Various monito
-
ring signals can be generated.
Using an A quad B encoder provides better EMC noise immunity.
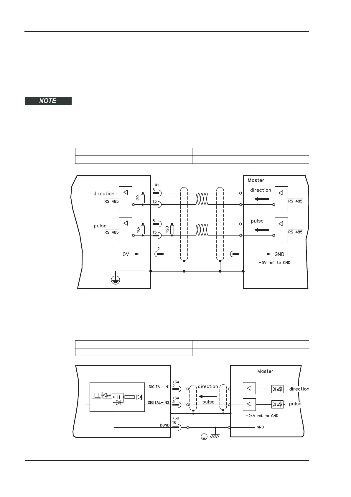
7.13.2.1 Step / Direction with 5 V signal level (X1)
Wiring of the servo amplifier (SubD connector X1) to a stepper-motor controller with a 5V
signal level. Frequency limit: 1.5 MHz
Control GEARMODE
Step/direction 5V 27
7.13.2.2 Step / Direction with 24 V signal level (X3)
Wiring of the servo amplifier to a stepper-motor controller with a 24 V signal level. Used
are the digital inputs DIGITAL-IN 1 and 2 on connector X3.
Frequency limit: 100 kHz,
Control GEARMODE
Step/direction 24V 1
94 S701x2-S724x2 Instructions Manual
Electrical installation 07/2014 Kollmorgen
S700
S700

Table of Contents

Related product manuals