EasyManua.ls Logo

Kollmorgen S7240

Default Icon
166 pages
To Next Page IconTo Next Page
To Next Page IconTo Next Page
To Previous Page IconTo Previous Page
To Previous Page IconTo Previous Page
Loading...
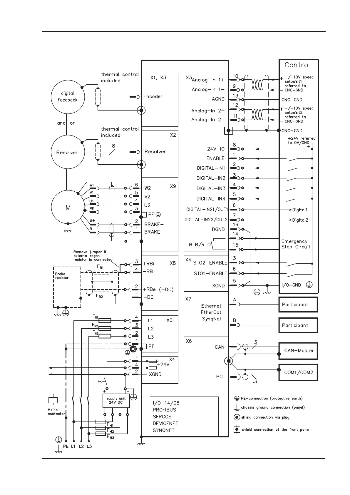
7.7 Connection diagram (Overview)
S701x2-S724x2 Instructions Manual 65
Kollmorgen 07/2014 Electrical installation
ð p.129
ð p.130
ð p.132
ð p.136
ð p.102
ð
ð p.68
ð p.68
ð p.72
ð p.74
ð p.78ff
ð p.77
ð p.98
ð p.99
ð p.104
S700
Reference Safety Instructions (ð p.10)
and Use As Directed (ð p.12) !
ð p.126
ð p.99
ð p.41

Table of Contents

Related product manuals