EasyManua.ls Logo

Kollmorgen S7240

Default Icon
166 pages
To Next Page IconTo Next Page
To Next Page IconTo Next Page
To Previous Page IconTo Previous Page
To Previous Page IconTo Previous Page
Loading...
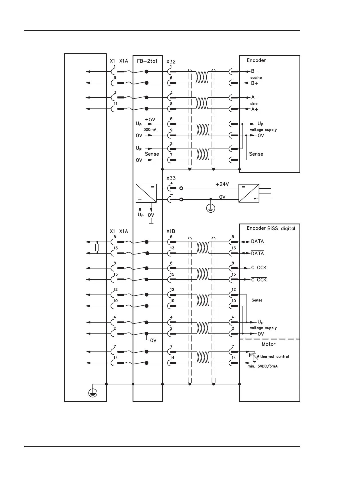
9.1.7.2 Wiring example with BiSS digital (primary) and SinCos (secondary)
138 S701x2-S724x2 Instructions Manual
Expansions 07/2014 Kollmorgen
S700

Table of Contents

Related product manuals