EasyManua.ls Logo

Lenze EPM-T110 - Page 259

Lenze EPM-T110
305 pages
To Next Page IconTo Next Page
To Next Page IconTo Next Page
To Previous Page IconTo Previous Page
To Previous Page IconTo Previous Page
Loading...
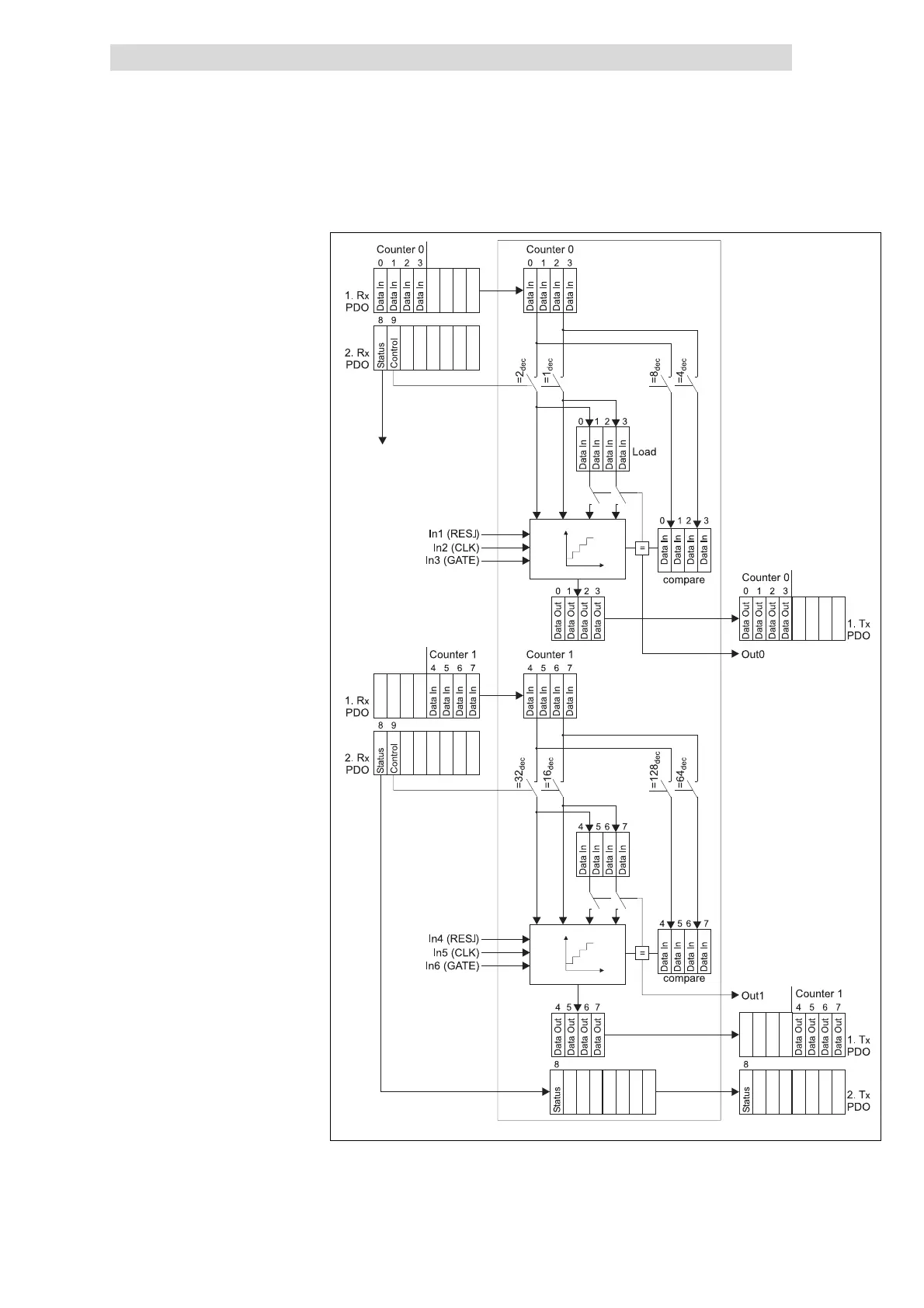
Parameterising 2/4xcounter module
2 × 32 bit counter with GATE, RES edge-triggered and auto reload (mode 33 and 34)
12
Parameter setting
12.4
12.4.17
l
12.4-49
EDSPM-TXXX-3.0-04/2004
epm-t158
Fig. 12.4-66 Counter access of the 2/4xcounter in the modes 33 and 34
Counter access
Show/Hide Bookmarks

Table of Contents

Related product manuals