EasyManua.ls Logo

MacDon D60 - D60 Double-Reel Header

MacDon D60
298 pages
Print Icon
To Next Page IconTo Next Page
To Next Page IconTo Next Page
To Previous Page IconTo Previous Page
To Previous Page IconTo Previous Page
Loading...
169441 137 Revision D
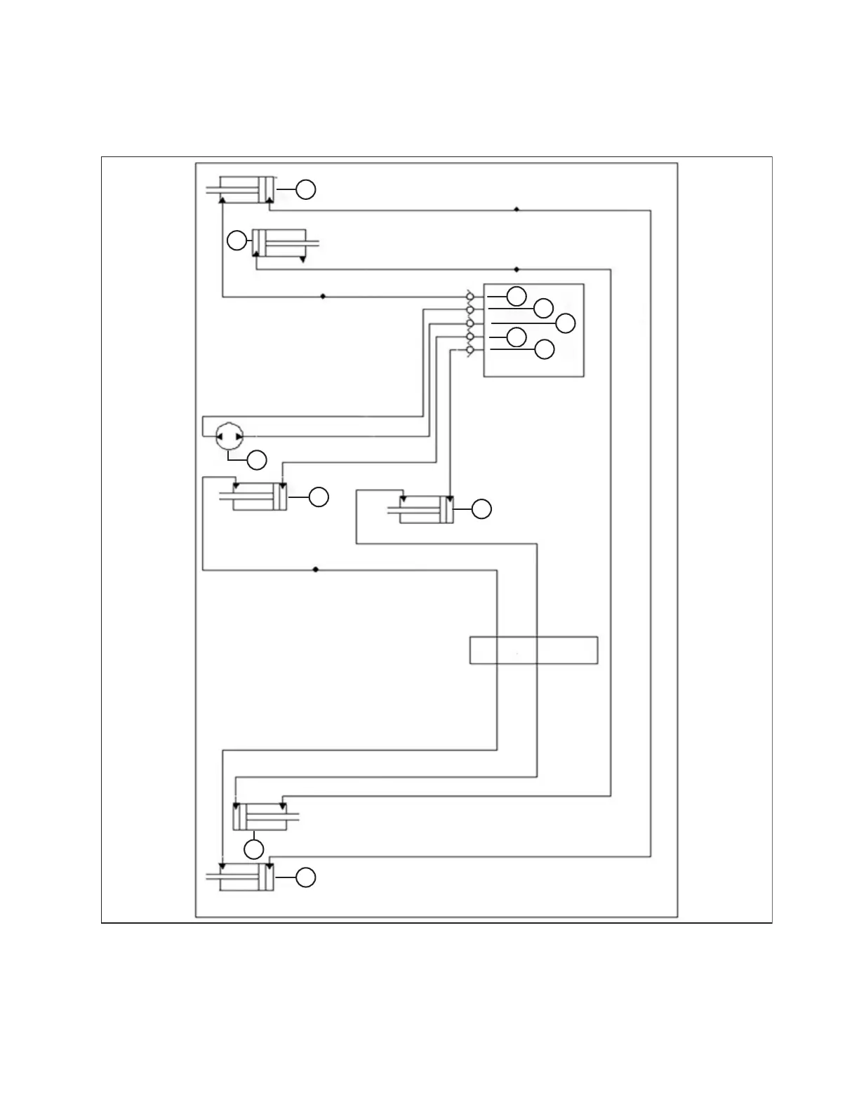
4.5.3 D60 Double-Reel Header
This schematic can be used to troubleshoot hydraulic problems on your D60 double-reel header.
ϭϬϰϬϮϮϵ
A
B
C
D
E
F
G
H
J
K
L
M
Figure 4.40: Hydraulic Schematic for a D60 Double-Reel Header
A - Right Fore-Aft Cylinder B - Right Lift Cylinder C - Reel Motor
D - Center Fore-Aft Cylinder E - Center Lift Cylinder F - Left Lift Cylinder
G - Left Fore-Aft Cylinder H - Fore Coupler J - Return Coupler
K - Pressure Coupler L - Aft Coupler M - Lift Coupler
MAINTENANCE AND SERVICING

Table of Contents

Other manuals for MacDon D60

Related product manuals