EasyManua.ls Logo

Maggi STEFF 2034 - Capítulo 5 - Esquema Eléctrico; Motor Monofásico

Default Icon
Print Icon
To Next Page IconTo Next Page
To Next Page IconTo Next Page
To Previous Page IconTo Previous Page
To Previous Page IconTo Previous Page
Loading...
PT
PT
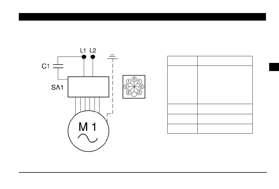
5-1 MOTOR MONOFÁSICO
CAPÍTULO 5 - ESQUEMA ELÉCTRICO
Componente Descrição e funcão
SA1
(1) (2)
(0)
(1) (2)
Comutador de velocidade
Arranque
Paragem
Reverse
L1, L2 Ligne
C1 Condensador
M1 Motor monofásico
155

Table of Contents

Related product manuals