EasyManua.ls Logo

Maggi STEFF 2034 - Jednofázový Motor; Kapitola 5 -Elektrické Schéma

Default Icon
Print Icon
To Next Page IconTo Next Page
To Next Page IconTo Next Page
To Previous Page IconTo Previous Page
To Previous Page IconTo Previous Page
Loading...
CS
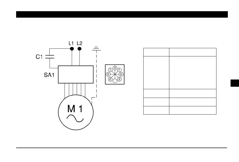
5-1 JEDNOFÁZOVÝ MOTOR
KAPITOLA 5 - ELEKTRICKÉ SCHÉMA
součást popis a funkce
SA1
(1) (2)
(0)
(1) (2)
volič rychlosti
uvede do chodu (START)
zastavení chodu (STOP)
obraceč
L1, L2 napájecí vedení
C1 kondenzátor
M1 jednofázový motor
233

Table of Contents

Related product manuals