EasyManua.ls Logo

Maggi STEFF 2034 - Enfas Motor; Kapitel 5 - Elschema

Default Icon
Print Icon
To Next Page IconTo Next Page
To Next Page IconTo Next Page
To Previous Page IconTo Previous Page
To Previous Page IconTo Previous Page
Loading...
PT
SV
5-1 ENFAS MOTOR
KAPITEL 5 - ELSCHEMA
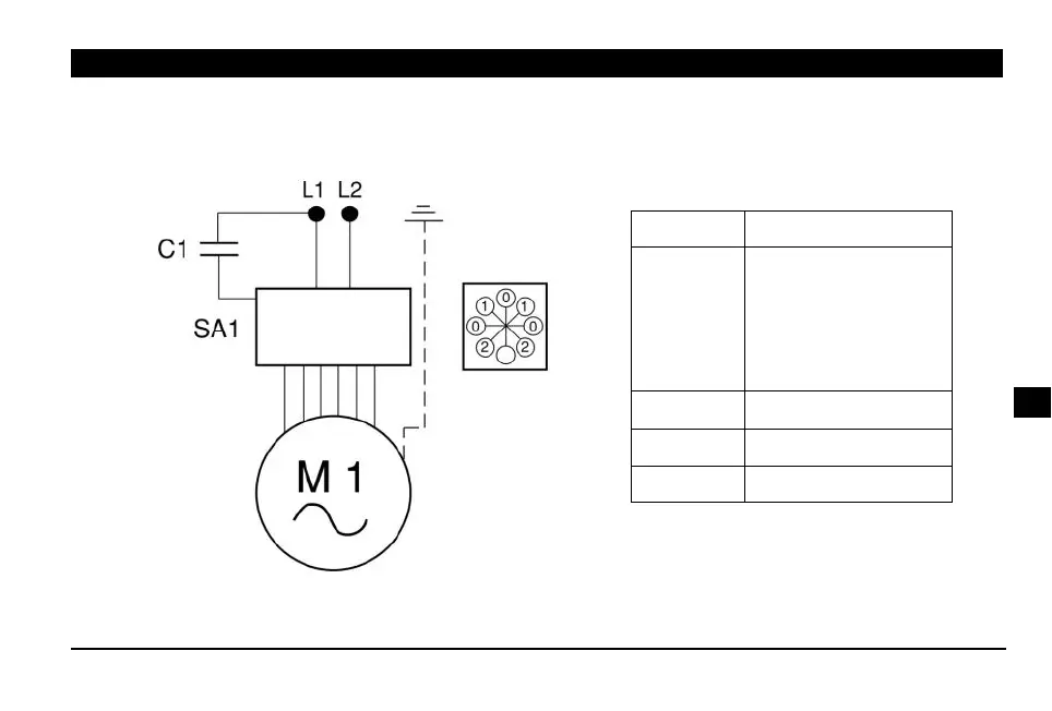
Komponent Beskrivning och funktion
SA1
(1) (2)
(0)
(1) (2)
Hastighetsomkopplare
Start
Stopp
Reverse
L1, L2 Linje
C1 Kondensator
M1 Enfas motor
259

Table of Contents

Related product manuals