EasyManua.ls Logo

Maggi STEFF 2034 - Page 52

Default Icon
Print Icon
To Next Page IconTo Next Page
To Next Page IconTo Next Page
To Previous Page IconTo Previous Page
To Previous Page IconTo Previous Page
Loading...
EN
51
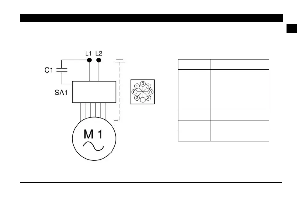
5-1 SINGLE-PHASE MOTOR
CHAPTER 5 - ELECTRICAL DIAGRAM
Component Description and function
SA1
(1) (2)
(0)
(1) (2)
Speed selector
Start
Stop
Reverser
L1, L2 Line
C1 Capacitor
M1 Single-phase motor

Table of Contents

Related product manuals