EasyManua.ls Logo

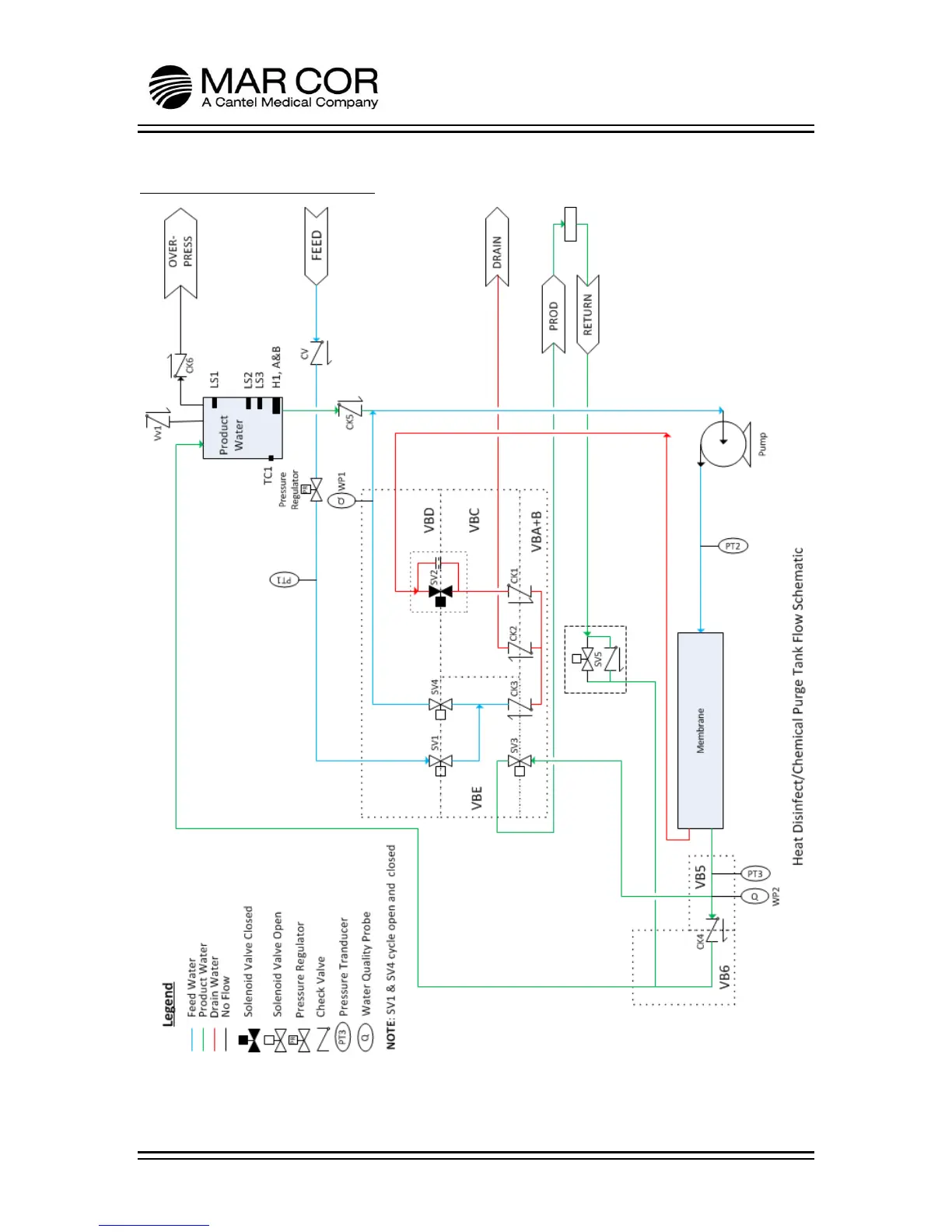
Mar Cor Purification MILLENIUM HX - Heat;Chemical Purge Flow Schematic

Mar Cor Purification MILLENIUM HX
158 pages
Print Icon
To Next Page IconTo Next Page
To Next Page IconTo Next Page
To Previous Page IconTo Previous Page
To Previous Page IconTo Previous Page
Loading...
Millenium HX RO System
3030226 Rev. D 7-15 Drawings
7.2.3 Heat/Chemical Purge

Table of Contents

Related product manuals