EasyManua.ls Logo

Marvelmind Super-MP-3D - Page 39

Default Icon
263 pages
Print Icon
To Next Page IconTo Next Page
To Next Page IconTo Next Page
To Previous Page IconTo Previous Page
To Previous Page IconTo Previous Page
Loading...
39
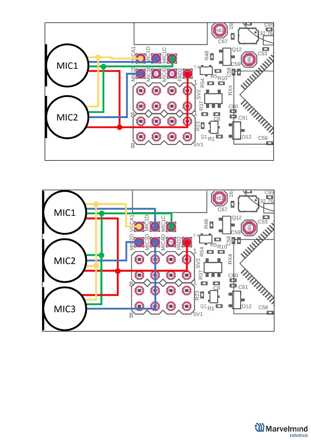
Figure 7: One External Microphone connection
Figure 8: Two External Microphone connection

Table of Contents