EasyManua.ls Logo

Marvelmind Super-MP-3D - Page 38

Default Icon
263 pages
Print Icon
To Next Page IconTo Next Page
To Next Page IconTo Next Page
To Previous Page IconTo Previous Page
To Previous Page IconTo Previous Page
Loading...
38
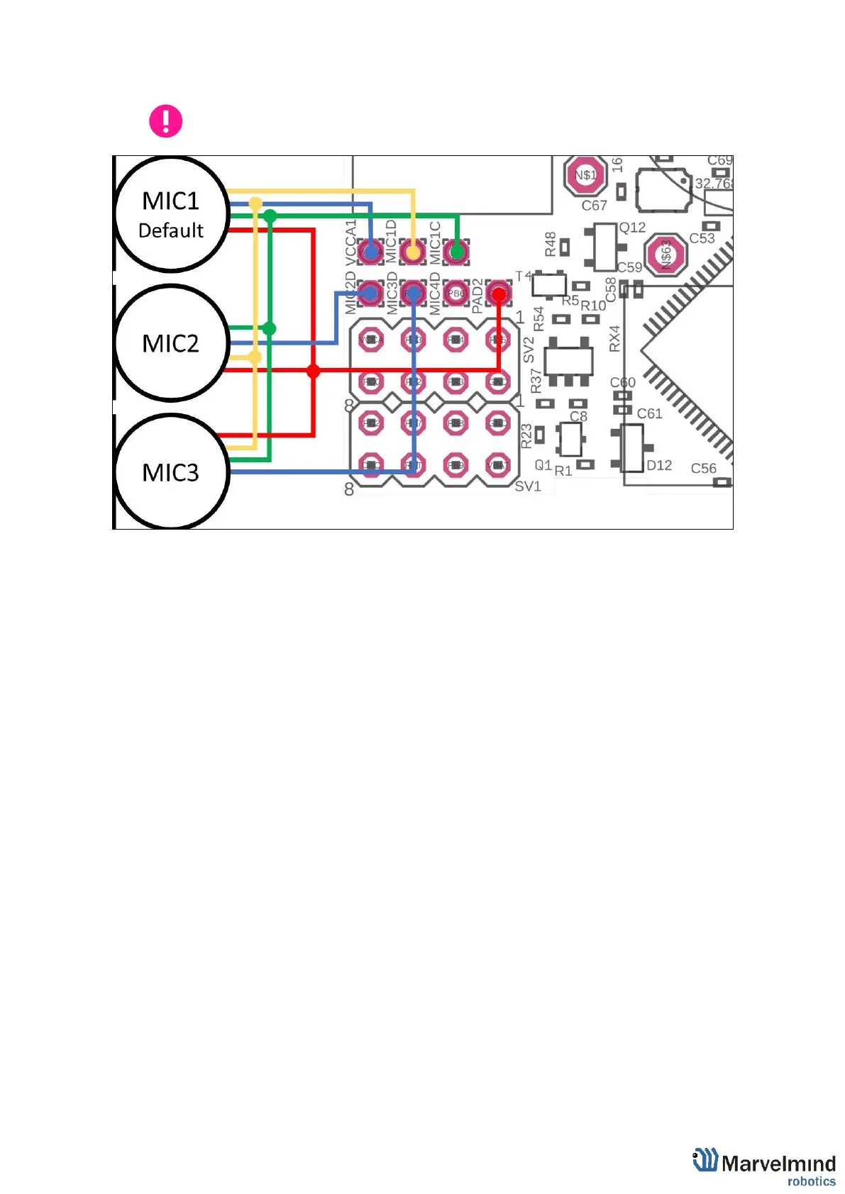
3.6.1.3. External microphones schemes:
There can be some beacons (from one of the batches) with mixed default
microphone wires’ colors
Figure 6: Connection for beacon with switched blue and yellow wires

Table of Contents