EasyManua.ls Logo

MD Helicopters 369D - Page 308

MD Helicopters 369D
722 pages
Print Icon
To Next Page IconTo Next Page
To Next Page IconTo Next Page
To Previous Page IconTo Previous Page
To Previous Page IconTo Previous Page
Loading...
CSP-HMI-3
MD Helicopters, Inc.
MAINTENANCE MANUAL
[ Main Menu ]
[ HMI3 Book TOC ]
[ Chapter 96 TOC ]
Page 228
Revision 11
96-01-00
The information disclosed herein is proprietary to MD Helicopters, Inc.
Neither this document nor any part hereof may be reproduced or transferred to
other documents or used or disclosed to others for manufacturing or any other
purpose except as specifically authorized in writing by MD Helicopters, Inc.
Copyright © 19992016 by MD Helicopters, Inc.
BT101
A1
A2
X1
X2
CR29
K309
APU RELAY
P503A(3-10)
P504A(3-10)N E4
+
-
EXT PWR
RECPT 28VDC
J100
20 AWG
JMPR
A1A2
X1
X2
CR28
K310
BATT.
RELAY
P503B(3-10)
P521L20
CR30
P505C(3-10) (TB101-1, -4, -7)
D501CC20 (P9-e)
A
BATT P108
P502A(3-10)
1
2
E1
A BATT SENSE
(TB3-1B) P508D20
VR1
VOLTAGE REG.
P6
A
B
F
G
J110P
P505A(3-10)
K300
REVERSE
CURRENT RELAY
A1
A2
X1
X2
CR33
K301
START RELAY
P507A(3-10)
E12
E13
A
B
C
D
E
G300
STARTER/
GENERATOR
P107B10
P510(3-10)N
A
J303P
E126J18
ENG. CHIP
DET. UPPER
ENG. CHIP
DET. LOWER
P301/S301
P300/S300
N1
TACH
GEN
A
B
P305
N2
TACH
GEN
A
B
P306
FUEL FILTER
SWITCH
A B
SP123
S303
P521K20
P521H20
(M3-) (TB9-2) RED E10A16
(M3+) (TB9-1) YEL E10A16
TC300
G301
G302
SQ300
IGNITION
EXCITER
IGN. GAP
M29
START
COUNTER
A B
SP80
G96-0019-2
K503A20N
THERMOCOUPLE
20 AWG
JMPR
2
1
2
1
CR1
CR2
K502CB20
(P9-D) J503C20
DIODE ISOLATOR
ASSEMBLY
B A
SP17
K502D20
A B
SP18
J503B20
K502H18
E513F18
P109A16
E126G18
E103A20
E104A20
E106A20
E107A20
D101A18
P112F18
B
C
D
E
F
G
H
J
K
L
N
M
P
R
S
K502J18
K502CA20
(TB1-6D) K502C20
E562B20
P501A(3-10)N
E564B20
B
C
D
E
160° (RED)
140° (AMB)
(TB3-1A) P508F16
(P9-n) P509B16
P22A20N
(TB1-8A) P514B20
(TB1-6C) K502F20
B FIELD CONT
C FIELD
D GND
E OVER VOLT. RLY
F GEN. DISABLE
(P9-E) D505C20
P505B(3-10)
(TB3-1B) P508B16
P508A(3-10)
(P9-A) E555C22
(P9-k) P512A16
P511A20N
BATT
GEN
ALARM
SWITCH
F
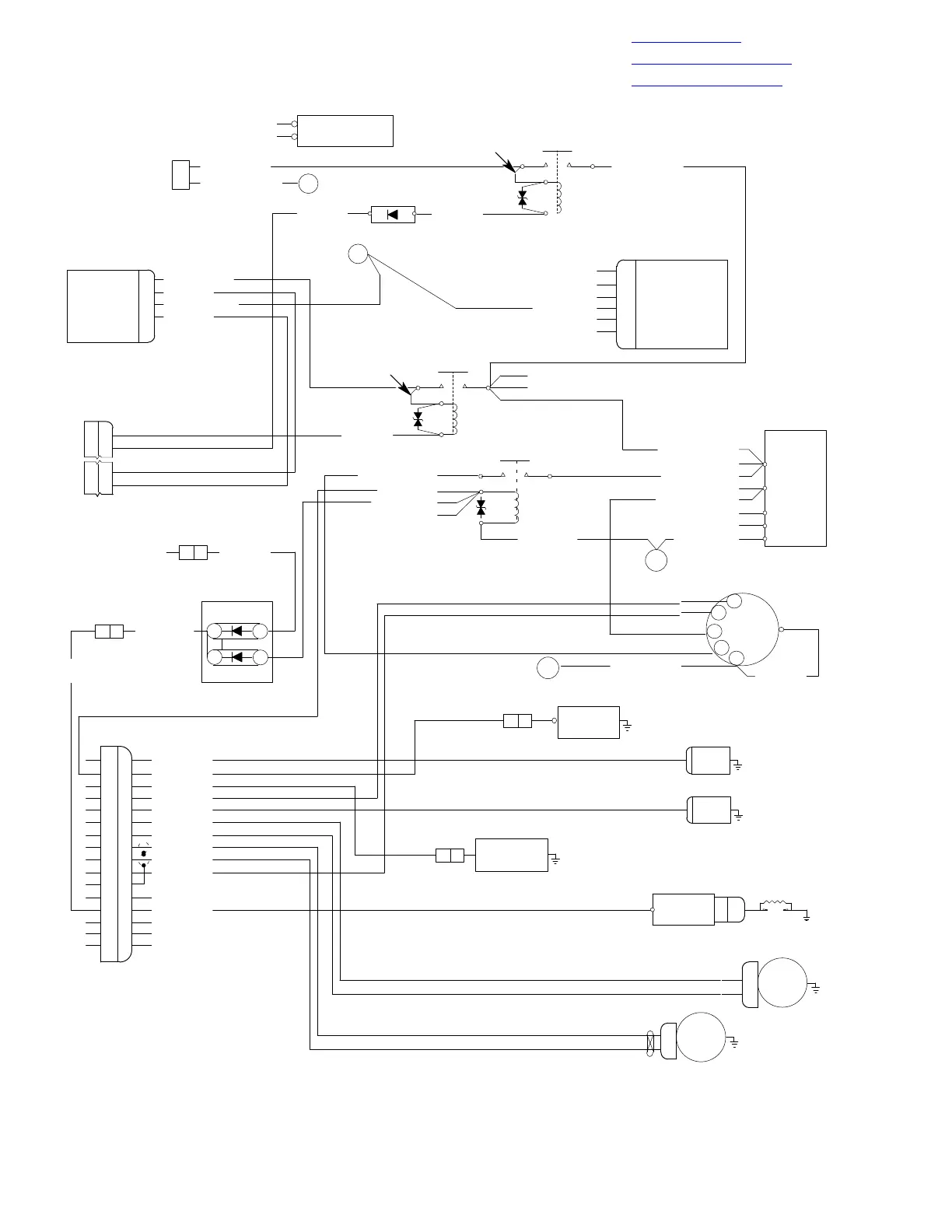
Figure 205. Fuselage Wiring Diagram (369D; 724 1149, 1151 1184)
(Sheet 2 of 6)

Table of Contents

Other manuals for MD Helicopters 369D

Related product manuals