EasyManua.ls Logo

MD Helicopters 369D - (Sheet 1 of 6)

MD Helicopters 369D
722 pages
Print Icon
To Next Page IconTo Next Page
To Next Page IconTo Next Page
To Previous Page IconTo Previous Page
To Previous Page IconTo Previous Page
Loading...
CSP-HMI-3
MD Helicopters, Inc.
MAINTENANCE MANUAL
[ Main Menu ]
[ HMI3 Book TOC ]
[ Chapter 96 TOC ]
96-01-00
Page 227
Revision 11
The information disclosed herein is proprietary to MD Helicopters, Inc.
Neither this document nor any part hereof may be reproduced or transferred to
other documents or used or disclosed to others for manufacturing or any other
purpose except as specifically authorized in writing by MD Helicopters, Inc.
Copyright © 19992016 by MD Helicopters, Inc.
A
A
J9P
J110P
P521H20 (K310-X2)
E555C22 (K300-ALARM)
A
J303P
M5
HOUR
METER
-
+
D506A22
S203
ROTOR OIL
PRESS SW
NO
C
NC
+
ENG OIL
TEMP SNDR
RT301
D509CA20
+
-
S202
A B
SP119
ROTOR OIL
TEMP SW
E15
E18
A
B
G200
ROTOR
TACH GEN
22 AWG JMPR
BOND JMPR
P202
A B
SP27
E513H20
E513E20
+
+
S201
S200
XMSN CHIP
DET. AFT
XMSN CHIP
DET. FWD
HR3
AFT LIGHTER
+
-
P517E16
A B
SP20
H510B16
E15
12
R10
(1 55W)Ω
12
R12
(1 55W)Ω
H510A16N A B
SP21
P516C16
P517D16
1
2
R2
(120 1W)Ω
TB8
P514A20 (TB1-8A)
FUEL
QUANT.
SENDER
R251
BLU
RED
BLK
BLK
B
D
E
H
J251P
E5
E502A20N
G96-0019-1
A B
SP73
E513M20
D509D20
D507A20N
START
PUMP
A
B
Q502A20N
E6
P250J B250
A B
SP140
RED
BLK
HR2
(HEATED PITOT TUBE)
E24
E13
A B
SP22
P17C16
E513G20
T/R XMSN
CHIP DET
S400
A B
SP402
A B
SP118
P521K20 (CR30-2)
D503A20
E513C20
E513F20
E562B20 (P108-B)
E564B20 (P108-D)
E504BB20 (TB1-5D)
F529AC20 (TB1-30A)
F530AC20 (TB1-28A)
M503AB20 (TB1-16A)
H502AB20 (TB1-24B)
H506AB20 (TB1-24A)
K508AB20 (TB1-6B)
B
C
E
F
G
H
J
K
L
M
N
P
R
S
T
U
K510E20 (TB1-6A)
E506C20
J503C20 (SP18-A)
D505C20 (K300-BATT)
M501B20 (J103-A)
P17B20
E517C20
E523C20
E505C20
P508G20 (TB3-1A)
E513L20
C506B22 (TB1-2A)
L520L20 (TB1-2D)
L531B20 (SP205-A)
E524A20
E525A20
E526B20
E522B20
D508B22
D509C20
F504B16
Q501B20
L511B16 (SP119-A)
P515B16
D501CC20 (K310-A1)
E527B20
K504D22 (TB1-4C)
M520AB16 (TB3-1C)
E531C20
P512A16 (K300-SW)
P509B16 (P6-C)
P516B16
L501B16 (K101-A1)
E105D20 (SP70-A)
B
C
D
E
F
G
H
JJ
K
L
M
N
P
R
S
T
U
V
W
X
Y
Z
a
b
c
d
e
f
g
h
i
j
k
m
n
p
q
r
s
t
(K301-X1) K502J18
E513E20
E522H22
E106B22
E106B22
(K301-X1) K502D20
A
B
C
D
E
F
G
H
J
K
L
N
M
P
R
S
B
C
D
E
F
G
H
J
K
L
N
M
P
R
S
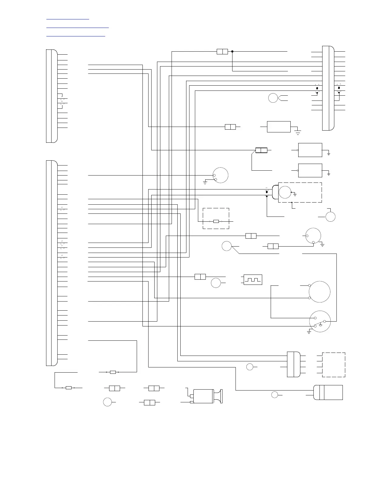
Figure 205. Fuselage Wiring Diagram (369D; 724 1149, 1151 1184)
(Sheet 1 of 6)

Table of Contents

Other manuals for MD Helicopters 369D

Related product manuals