EasyManua.ls Logo

MD Helicopters 369D - (Sheet 1 of 2)

MD Helicopters 369D
722 pages
Print Icon
To Next Page IconTo Next Page
To Next Page IconTo Next Page
To Previous Page IconTo Previous Page
To Previous Page IconTo Previous Page
Loading...
CSP-HMI-3 MD Helicopters, Inc.
MAINTENANCE MANUAL
[ Main Menu ]
[ HMI3 Book TOC ]
[ Chapter 96 TOC ]
Page 208
Revision 7
96-30-00
The information disclosed herein is proprietary to MD Helicopters, Inc.
Neither this document nor any part hereof may be reproduced or transferred to
other documents or used or disclosed to others for manufacturing or any other
purpose except as specifically authorized in writing by MD Helicopters, Inc.
Copyright © 19992016 by MD Helicopters, Inc.
(Sheet 1 of 2)
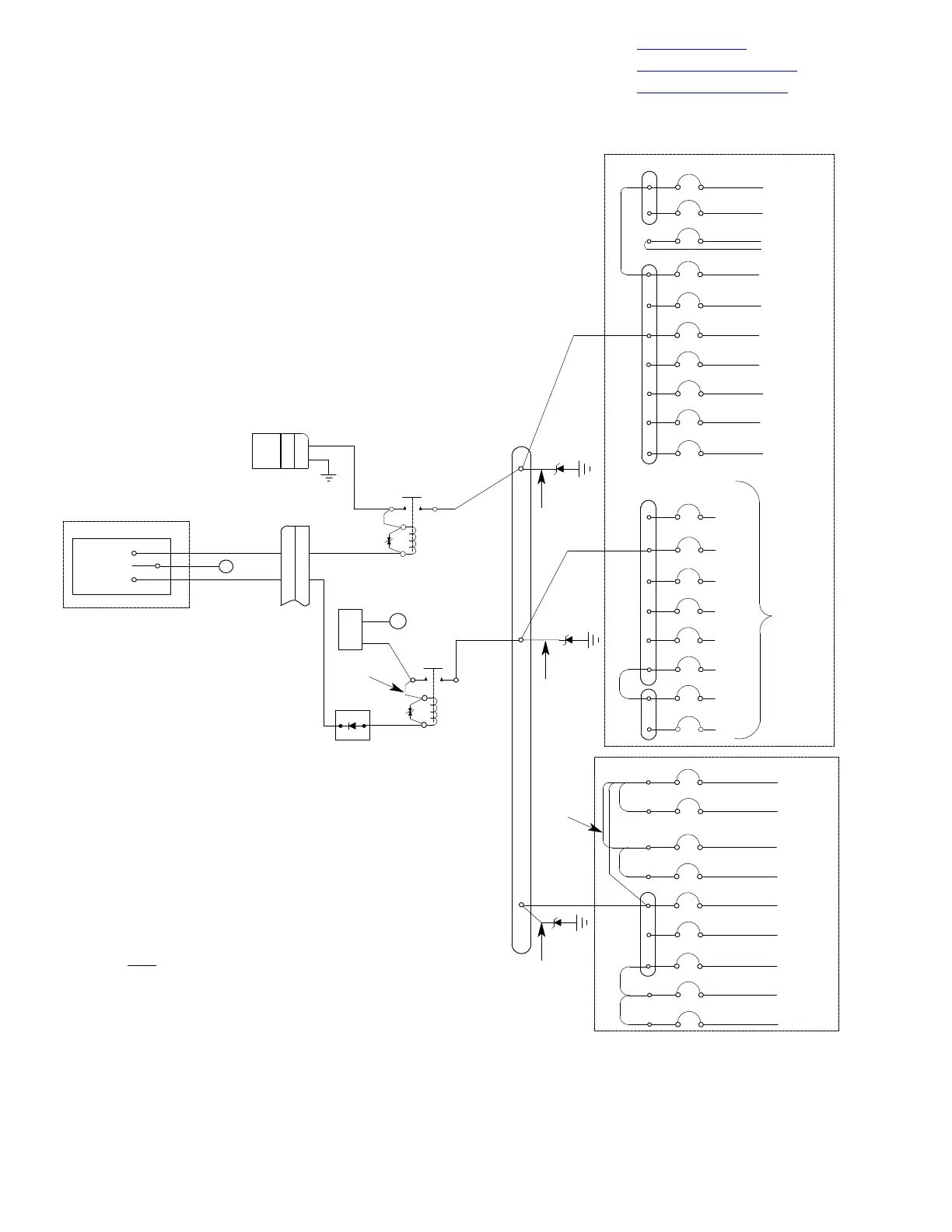
MASTER SELECT SWITCH
1
C
3
BATT
OFF
EXT
SWITCH/BREAKER PANEL
A
E31
36
37
P1201
A
C
+
BATTERY
J/P108
X1
X2
A2
A1
CR30
2
1
TB1001
+
E4
EXT PWR
RECP
J100
22 GA
JUMPER
K310
BATT
RELAY
K309
APU
RELAY
BUS1
3A
CB101
3A
3A
CB103
CB104
10A
CB112
3A
CB105
15A
CB110
LDG LT
GYROS
GEN
PNL LTS
N2 GOV
INSTR
5A
CB102
1A
CB106
ENG OUT
2A
CB208
START
CB209
3A
AUDIO
5A
CB121
5A
2A
CB202
CB204
1A
1A
2A
CB205
3A
CB203
15A
CB206
CB207
CB603
COMM 2
NAV 2
XPDR
FLOATS
COMM #1
NAV #1
ADF
HOOK
12GA
JUMPER
12GA
JUMPER
X1
X2
A2 A1
5A
CB150
5A
2A
CB118
CB120
1A
1A
2A
CB143
3A
CB117
15A
CB115
CB119
CB144
PITOT HEAT
START PUMP
SCAV AIR
POS LTS
ANTI ICE
UTIL PWR
BLD SOL
N2 OVSP
CB122
ANTI COL LTS
20GA
JUMPER
W6
W4
W3
BUS2
BUS3
(REF. 9640)
(REF. 9610)
(REF. 2800)
(REF. 9640)
(REF. 7510)
(REF. 2540)
(REF. 7610)
(NOTE 1)
(NOTE 1)
NOTE 1
CR2001
CR2002
12GA
JUMPER
CR2003
BUS BAR
1
2
3
TRIM ACT
3A
(NOTE1)
(REF. 9640)
(NOTE1)
(REF. 9610)
(REF. 9530)
(REF. 9530)
(REF. 6710)
(REF. 9610)
(REF. 9630)
(REF. 2800)
W1
W2
(REF. 7510)
CIRCUIT BREAKER PANEL
SWITCH/BREAKER PANEL
G9630022A
NOTE:
1. REFER TO APPROPRIATE SECTION OF
MAINTENANCE MANUAL FOR EQUIPMENT
NOT PART OF BASIC ELECTRICAL SYSTEM.
2. EFFECTIVE ON 369E 384 & SUBS., 369FF 076
& SUBS, AND 500N/530N & SUBS.
Figure 203. Power Distribution Wiring Diagram, 369E/FF 500N Helicopters
(Sheet 2 of 2)

Table of Contents

Other manuals for MD Helicopters 369D

Related product manuals