EasyManua.ls Logo

MD Helicopters 369D - Page 499

MD Helicopters 369D
722 pages
Print Icon
To Next Page IconTo Next Page
To Next Page IconTo Next Page
To Previous Page IconTo Previous Page
To Previous Page IconTo Previous Page
Loading...
CSP-HMI-3MD Helicopters, Inc.
MAINTENANCE MANUAL
[ Main Menu ]
[ HMI3 Book TOC ]
[ Chapter 96 TOC ]
96-30-00
Page 209
Revision 7
The information disclosed herein is proprietary to MD Helicopters, Inc.
Neither this document nor any part hereof may be reproduced or transferred to
other documents or used or disclosed to others for manufacturing or any other
purpose except as specifically authorized in writing by MD Helicopters, Inc.
Copyright © 19992016 by MD Helicopters, Inc.
6G96-082
MASTER SELECT SWITCH
1
C
3
BATT
OFF
EXT
A
E31
36
37
P1201
A
C
+
J/P108
X1
X2
A2
A1
CR30
21
+
E4
J100
BUS1
3A
CB101
3A
3A
CB103
CB104
10A
CB112
3A
CB105
15A
CB110
LDG LT
GYROS
GEN
PNL LTS
FADEC
INSTR
5A
CB102
1A
CB106
ENG OUT
2A
CB208
START
CB209
3A
AUDIO
5A
CB121
5A
2A
CB202
CB204
1A
1A
2A
CB205
3A
CB203
15A
CB206
CB207
CB603
COMM 2
NAV 2
XPDR
FLOATS
COMM #1
NAV #1
ADF
HOOK
X1
X2
A2 A1
5A
CB150
5A
2A
CB120
1A
1A
2A
CB143
3A
CB117
15A
CB115
CB119
PITOT HEAT
SCAV AIR
POS LTS
ANTI ICE
UTIL PWR
ANTI COL LTS
W6
W4
W3
BUS2
BUS3
(REF. 9640)
(REF. 9610)
(REF. 9640)
(REF. 7510)
(REF. 2540)
CR2001
CR2002
CR2003
BUS BAR
1
2
3
TRIM ACT
3A
(REF. 9640)
(REF. 9610)
(REF. 9530)
(REF. 9530)
(REF. 6710)
(REF. 9610)
(REF. 9630)
(REF. 2800)
W1
W2
(REF. 7510)
CIRCUIT BREAKER PANEL
SWITCH/BREAKER PANEL
SWITCH/BREAKER PANEL
BATTERY
EXT PWR RECP
K300
BATT
RELAY
K309
APU
RELAY
TB1001
22 GA
JUMPER
12 GA
JUMPER
12 GA
JUMPER
12 GA
JUMPER
20 GA
JUMPER
NOTE 1
(NOTE 1)
(NOTE 1)
NOTE
:
1. REFER TO APPROPRIATE SECTION OF MAINTENANCE MANUAL
FOR EQUIPMENT NOT PART OF BASIC ELECTRICAL SYSTEM.
2. EFFECTIVE ON 600N RN001 AND SUBS.
(NOTE 1)
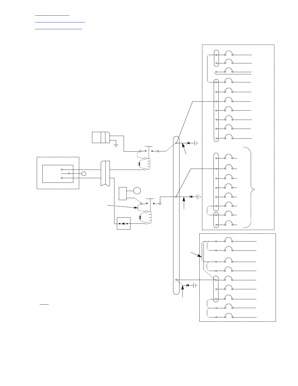
Figure 204. Power Distribution Wiring Diagram, 600N Helicopters

Table of Contents

Other manuals for MD Helicopters 369D

Related product manuals