EasyManua.ls Logo

MD Helicopters 369D - Page 327

MD Helicopters 369D
722 pages
Print Icon
To Next Page IconTo Next Page
To Next Page IconTo Next Page
To Previous Page IconTo Previous Page
To Previous Page IconTo Previous Page
Loading...
CSP-HMI-3
MD Helicopters, Inc.
MAINTENANCE MANUAL
[ Main Menu ]
[ HMI3 Book TOC ]
[ Chapter 96 TOC ]
96-01-00
Page 247
Revision 11
The information disclosed herein is proprietary to MD Helicopters, Inc.
Neither this document nor any part hereof may be reproduced or transferred to
other documents or used or disclosed to others for manufacturing or any other
purpose except as specifically authorized in writing by MD Helicopters, Inc.
Copyright © 19992016 by MD Helicopters, Inc.
1
2
c
3
4
XDS14 (ENG OUT WARN)
XDS13 (XMSN OIL PRESS)
XDS12 (XMSN OIL TEMP)
XDS18 (GEN OUT)
XDS15 (ENG CHIPS)
XDS19 (M/R XMSN CHIPS)
XDS20 (T/R XMSN CHIPS)
XDS16 (FUEL LOW)
XDS17 (FUEL FLTR)
1
2
c
3
4
1
2
c
3
4
1
2
c
3
4
1
2
c
3
4
1
2
c
3
4
1
2
c
3
4
1
2
c
3
4
C ENG OUT LT HI
DS11 (DIMMER
CONTROL UNIT)
E510A22 (TB700-7C)
E530B22
E559M22
E559P22
D502A22
E503B22
E555A22
E559AA22 (TB502-20B)
E559B22
E513A22
E559C22
E559L22
E559D22
E559K22
E559E22
E517A22
E559F22
E513A22
E559G22
(P618-L) E559NN22
(P618-K) E559JJ22
(P618-E) D509BB22
(P618-F) E513DD22
(P618-G) E517DD22
(P618-H) E531DD22
(P618-J) E555DD22
(P618-B) E559HH22
(TB502-20A) E559AB22
(P618-A) Q501E20
(TB12-4A) E519A22
(TB502-20F) E518A22
(TB502-7A) L534A22
(TB502-20E) E508EE22
(P618-Z) L524B22
(P618-D) L551A22
(TB6-5) E563A22
G96-0017-9
NC
NO
NC
NO
S1
C
C
XDS21 (WARN PRESS-TO-TEST)
E559H22
E509A22
E512A22
E511B22
E559J22
E563C22
E564C22
P12
NC
NO
C
NC
NO
C
(4)
(3)
(2)
(1)
XDS23 (BAT TEMP)
1
2
4
5
3
XDS7 (START PUMP LTS)
3
2
541
E561A22
(TB700-7D) E560A22
E501H22
(P618-P) E564AA20
(P618-N) E563AA20
1
2
c
3
4
f T/R XMSN CHIP LT LO
E XMSN OIL TEMP LT HI
F XMSN OIL TEMP LT LO
G XMSN OIL PRESS LT HI
H ENG CHIP LT LO
g M/R XMSN CHIP LT LO
K FUEL LOW LT LO
h XMSN OIL PRESS LT LO
M FUEL FILTER LT LO
P GEN OUT LT L
j XMSN OIL PRESS SW LO
e M/R XMSN CHIP DET LO
Y XMSN OIL TEMP SW LO
Z ENG CHIP DET LO
a FUEL LOW SW LO
b AIR FRAME FLTR SW LO
c GEN OUT ALARM LO
c GEN OUT ALARM LO
A +28VDC TEST
B DC GND TEST
D WARN LTS BRT/DIM
N START PUMP
S ENG OUT WARN SIGNAL
T PRESS/TEMP WARN SIGNAL
d PNL LIGHTING, VARIABLE DC
V +28VDC
J BRT/DIM SW
X DIMMER POT ARM
L START PUMP ON LT
W DC GND
U
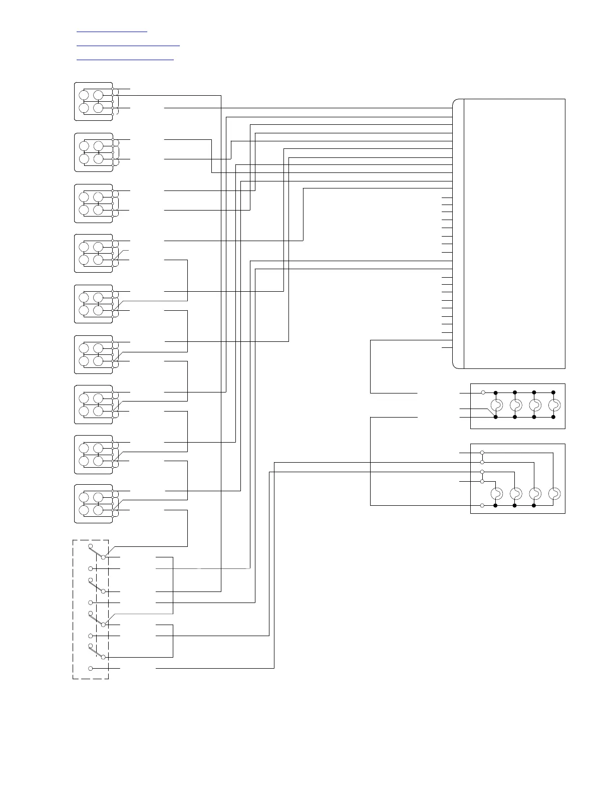
Figure 208. Console Wiring Diagram, Instrument Panel with Center Console
(369D; 724 1149) (Sheet 3 of 7)

Table of Contents

Other manuals for MD Helicopters 369D

Related product manuals