EasyManua.ls Logo

MD Helicopters 369D - Page 341

MD Helicopters 369D
722 pages
Print Icon
To Next Page IconTo Next Page
To Next Page IconTo Next Page
To Previous Page IconTo Previous Page
To Previous Page IconTo Previous Page
Loading...
CSP-HMI-3
MD Helicopters, Inc.
MAINTENANCE MANUAL
[ Main Menu ]
[ HMI3 Book TOC ]
[ Chapter 96 TOC ]
96-01-00
Page 261
Revision 12
The information disclosed herein is proprietary to MD Helicopters, Inc.
Neither this document nor any part hereof may be reproduced or transferred to
other documents or used or disclosed to others for manufacturing or any other
purpose except as specifically authorized in writing by MD Helicopters, Inc.
Copyright © 19992016 by MD Helicopters, Inc.
1
2
c
3
4
XDS14 (ENG OUT WARN)
XDS13 (XMSN OIL PRESS)
XDS12 (XMSN OIL TEMP)
XDS18 (GEN OUT)
XDS15 (ENG CHIPS)
XDS19 (M/R XMSN CHIPS)
XDS20 (T/R XMSN CHIPS)
XDS16 (FUEL LOW)
1
2
c
3
4
1
2
c
3
4
1
2
c
3
4
1
2
c
3
4
1
2
c
3
4
1
2
c
3
4
1
2
c
3
4
1
2
c
3
4
C ENG OUT LT HI
DS11 (DIMMER
CONTROL UNIT)
E510A22 (TB6-5)
E559M22
D502A22
E555A22
E513A22
E559L22
E559K22
E517A22
E531A22
(P110-C) E559N22
NC
NO
NC
NO
S1
S2
C
C
XDS21 (WARN PRESS-TO-TEST)
E509A22 +28 VDC
E512A22
P12
4
TB104
E559AA22
(P110-G) E564A20
2
3
2
3
A
R
1
1
XDS24 (PRESS-TO-TEST)
TB105
CR1
DIODE
IN2070
A B
SP14
A B
SP15
BLK
BLK
DS112
COM LT.
+
XDS119
CLOCK LT.
+
DS105
WARN
HORN
PNL LTS
DS24
DS25
XDS17 (FUEL FILTER)
f T/R XMSN CHIP LT LO
E XMSN OIL TEMP LT HI
F XMSN OIL TEMP LT LO
G XMSN OIL PRESS LT HI
H ENG CHIP LT LO
g M/R XMSN CHIP LT LO
K FUEL LOW LT LO
h XMSN OIL PRESS LT LO
M FUEL FILTER LT LO
P GEN OUT LT LO
j XMSN OIL PRESS SW LO
e M/R XMSN CHIP DET LO
Y XMSN OIL TEMP SW LO
Z ENG CHIP DET LO
a FUEL LOW SW LO
b AIR FRAME FLTR SW LO
c GEN OUT ALARM LO
R T/R XMSN CHIP DET LO
A +28VDC TEST
B DC GND TEST
D WARN LTS BRT/DIM
N START PUMP
S ENG OUT WARN SIGNAL
T PRESS/TEMP WARN SIGNAL
d PNL LIGHTING, VARIABLE DC
V +28VDC
J BRT/DIM SW
X DIMMER POT ARM
L START PUMP ON LT
W DC GND
U
(P110-D) E559J22
(P9-Y) D509B22
(P9-N) E513D22
(P9-J) E517D22
(P9-j) E531D22
(P9-A) E555D22
(P110-E) E559H22
(TB503-5E) E559A20
(CB118-2) Q501C20
(CB104-2) E518A22
(TB503-1A) L534A22
(CB104-2) E508A22
(R110-4) L532B22
(R110-2) L551A22
(SP24-A) E561A22
(TB6-5) E563A22
E559AC22
E559AB22
E520C20
L540C22
L533F22
L528B20
L528C20
L540B22
E559AD22
E519C20
(P110-F) E562A20
E559Q22
(S4-3) E520B20
(P19-J) E520A22
(TB503-2B) L533E20
(E3) L540A20N
2MFDS
(P19-F) E519B20
E519A22
3
2
1
4
3
2
1
E511B22 GRD
E559G22
E559F22
E559E22
E559D22
E559C22
E559AA20 (TB503-3F)
E559B22
D502A22
E559M22
E530B22
G96-0020-10A
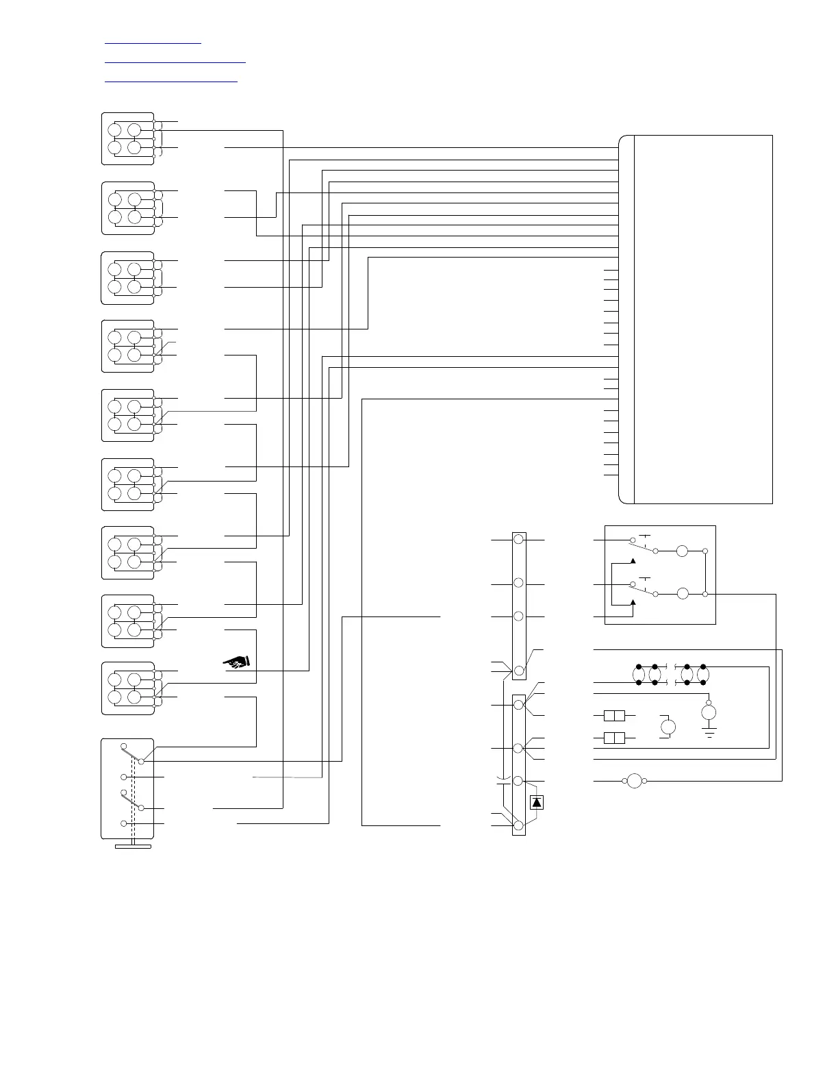
Figure 210. Console Wiring Diagram (369D; 1150, 1185 & Subs)
(Sheet 4 of 7)

Table of Contents

Other manuals for MD Helicopters 369D

Related product manuals