EasyManua.ls Logo

MD Helicopters 369D - Page 382

MD Helicopters 369D
722 pages
Print Icon
To Next Page IconTo Next Page
To Next Page IconTo Next Page
To Previous Page IconTo Previous Page
To Previous Page IconTo Previous Page
Loading...
CSP-HMI-3 MD Helicopters, Inc.
MAINTENANCE MANUAL
[ Main Menu ]
[ HMI3 Book TOC ]
[ Chapter 96 TOC ]
Page 236
Revision 12
96-02-00
The information disclosed herein is proprietary to MD Helicopters, Inc.
Neither this document nor any part hereof may be reproduced or transferred to
other documents or used or disclosed to others for manufacturing or any other
purpose except as specifically authorized in writing by MD Helicopters, Inc.
Copyright © 19992016 by MD Helicopters, Inc.
J1301P
C
(J1201-46) WHT E1139B22
E1139A22 WHT
N2
TACH
GEN
A B
SP123
N1
TACH
GEN
A
B
A
B
P306
G302
P305
G301
E1140A22 WHT
(J1202-K) CHROM WHT E1141A16
(J1202-N) ALUML GRN E1141A16
TC300
(AIRFRAME MTD.)
S303
FUEL
FILTER
SW.
TORQUE
OIL PRESS.
TRANSDUCER
ENGINE
OIL PRESS.
TRANSDUCER
K1288A22 A B
SP124
BLK
M29
START COUNTER
P300/S300
ENG. CHIP
DET. UPPER
P301/S301
ENG. CHIP
DET. LOWER
(J1201-65) E1259B22
A B
SP73
E1143AA22
E13
E13
P1302J
3
ELECTRONIC N2
OVERSPEED CONTROL
5 12 8 6 2 10 11 1 7
N2 SPEED
PICKUP
1
3
N1 SPEED
PICKUP
ANTI-ICING
SOLENOID
VALVE
1
2
3
2
3
1
BLEED
CONTROL
SOLENOID
VALVE
THERMAL
SWITCH
ENGINE SUPPLIED BUT
AIRFRAME-MOUNTED
3
2
1
E1143A20
E1144A20
J1072C22
SQ300
IGNITION
EXCITER
SQ301
IGN. GAP
IGN. GAP
TC3002
(ENGINE MTD.)
THERMOCOUPLE
#8 LUG
#10 LUG
#8 LUG
#10 LUG
E1141AA16
N2 OVERSPEED
SOLENOID
PICKUP
C30 ENGINE WIRE HARNESS
IGNITION
EXCITER
G96-0023-9A
(J1201-46) BLU E1139B22
(TB200-8R) E1103A22
(J1201-47) E1102A22
(J1201-54) E1140B22
(J1201-69) Q506B22
E1139A22 BLU
E1078A22 WHT
E1078A22 BLU
D
E
F
G
H
r
(J1201-49) WHT E1258B22
(J1201-50) BLU E1258B22
(K301-X1) 1268B22
(J1201-59) E1261A22
(J1201-60) WHT E1161B22
(J1201-61) BLU E1161B22
(J1201-53) E1142B22
(TB200-7S) J1072B22
(J1201-57) K1158A22
(J1201-58) K1159A22
(J1201-43) K1160A22
(J1201-66) WHT E1167B22
(J1201-67) BLU E1167B22
(J1201-62) WHT E1162A22
(J1201-63) BLU E1162A22
(J1201-55) H1163A22
(J1201-56) H1164A22
E1144AA22
J1072BB22
K1158B22
K1159B22
K1160B22
K1166A22N
E1267B22 WHT
E1267B22 BLU
E1162A22 WHT
E1162A22 BLU
H1076C22
H1186A22N
H1077C22
Z
J
K
e
g
P
R
S
T
A
B
L
M
N
a
b
c
d
U
V
W
X
Y
2
1
4
5
6
7
22
21
10
24
29
11
8
9
12
9
7
8
11
12
4
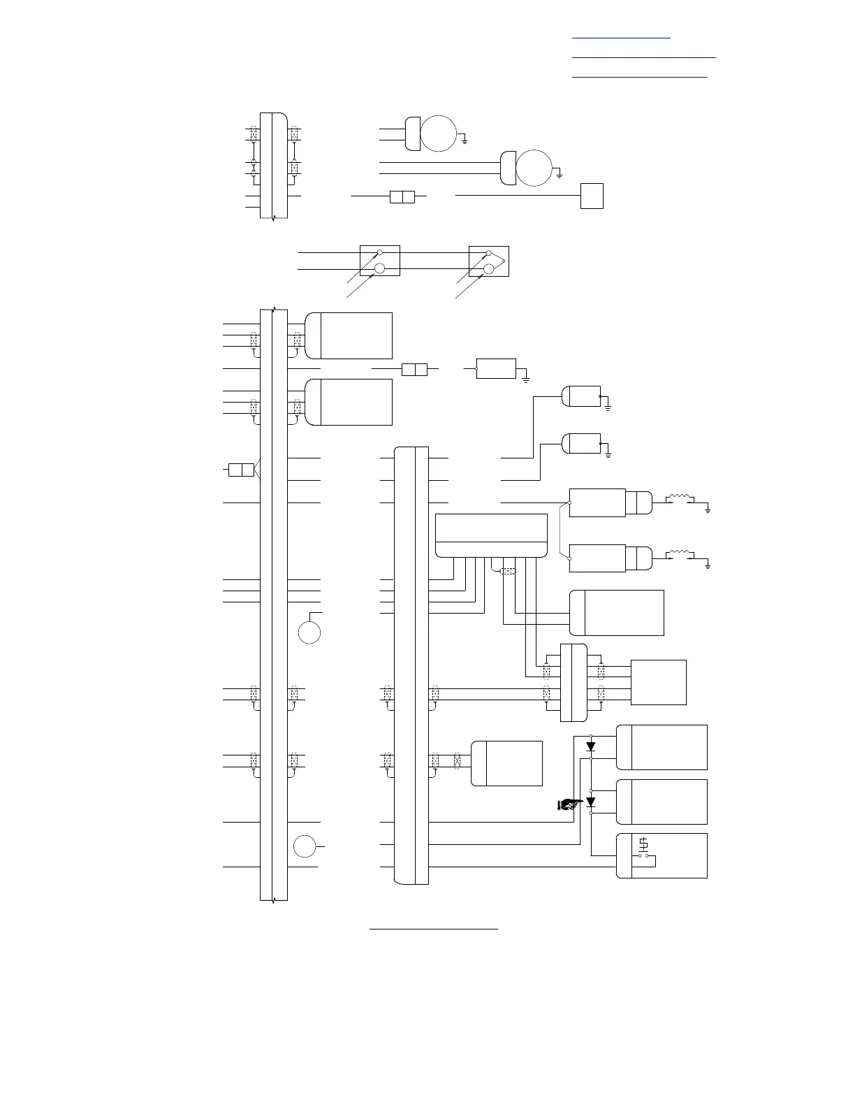
Figure 205. Fuselage Wiring Diagram (369E; 384 508, 369FF; 076 095
500N; 001 044) (Sheet 9 of 9)

Table of Contents

Other manuals for MD Helicopters 369D

Related product manuals