EasyManua.ls Logo

MD Helicopters 369D - Page 455

MD Helicopters 369D
722 pages
Print Icon
To Next Page IconTo Next Page
To Next Page IconTo Next Page
To Previous Page IconTo Previous Page
To Previous Page IconTo Previous Page
Loading...
CSP-HMI-3MD Helicopters, Inc.
MAINTENANCE MANUAL
[ Main Menu ]
[ HMI3 Book TOC ]
[ Chapter 96 TOC ]
96-05-00
Page 211
Revision 8
The information disclosed herein is proprietary to MD Helicopters, Inc.
Neither this document nor any part hereof may be reproduced or transferred to
other documents or used or disclosed to others for manufacturing or any other
purpose except as specifically authorized in writing by MD Helicopters, Inc.
Copyright © 19992016 by MD Helicopters, Inc.
G96-0008
CB11
7
1
2
7.5A
P9J
UTILIT
Y
TB101
UTILIT
Y
RECP
J103
E9
4
28 VDC
BUS
P108
BATTER
Y BT101
REF SEC
95-30
A1 A2
BAT RELAY
K310
X1
X2
CR28
E1
ABAT
C 24V
B (RED) 160°
D (AMBER) 140°
J110
P
G
F
A
B
E
A1
APU RELAY
K309
CR29
E4
1
2
CR30
REVERSE
CURRENT
RELAY
REF SEC
96-10
REF SEC
95-30
EBAT
GEN
E13
F
REF SEC
96-10
REF SEC
96-10
TB3-1
B
A
TB1-2B
B
E1
A
D
BAT
SENSE
GR
D
VR1
K300
P6 VOLTAGE REG
BAT TEMP WARN
PRESS-TO-TEST SW
TB104
4
3
2
A
R
2
3
1
2
3
1
XDS24
XDS25
TB105
3
E3
WARN LIGHTS
PRESS-TO-TEST SW
REF SEC
95-30
REF SEC
97-00
REF SEC
95-30
28 VDC
N
C
NO
C
S1
XSD21
BAT/EXT
SWITCH
1
2
3
S2
A
B
G
A2
X1
X2
+
-
J100
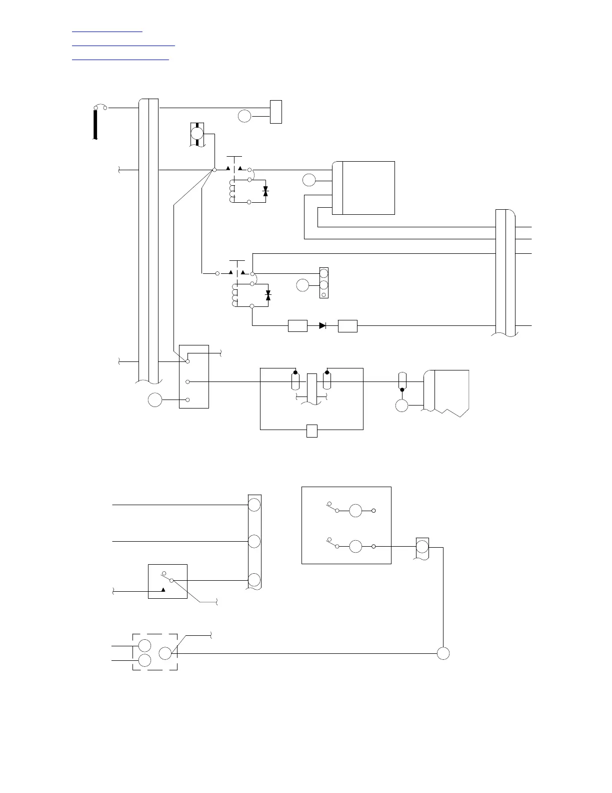
Figure 203. Battery and Temperature Sensing Wiring Diagram

Table of Contents

Other manuals for MD Helicopters 369D

Related product manuals