EasyManua.ls Logo

MD Helicopters 369D - Page 49

MD Helicopters 369D
722 pages
Print Icon
To Next Page IconTo Next Page
To Next Page IconTo Next Page
To Previous Page IconTo Previous Page
To Previous Page IconTo Previous Page
Loading...
CSP-HMI-3MD Helicopters, Inc.
MAINTENANCE MANUAL
[ Main Menu ]
[ HMI3 Book TOC ]
[ Chapter 95 TOC ]
95-00-00
Page 111
Revision 14
The information disclosed herein is proprietary to MD Helicopters, Inc.
Neither this document nor any part hereof may be reproduced or transferred to
other documents or used or disclosed to others for manufacturing or any other
purpose except as specifically authorized in writing by MD Helicopters, Inc.
Copyright © 19992016 by MD Helicopters, Inc.
G95-0000-102-1
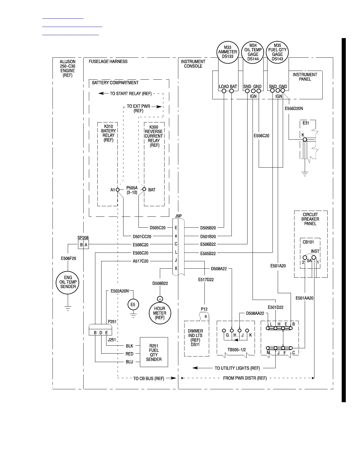
Figure 102. Ammeter, Engine Oil Temperature and Fuel Quantity Indicator Circuits

Table of Contents

Other manuals for MD Helicopters 369D

Related product manuals