EasyManua.ls Logo

MD Helicopters 369D - Page 557

MD Helicopters 369D
722 pages
Print Icon
To Next Page IconTo Next Page
To Next Page IconTo Next Page
To Previous Page IconTo Previous Page
To Previous Page IconTo Previous Page
Loading...
CSP-HMI-3MD Helicopters, Inc.
MAINTENANCE MANUAL
[ Main Menu ]
[ HMI3 Book TOC ]
[ Chapter 96 TOC ]
96-40-00
Page 221
Revision 11
The information disclosed herein is proprietary to MD Helicopters, Inc.
Neither this document nor any part hereof may be reproduced or transferred to
other documents or used or disclosed to others for manufacturing or any other
purpose except as specifically authorized in writing by MD Helicopters, Inc.
Copyright © 19992016 by MD Helicopters, Inc.
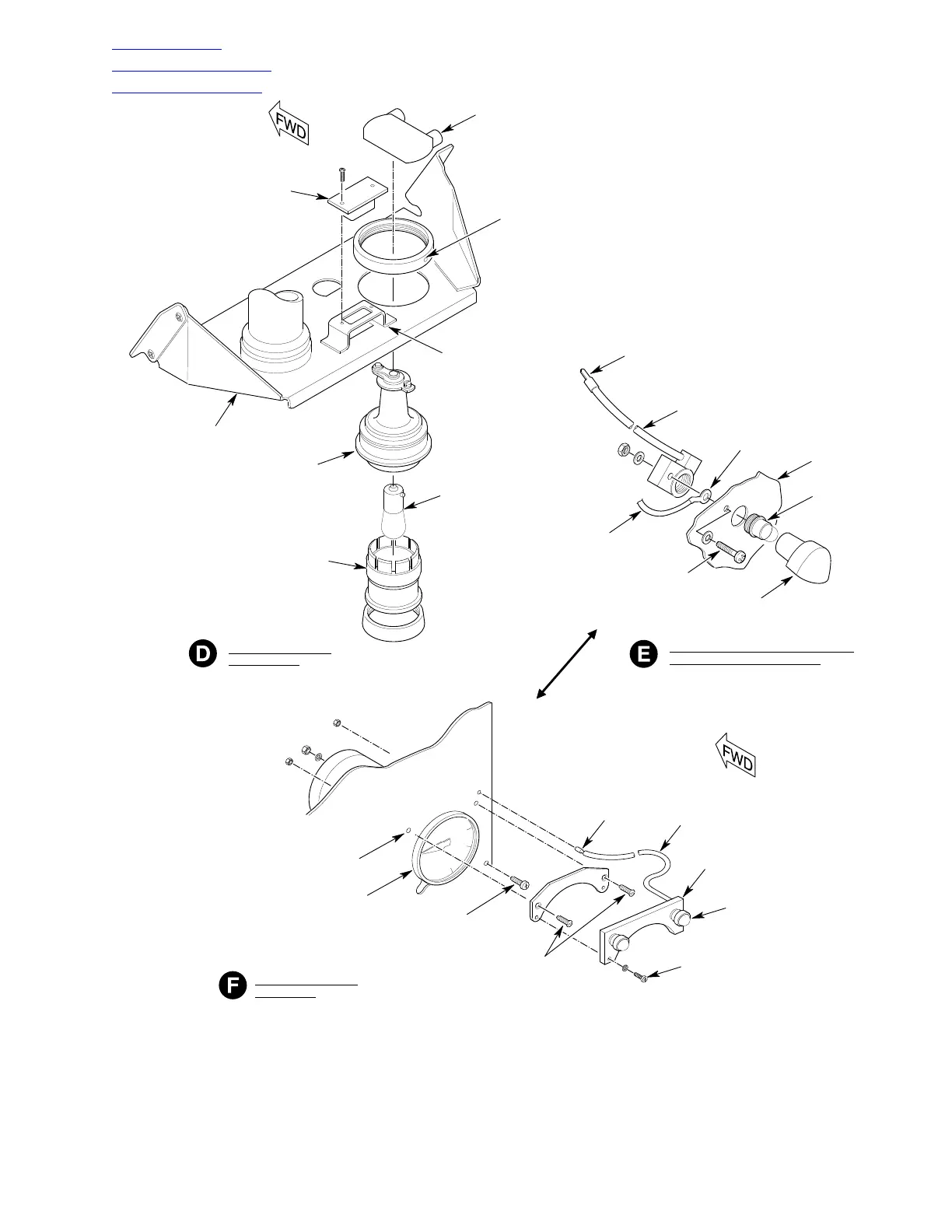
INSULATOR
PASSENGER/CARGO
UTILITY LIGHT SWITCH
TIGHTENING HOLE
(2 PLCS)
SWITCH MOUNTING
BRACKET
SPLICE
+ VDC INPUT WIRE
(NOTE 7)
TERMINAL LUG
(NOTE 6)
PANEL HOOD
LAMP BODY
CONVENIENCE
PANEL TRIM COVER
(NOTE 2)
LAMP
LAMP
(NOTE 8)
NOZZLE ASSEMBLY
GROUND WIRE
NOTE 5
LAMP CAP AND PRISM
PASSENGER/CAGRO
UTILITY LIGHT
POSTLIGHT-EXPLODED FROM HOOD
SLIMLINE INSTRUMENT PANEL
ELECTRICAL BOND
PANEL AND PLATE
IVS INDICATOR
PIN
WIRE
(NOTE 9)
LAMP MASK
(NOTE 9)
0.138 IN. (0.9652 MM)
BRASS SCREW
LAMP BULBS AND HOOD
(NOTE 9)
SCREW AND WASHER
(NOTE 9)
G96-4005-2A
SIZE 6 BRASS SCREWS
(BLACK OXIDE COATED)
INSTRUMENT PANEL
POST LIGHT
Figure 207. Interior Lights and Components (Sheet 2 of 2)

Table of Contents

Other manuals for MD Helicopters 369D

Related product manuals