EasyManua.ls Logo

Mitsubishi Fuso Canter 2013

Mitsubishi Fuso Canter 2013
463 pages
To Next Page IconTo Next Page
To Next Page IconTo Next Page
To Previous Page IconTo Previous Page
To Previous Page IconTo Previous Page
Loading...
5-48 Switches and controls
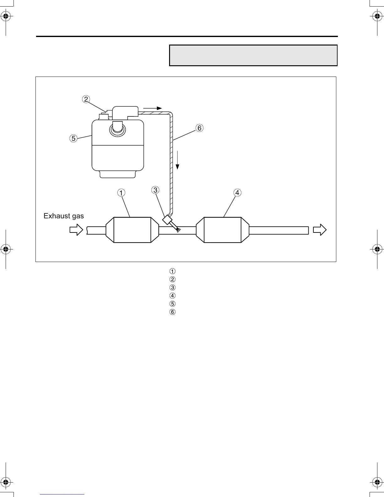
DPF muffler
Pump module
Dosing module
Muffler with SCR/Oxidation catalyst
DEF tank
DEF tube
NOTE:
BlueTec
®
: A brand of Daimler AG
The BlueTec
®
system is a combination of the
regeneration controlling DPF system and the
BlueTec
®
exhaust gas aftertreatment.
The regeneration controlling DPF system col-
lects particulate matter (PM) in exhaust gases
with a ceramic filter located inside the muffler
and burns the PM on the filter utilizing the effect
of the front oxidation catalyst (continuous DPF
regeneration).
BlueTec
®
system
Z20011
FE_FG.book Page 48 Monday, December 19, 2011 4:22 PM

Table of Contents

Related product manuals