EasyManua.ls Logo

Monarch SE 2004 - Pressure-Temperature Relief Valve; Burner Compartment

Default Icon
346 pages
Print Icon
To Next Page IconTo Next Page
To Next Page IconTo Next Page
To Previous Page IconTo Previous Page
To Previous Page IconTo Previous Page
Loading...
178 | Section 4 Appliances ------------------------------------------------------------------------------------------------------------------------------------------------------------------------------------------------------------------------------------------------------ ----------------- Monarch SE 2004
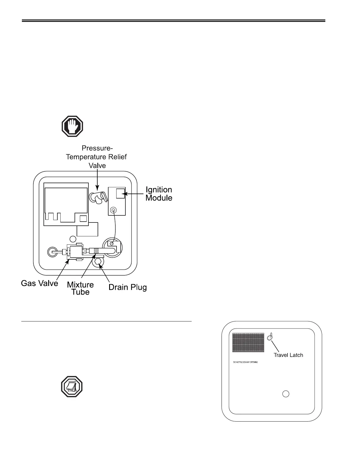
The water heater is equipped with a Pressure-Temperature relief valve. The
water heater may discharge from the Pressure-Temperature relief valve during the
heating cycle, due to thermal expansion of water. The Pressure-Temperature relief
valve is designed to open if the water temperature in the tank reaches 210° F
(98.8° C), or if internal pressure reaches 150 psi. A small discharge is normal and
is not necessarily a faulty valve. The water heater has an internal air pocket to
reduce the possibility of dripping or weeping.
Eventually, the expansion of the water will absorb the air pocket. When this
occurs, the air pocket will have to be replaced utilizing the following procedure.
CAUTION: Ensure the water heater tank is cool prior to making any
check of the valve.
Re-establishing the Air Pocket:
Step 1: Turn OFF the water heater.
Step 2: Shut OFF the incoming water
supply.
Step 3: Open a hot water faucet closest
to the water heater.
Step 4: Pull the handle of the relief valve
until the flow of water stops.
Step 5: Close the relief valve allowing it
to snap shut. Close the hot faucet
and turn ON the water supply.
Step 6: Turn ON the water heater.
The air pocket is re-established and the process
does not need to be repeated until the next discharge
of water from the Temperature and Pressure relieve
valve. If the discharge does not stop, contact a
qualified service center to evaluate the valve and
make any required repairs.
Periodically check the outside service
compartment and screen (in the door) for
foreign material the can accumulate and pre-
vent the flow of combustion and ventilating
air.
NOTE: Do not block any opening.
Pressure-
Temperature Relief
Valve
040424D
010720B
Burner
Compartment

Table of Contents