EasyManua.ls Logo

Panasonic SA-AKX10PH - Disassembly of Remote Sensor P.C.B.

Panasonic SA-AKX10PH
114 pages
Print Icon
To Next Page IconTo Next Page
To Next Page IconTo Next Page
To Previous Page IconTo Previous Page
To Previous Page IconTo Previous Page
Loading...
36
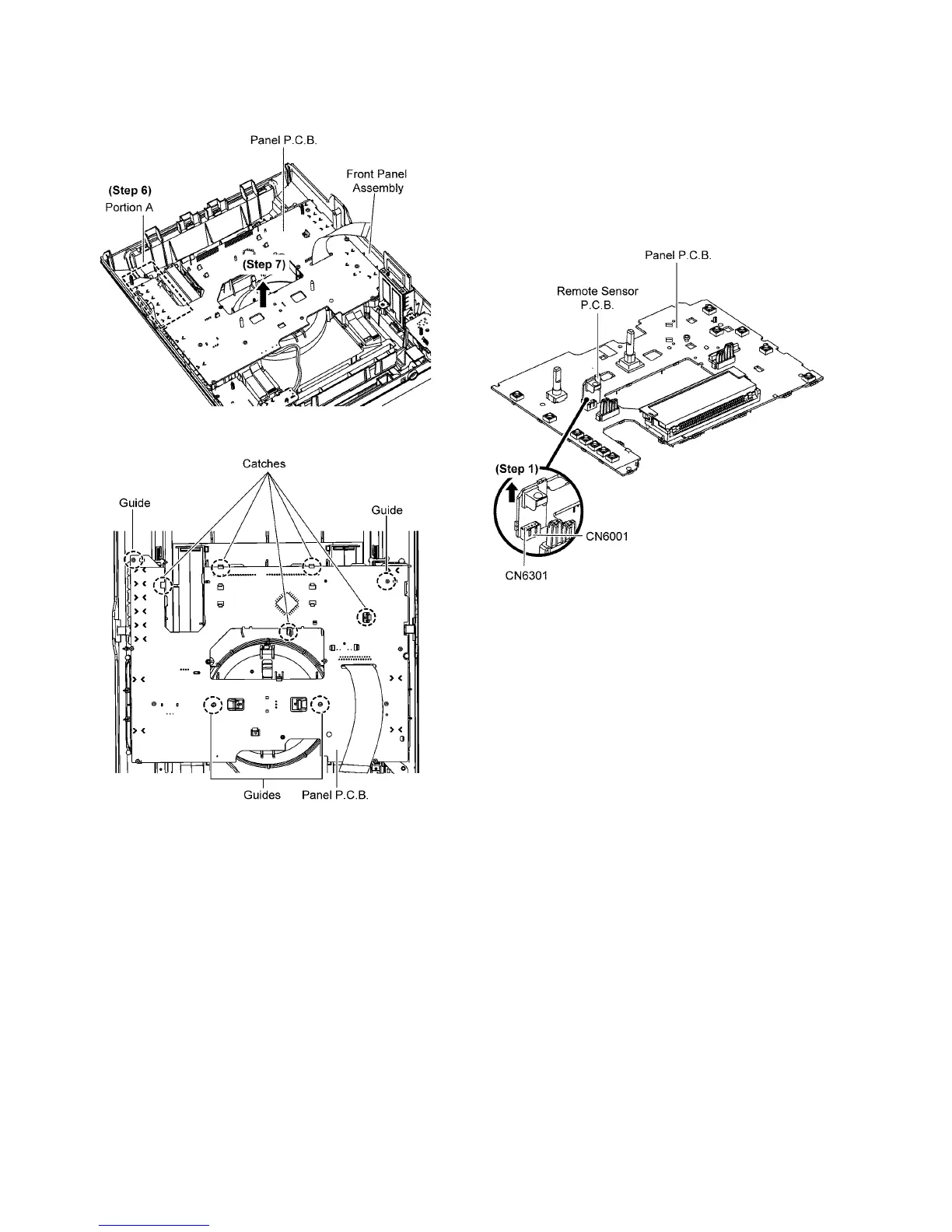
Step 6 Slightly release Portion A of Panel P.C.B. from Front
Panel Assembly.
Step 7 Remove Panel P.C.B..
Caution: During assembling, ensure that Panel P.C.B. is
seated properly through the Guides & fully catched.
9.7. Disassembly of Remote Sensor
P. C. B.
Refer to “Disassembly of Top Cabinet”.
Refer to “Disassembly of Front Panel Assembly”.
Refer to “Disassembly of Panel P.C.B.”.
Step 1 Remove Remote Sensor P.C.B..
Caution: During assembling, ensure that Sensor P.C.B. is
properly inserted & fully connected to Panel P.C.B..

Table of Contents

Related product manuals