EasyManua.ls Logo

Panasonic SA-AKX10PH - Replacement of Traverse Unit; Disassembling Procedures

Panasonic SA-AKX10PH
114 pages
Print Icon
To Next Page IconTo Next Page
To Next Page IconTo Next Page
To Previous Page IconTo Previous Page
To Previous Page IconTo Previous Page
Loading...
58
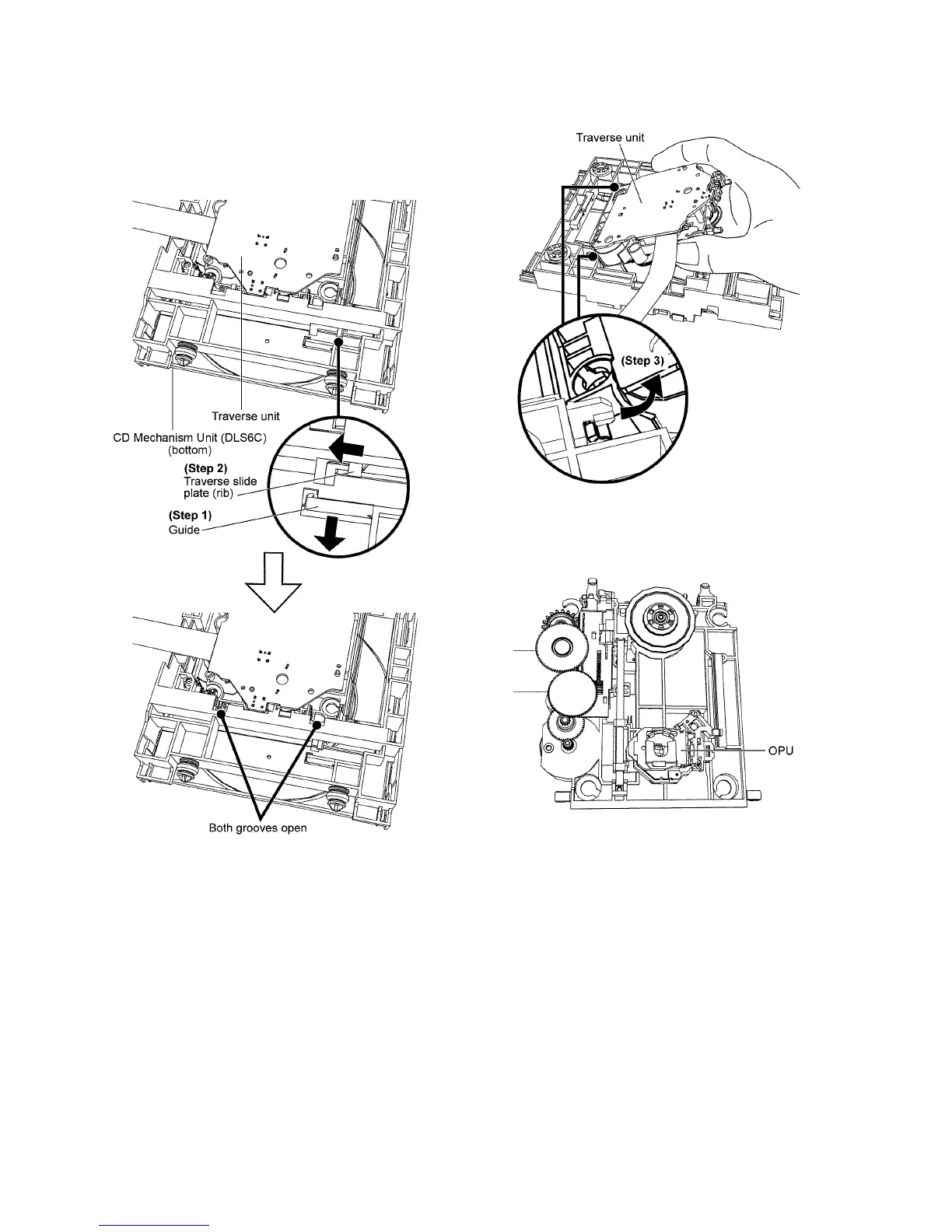
10 Replacement of Traverse Unit
10.1. Disassembling Procedures
Step 1 Release the guide.
Step 2 Push the Traverse Slide Plate (rib), ensure both grooves
are opened.
Step 3 Slide out the Traverse Unit as arrow shown.
Caution: Ensure the OPU is face upwards, avoid touching
the surface of the traverse unit.

Table of Contents

Related product manuals