EasyManua.ls Logo

Panasonic SA-AKX10PH - Replacement of Audio Digital Amp IC (IC5900)

Panasonic SA-AKX10PH
114 pages
Print Icon
To Next Page IconTo Next Page
To Next Page IconTo Next Page
To Previous Page IconTo Previous Page
To Previous Page IconTo Previous Page
Loading...
43
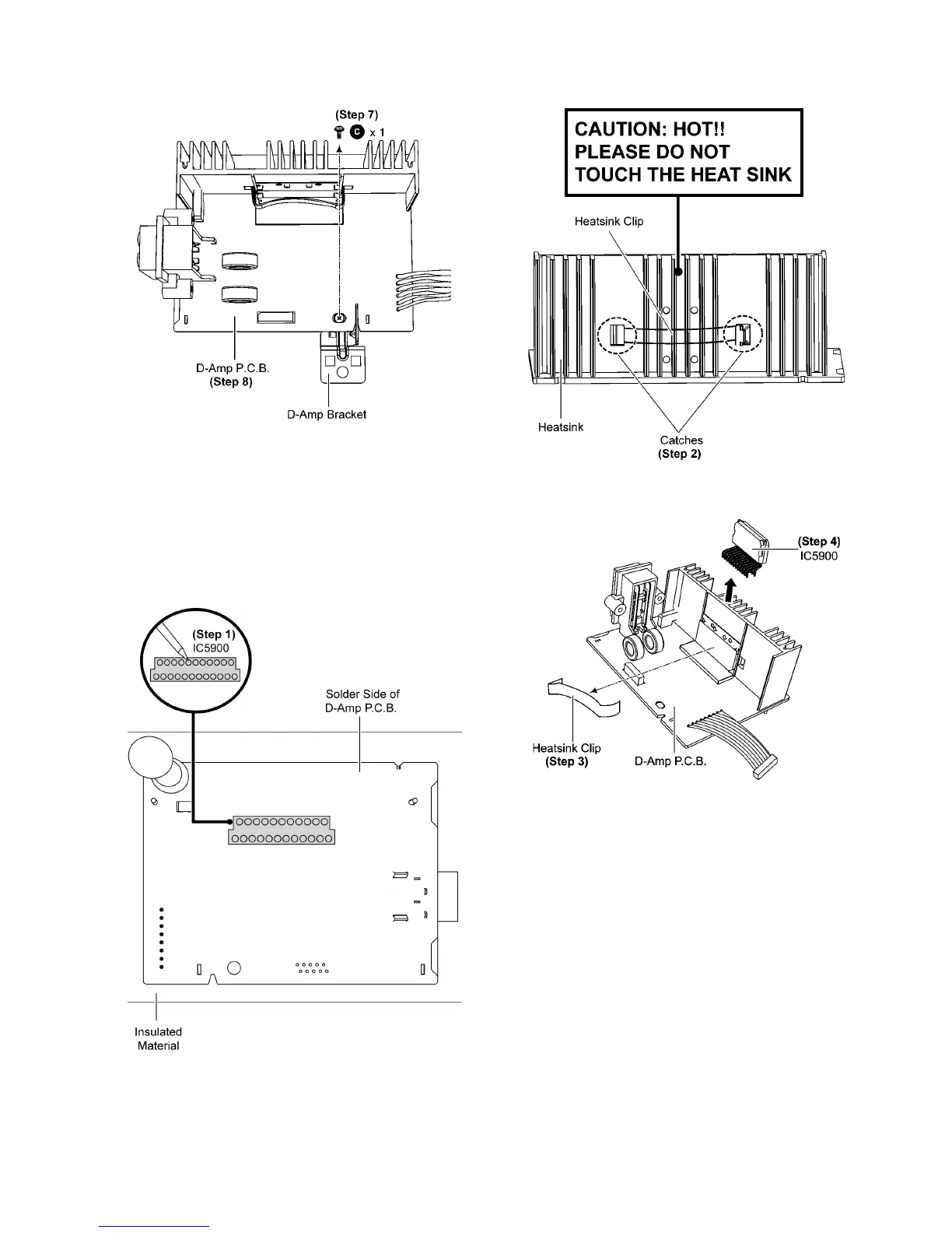
Caution: Keep the D-Amp Bracket in safe place, place it
back during assembling.
9.14. Replacement of Audio Digital
Amp IC (IC5900)
Refer to “Disassembly of D-Amp P.C.B.”.
9.14.1. Disassembly of Audio Digital Amp
IC (IC5900)
Step 1 Desolder pins of the Regulator IC (IC5900) on the sol-
der side of D-Amp P.C.B..
Step 2 Release 2 catches of Heatsink Clip.
Caution: During releasing of 2 catches, avoid touching the
Heatsink, due to high temperature.
Step 3 Remove Heatsink Clip.
Step 4 Remove Audio Digital Amp IC (IC5900).

Table of Contents

Related product manuals