EasyManua.ls Logo

Panasonic SA-MAX3500PU - System Block Diagrams; System Control Diagram

Panasonic SA-MAX3500PU
104 pages
Print Icon
To Next Page IconTo Next Page
To Next Page IconTo Next Page
To Previous Page IconTo Previous Page
To Previous Page IconTo Previous Page
Loading...
47
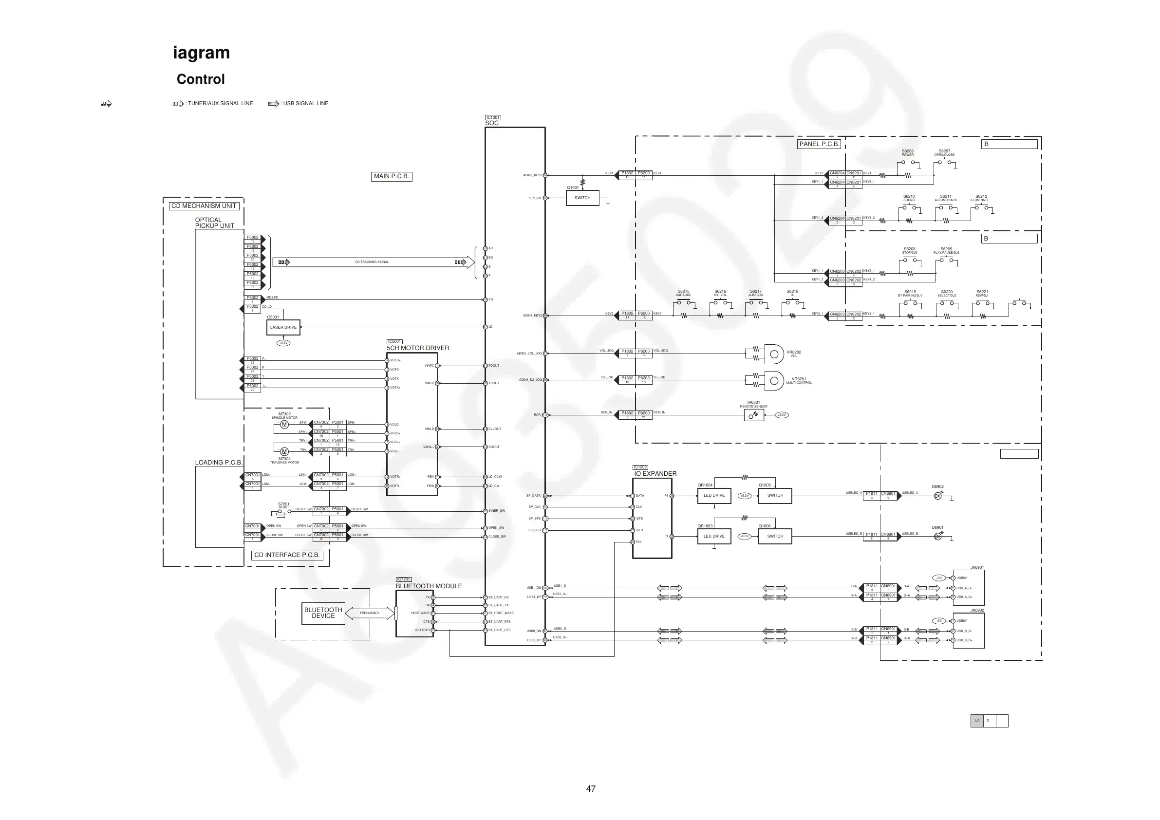
10 Block Diagram
10.1. System Control
: CD SIGNAL LINE
: USB SIGNAL LINE
: TUNER/AUX SIGNAL LINE
149
P6200P1802
VOL_JOGVOL_JOG
VOL
VR6202
1310
P6200P1802
DJ_JOGDJ_JOG
MULTI CONTROL
VR6201
ADIN3_VOL_JOG
ADIN4_DJ_JOG
37
38
+5V
1 USB5V
D-A
D+A
USB PORT A
(PLAY)
JK6901
2 USB_A_D-
3 USB_A_D+
USB_B_D-
USB_B_D+
D-A
D+A
33
CN6901P1811
44
CN6901P1811
+5V
1 USB5V
D-B
D+B
USB PORT B
(REC/PLAY)
JK6902
2
3
D-B
D+B
11
CN6901P1811
22
CN6901P1811
Q1001
SWITCH
KEY_INT 22
25
USB0_DP 98
USB0_DM 97
88
P1811 CN6901
USBLED_B USBLED_B
99
P1811 CN6901
USBLED_A
SOC
IC1001
+
+
AC50
BD51
E54
F55
PD56
LD57
TDOUT62
CLVOUT64
SDOUT63
72
73
74
LD_CCW28
LD_CW27
FDOUT61
56
CN7002 P5001
OPEN SW
83
CN7002 P5001
CLOSE SW
SPM-
92
CN7002 P5001
SPM+
10 1
CN7002 P5001
TRV+
110
CN7002 P5001
TRV-
29
CN7002 P5001
LDM+
38
CN7002 P5001
LDM-
LDM+
LDM-
47
CN7002 P5001
SPINDLE MOTOR
M7302
TRAVERSE MOTOR
M7301
CD INTERFACE P.C.B.
+3.3V
Q5001
LASER DRIVE
23VINLD
5CH MOTOR DRIVER
IC5001
IC7701
VOLD+17
VOLD-18
VOSL+11
VOSL-12
VOFC+14
VOFC-13
VOTK-16
VOTK+
F+
F-
T-
T+
CD-LD
MD/LPD
15
VOTR+10
VOTR-9
26VINTK
7REV
6FWD
23
P5002
24
P5002
21
P5002
22
P5002
6
P5002
5
P5002
OPEN SW
3
CN7001
CLOSE SW
1
CN7001
1VINFC
16
P5002
15
P5002
20
P5002
19
P5002
10
P5002
14
P5002
4VINSL+
OPTICAL
PICKUP UNIT
LOADING P.C.B.
CLOSE SW
OPEN SW
74
CN7002 P5001
RESET SW RESET SW
CLOSE_SW
OPEN_SW
INNER_SW
5
CN7001
LDM+
4
CN7001
LDM-
SPM-
SPM+
TRV+
TRV-
CD MECHANISM UNIT
CD TRACKING SIGNAL
RESET
S7201
MAIN P.C.B.
PANEL P.C.B.
BUTTON R P.C.B.
USB P.C.B.
1112
P6200P1802
KEY1
ADIN0_KEY1 34
KEY1
22
CN6201CN6204
KEY1
KEY1
44
CN6201CN6204
KEY1_1
KEY1_1
33
CN6201CN6204
KEY1_2
KEY1_2
22
CN6202CN6203
KEY2_1
KEY2_1
33
CN6202CN6203
KEY1_2
KEY1_2
44
CN6202CN6203
KEY1_1
KEY1_1
212
P6200P1802
+3.3V
REMOTE SENSOR
IR6301
REM_INREM_IN
RCR
118
SP_DATA
IO EXPANDER
IC1202
P5
P4
DATA 2617
SP_CLK
19
20
CLK18
SP_STB
115
117
/STB20
SP_CLR
/CLR21
P2424
USBLED_A
+5.3V
QR1804
LED DRIVE
Q1805
SWITCH
POWER
S6206
OPEN/CLOSE
S6207
STOP/DJ5
S6208
PLAY/PAUSE/DJ6
S6209
ILLUMINATION
S6212
SOUND
S6210
ALBUM\TRACK
S6211
1211
P6200P1802
KEY2
ADIN1_KEY2 35
KEY2
JUKEBOX
S6217
DJ
S6218
KARAOKE
S6215
MIC VOL
S6216
BLUETOOTH MODULE
TX
BT_UART_RX
RX
BT_UART_TX
HOST WAKE
BT_HOST_WAKE
LDO ON R
CTS
BT_UART_RTS
BLUETOOTH
DEVICE
FREQUENCY
2
4
11 2
14
13
12
13
15
+5.3V
QR1803
LED DRIVE
Q1806
SWITCH
D6901
D6902
BT_UART_CTS15
USB0_D-
USB0_D+
USB1_DP
USB1_DM
USB1_D-
USB1_D+
103
104
REW/DJ3
S6221
FWD/DJ4
S6222
BT-PAIRING/DJ1
S6219
SELECT/DJ2
S6220
BUTTON L P.C.B.
SA-MAX3500PU
3/32/31/3

Table of Contents

Related product manuals