EasyManua.ls Logo

Panasonic SA-MAX3500PU - Power Supply Diagram

Panasonic SA-MAX3500PU
104 pages
Print Icon
To Next Page IconTo Next Page
To Next Page IconTo Next Page
To Previous Page IconTo Previous Page
To Previous Page IconTo Previous Page
Loading...
52
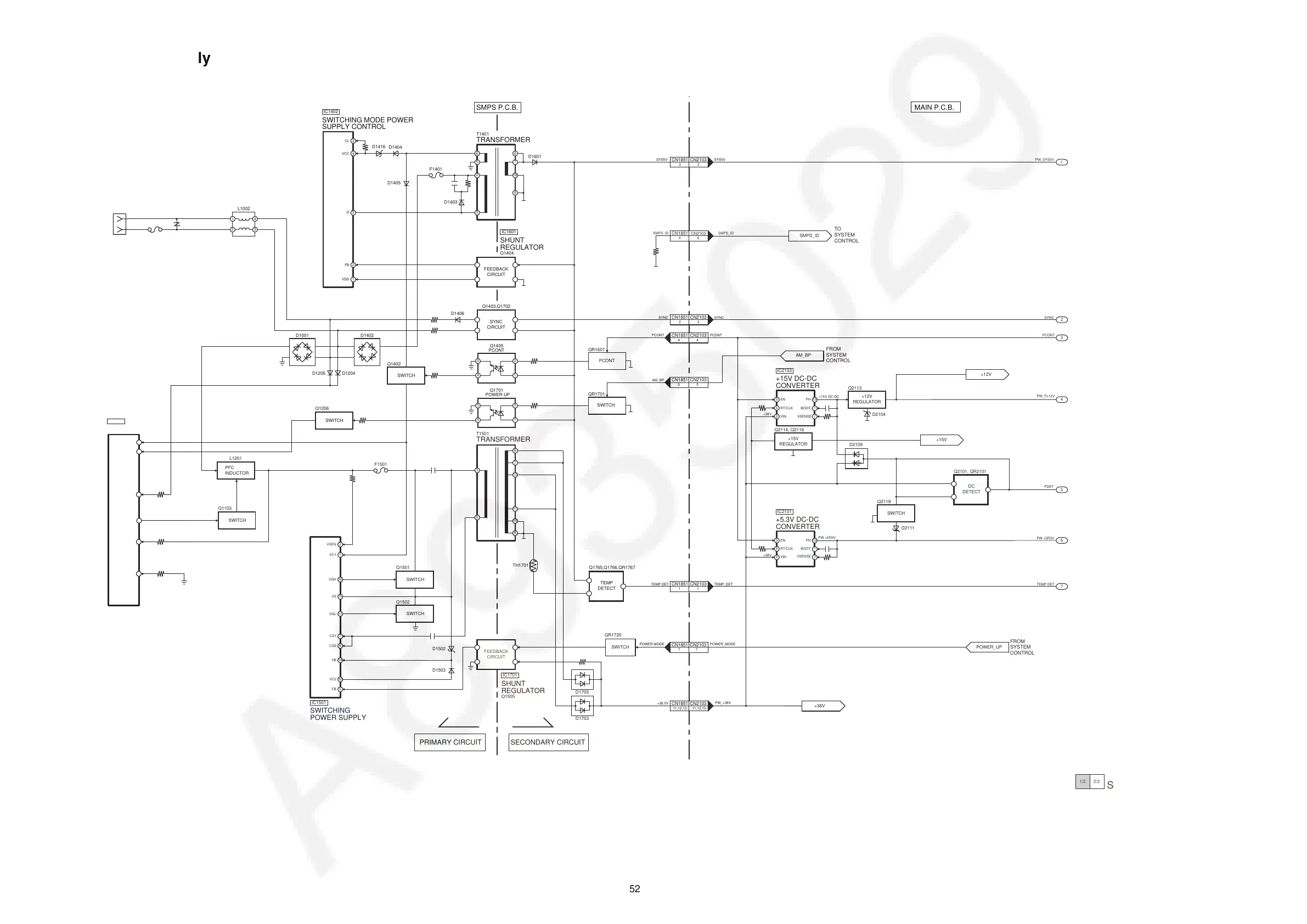
10.3. Power Supply
+38V
AC IN
P1001
F1501
F1401
DZ1001
77
CN2103CN1851
22
CN2103CN1851
11,12,13 11,12,13
CN2103CN1851
+38.5V
PW_+38V
POWER MODE POWER_MODE
33
CN2103CN1851
SYS5V SYS5V
SWITCHING MODE POWER
SUPPLY CONTROL
IC1402
SHUNT
REGULATOR
IC1701
TRANSFORMER
T1401
D1402D1001
D1601
D1403
D1404
D1406
D1405
D1703
D1705
FEEDBACK
CIRCUIT
FEEDBACK
CIRCUIT
SYNC
CIRCUIT
SYNC
QR1601
PCONT
QR1720
SWITCH
Q1402
SWITCH
Q1206
SWITCH
Q1502
SWITCH
Q1501
SWITCH
Q1103
SWITCH
L1201
PFC
INDUCTOR
3
4
2
1
Q1405
PCONT
SWITCHING
POWER SUPPLY
IC1501
PFCC CONTROL
IC1201
FB
SYNC
PCONT
44
CN2103CN1851
PCONT
QR1701
3
4
2
1
Q1701
POWER UP
55
CN2103CN1851
AM_BP
AM_BP
SMPS P.C.B.
5
VC1 1
CS1 7
VGL 11
VGH 16
VSEN 2
BOP 5
VSEN 6
ISEN 1
VS 15
CS2 8
VB 14
VC2 10
VCC 7
FREQ 4
GATE
8
TRANSFORMER
T1501
5
3
12
8
7
10
9
11
FB 2
VDD 1
D5
VCC 4
CL 3
5
6
3
2
7
8
10
9
D1502
D1503
D1204D1205
SECONDARY CIRCUITPRIMARY CIRCUIT
Q1505
SHUNT
REGULATOR
IC1601
Q1404
Q1403,Q1702
11
CN2103CN1851
TEMP_DETTEMP DET
F1001
SWITCH
+15V DC-DC
+38V
IC2103
+15V DC-DC
CONVERTER
2 VIN
PH
PH
7VSENSE
BOOT 1
310
EN
5 RT/CLK
L1002
1
2
4
3
D1416
TEMP
DETECT
Q1765,Q1766,QR1767
TH1701
PW_SYS5V
SYNC
PCONT
MAIN P.C.B.
PW +5R3V
+38V
IC2101
+5.3V DC-DC
CONVERTER
2 VIN
10
7
BOOT 1
3
EN
5 RT/CLK
TEMP DET
D2109
Q2113
+12V
REGULATOR
Q2114, Q2116
+15V
REGULATOR
D2104
Q2119
SWITCH
D2111
PW +5R3V
PW_FL12V
DC
DETECT
Q2101, QR2101
+12V
PDET
SA-MAX3500PU
2/21/2
VSENSE
FROM
SYSTEM
CONTROL
POWER_UP
2
3
4
5
6
7
1
FROM
SYSTEM
CONTROL
+15V
66
CN2103CN1851
SMPS_ID SMPS_ID
SMPS_ID
TO
SYSTEM
CONTROL

Table of Contents

Related product manuals