EasyManua.ls Logo

Panasonic SA-MAX3500PU - Page 51

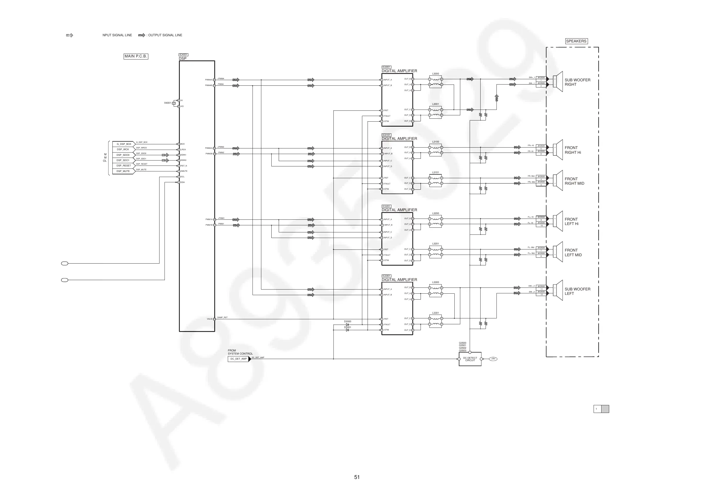
Panasonic SA-MAX3500PU
104 pages
Print Icon
To Next Page IconTo Next Page
To Next Page IconTo Next Page
To Previous Page IconTo Previous Page
To Previous Page IconTo Previous Page
Loading...
51
1
2
-
+
11
JK3500
12
JK3500
+
-
1
JK3500
2
JK3500
SUB WOOFER
RIGHT
SUB WOOFER
LEFT
SPEAKERS
: TUNER/AUX/MIC INPUT SIGNAL LINE
: OUTPUT SIGNAL LINE
SA-MAX3500PU
2/21/2
42 XO
41 XI
X4001
DSP
IC4001
MAIN P.C.B.
DSP_SDO0
8 SDIN1
10 BCK
9 LRCK
FROM
SYSTEM CONTROL
DIGITAL AMPLIFIER
IC3001
FROM
SYSTEM
CONTROL
DSP_SDO0
G_DSP_BCK
G_DSP_BCK
DSP_WRCK
DSP_WCK
PWM4A 34
L3000
1
4
2
3
L3001
4
1
3
2
5
INPUT_A
35
40
32
28
OUT_B
OUT_C
OUT_A
OUT_D
OUT_A
OUT_D
16
17
/FAULT
/OTW
PWM4B 33
6
INPUT_B
DIGITAL AMPLIFIER
IC3101
16
17
/FAULT
/OTW
DIGITAL AMPLIFIER
IC3301
L3300
1
4
2
3
L3301
4
1
3
2
35
40
32
28
39
27
OUT_B
OUT_C
OUT_A
OUT_D
OUT_A
OUT_D
16
17
/FAULT
/OTW
+PWM4
PWM1A 28
PWM1B 27
+PWM1
-PWM1
-PWM4
D3000
8
DSP_SDO1
6 SDIN3
DSP_SDO1
6
DSP_RESET
2 RST_N
DSP_RESET
DSP_MUTE
3 SMUTE
DSP_MUTE
5 SCL
4 SDA
Q3500
Q3501
DC DETECT
CIRCUIT
+38V
DC_DET_AMP
DC_DET_AMP
D3001
Q3503
Q3502
39
27
4
/RST
4
/RST
4
/RST
VALID 24
DAMP_RST
SW-_1
SW+_1
SW-_2
SW+_2
5
INPUT_A
6
INPUT_B
+
-
4
JK3500
3
JK3500
+
-
5
JK3500
6
JK3500
FRONT
RIGHT Hi
FRONT
RIGHT MID
L3100
1
4
2
3
L3101
4
1
3
2
35
40
32
28
OUT_B
OUT_C
OUT_A
OUT_D
OUT_A
OUT_D
39
27
FR- HI
FR+ Mid
FR+ HI
FR- Mid
14
INPUT_C
15
INPUT_D
PWM2A 30
5
INPUT_A
PWM2B 29
6
INPUT_B
+PWM2
-PWM2
DIGITAL AMPLIFIER
IC3201
16
17
/FAULT
/OTW
4
/RST
+
-
7
JK3500
8
JK3500
+
-
9
JK3500
10
JK3500
FRONT
LEFT Hi
FRONT
LEFT MID
L3200
1
4
2
3
L3201
4
1
3
2
35
40
32
28
OUT_B
OUT_C
OUT_A
OUT_D
OUT_A
OUT_D
39
27
FL- HI
FL+ Mid
FL+ HI
FL- Mid
14
INPUT_C
15
INPUT_D
5
INPUT_A
6
INPUT_B

Table of Contents

Related product manuals