EasyManua.ls Logo

Panasonic SA-MAX3500PU - Panel Circuit Schematic

Panasonic SA-MAX3500PU
104 pages
Print Icon
To Next Page IconTo Next Page
To Next Page IconTo Next Page
To Previous Page IconTo Previous Page
To Previous Page IconTo Previous Page
Loading...
70
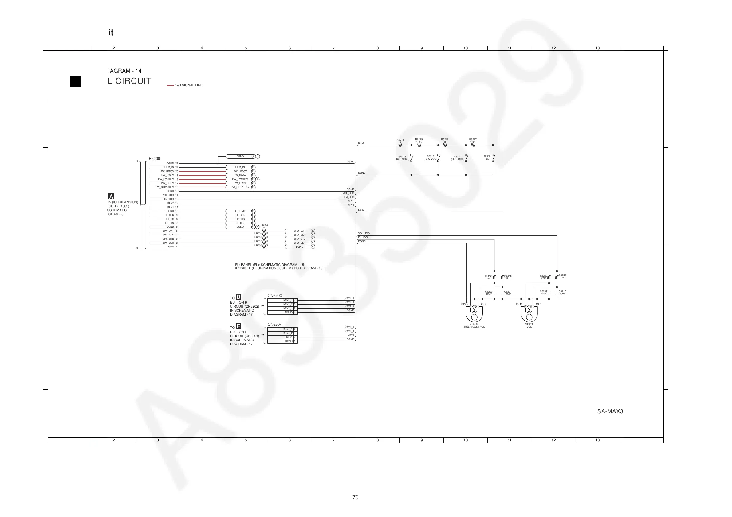
12.15. Panel Circuit
A
1
2 3 4 5 6 7 8 9 10 11 12 13 14
1 2 3 4 5 6 7 8 9 10 11 12 13 14
C
D
B
E
G
H
F
A
C
D
B
E
G
H
F
C
PANEL CIRCUIT
SCHEMATIC DIAGRAM - 14
SA-MAX3500PU
: +B SIGNAL LINE
A
TO
MAIN (IO EXPANSION)
CIRCUIT (P1802)
IN SCHEMATIC
DIAGRAM - 3
D
TO
BUTTON R
CIRCUIT (CN6202)
IN SCHEMATIC
DIAGRAM - 17
E
TO
BUTTON L
CIRCUIT (CN6201)
IN SCHEMATIC
DIAGRAM - 17
1
22
FL: PANEL (FL): SCHEMATIC DIAGRAM - 15
IL: PANEL (ILLUMINATION): SCHEMATIC DIAGRAM - 16
R6217
1.8K
S6216
S6218
12K
R6245
G2 G1
VR6202
VOL
C6209
100P
C6201
100P
C6200
100P
R6252
22K
R6246
22K
C6210
100P
12K
R6253
S6217
G2 G1
VR6201
MULTI CONTROL
R6215
1.8K
KEY2
0
R6214
R6216
1.2K
DGND
PW_SW3R3V
PW_FL12V
REM_IN
PW_SW5V
PW_LED5V
R6255
R6258
R6257
R6256
0
0
0
0
SPX_STB
SPX_CLK
DGND
SPX_CLR
SPX_DAT
2
1
4
3
CN6203
2
1
4
3
CN6204
KEY1_2
KEY1_1
DGND
KEY1
DGND
KEY1_2
KEY2_1
KEY1_1
FL_DIN
FL_CLK
FL_GND
FL1_CS
KEY1
DGND
0
R6254
PW_STBY3R3V
DJ_JOG
DGND
VOL_JOG
KEY2
DGND
DGND
FL
FL
FL
FL
FL IL
FL
FL
FL
FL
FL
FL
FL
IL
IL
IL
IL
IL
IL
IL
6
5
8
9
11
12
10
18
15
17
16
20
19
13
14
7
2
1
4
3
22
21
P6200
DGND
DJ_JOG
VOL_JOG
S6215
KEY2_1
(MIC VOL)
(DJ)
KEY1_2
KEY1
DGND
DGND
KEY1_1
KEY1_2
KEY2_1
KEY1_1
SPX_DAT
DGND
SPX_CLR
SPX_CLK
SPX_STB
DGND
FL1_CS
FL_CLK
DGND
FL_DIN
DGND
KEY1
KEY2
FL_GND
PW_FL12V
REM_IN
PW_SW5V
PW_LED5V
PW_SW3R3V
DJ_JOG
VOL_JOG
PW_STBY3R3V
(KARAOKE)
(JUKEBOX)
123123

Table of Contents

Related product manuals