EasyManua.ls Logo

Panasonic SA-MAX3500PU - Main Unit FE Circuit

Panasonic SA-MAX3500PU
104 pages
Print Icon
To Next Page IconTo Next Page
To Next Page IconTo Next Page
To Previous Page IconTo Previous Page
To Previous Page IconTo Previous Page
Loading...
58
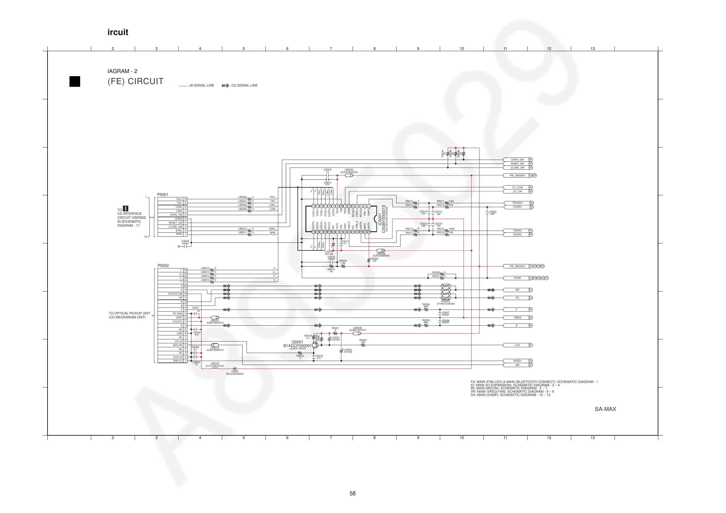
12.3. Main (FE) Circuit
A
1
2 3 4 5 6 7 8 9 10 11 12 13 14
1 2 3 4 5 6 7 8 9 10 11 12 13 14
C
D
B
E
G
H
F
A
C
D
B
E
G
H
F
A
MAIN (FE) CIRCUIT
SCHEMATIC DIAGRAM - 2
SA-MAX3500PU
: +B SIGNAL LINE
FA: MAIN (FAN LED) & MAIN (BLUETOOTH CONNECT): SCHEMATIC DIAGRAM - 1
IO: MAIN (IO EXPANSION): SCHEMATIC DIAGRAM - 3 ~ 4
MI: MAIN (MICON): SCHEMATIC DIAGRAM - 5 ~ 7
VR: MAIN (VREG FAN): SCHEMATIC DIAGRAM - 8 ~ 9
DA: MAIN (DAMP): SCHEMATIC DIAGRAM - 10 ~ 12
TO
CD INTERFACE
CIRCUIT (CN7002)
IN SCHEMATIC
DIAGRAM - 17
TO OPTICAL PICKUP UNIT
(CD MECHANISM UNIT)
1
10
I
: CD SIGNAL LINE
F
68K
R5006
R5038 0
R5037 0
R5011 6.8K
1K
R5034
R5013 47K
1K
R5035
1K
R5036
R5018 15K
R5016 100K
C5015
10P
C5013
10P
DGND
PW_SW3R3V
BD
PW_SW5R4V
INNER_SW
OPEN_SW
MI
MI
MI
MI
MI
MI
MI
MI
MI
IO MI VR DA
IO DA FAVR MI
MI
MI
MI
MI
MI
MI
MI
MI
FA VR
CLOSE_SW
68P
C5022
TRVDRV
FODRV
LD_CW
SPDRV
TRDRV
LD_CCW
86
5713
24
RX5001
D1H81034A042
AC
R5008
100
J0JHC0000045
LB5004
R5015
0
R5017
0
C5014
10P
R5012
0
R5014
0
C5016
10P
2200P
C5007
VBIAS
R5010
1K
T-
SPM-
SPM+
T+
1.2K
R5009
C5019
10V100
0.1
C5011
1000P
C5012
LB5013
F+
F-
T+
LB5012
C5010
0.01
J0JHC0000045
LB5003
10
C5009
F-
F+
LDM+
LDM-
TRV-
TRV+
TRV+
LB5010
LDM-
SPM-
SPM+
LDM+
LB5011
TRV-
LB5007
LB5006
LB5009
LB5008
0
0
0
0
0
0
12
27
4
223015 16 17 18 19 20 21
7813 9 2910111214
23 24
65 3
2625 28
IC5001
C0GBY0000213
5CH MOTOR DRIVER
J0JBC0000010
LB5001
LB5014
T-
LB5015
0
0
0
0
R5019
4.7
AGND1
MD
D5001
B0JCAE000001
G1C100KA0101
LB5002
LDO
100
R5022
LB5016
J0JBC0000010
Q5001
B1ADCF000001
LASER DRIVE
C5020
10V100
0
R5023
C5018
0.01
68K
R5005
E
R5020
100K
LB5005
J0JBC0000010
0
R5021
C5021
10V100
2200P
C5008
C5004
0.1
10
C5003
C5001
10
C5032
1000P
0.01
C5002
6
8
9
7
2
1
4
5
3
10
P5001
6
7
5
9
13
15
14
11
10
12
21
22
18
16
17
20
19
8
1
3
4
2
24
23
P5002
F
PD GND
NC
NC
NC
GND
E
NC
CD-LD
MD/LPD
GND-LD
DVD-LD
VREF
VCC(5V)
T+
F-
DGND
SPM-
SPM+
TRV-
TRV+
LDM-
LDM+
F+
D
B
A
C
RF
T-
OPEN_SW
CLOSE_SW
RESET_SW
CD/DVD SW
REGO2VINTK
VINFCMUTE
TRB_1BIAS
VOFC+
VOLD-
NC
VCC
VOTR-
VCTL
VOTR+
VOSL+
PVCC
VOSL-VOLD+
NC
VINSL+
REGO1
FWD
TRB_2
REVGND
FINFIN
VINLD
VOFC-VOTK-
VOTK+

Table of Contents

Related product manuals