EasyManua.ls Logo

Panasonic SA-MAX3500PU - Main (DAMP) Circuit (2;3)

Panasonic SA-MAX3500PU
104 pages
Print Icon
To Next Page IconTo Next Page
To Next Page IconTo Next Page
To Previous Page IconTo Previous Page
To Previous Page IconTo Previous Page
Loading...
67
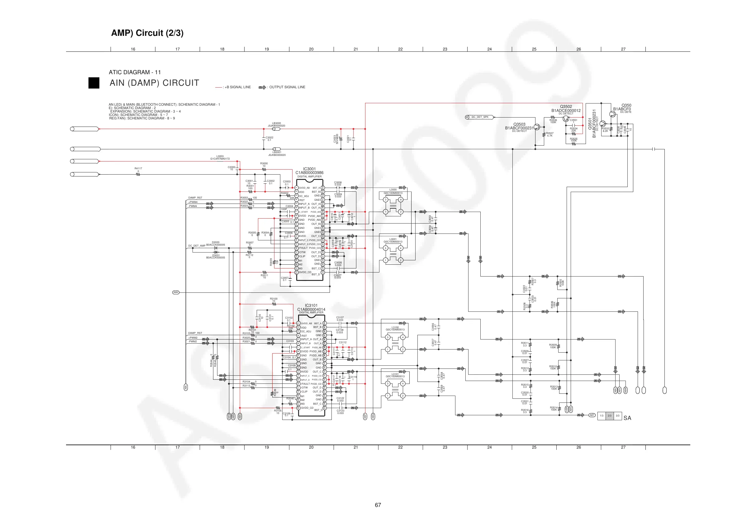
12.12. Main (DAMP) Circuit (2/3)
15 16 17 18 19 20 21 22 23 24 25 26 27 28
15 16 17 18 19 20 21 22 23 24 25 26 27 28
SCHEMATIC DIAGRAM - 11
SA-MAX3500PU
3/32/31/3
A
MAIN (DAMP) CIRCUIT
: +B SIGNAL LINE
: OUTPUT SIGNAL LINE
ABL
ABM
ABN
ABO
ABP
ABQ
ABR
ABS
ABT
ABU
ABV
ABW
ABY
ABZ
ACA
ABK
FA: MAIN (FAN LED) & MAIN (BLUETOOTH CONNECT): SCHEMATIC DIAGRAM - 1
FE: MAIN (FE): SCHEMATIC DIAGRAM - 2
IO: MAIN (IO EXPANSION): SCHEMATIC DIAGRAM - 3 ~ 4
MI: MAIN (MICON): SCHEMATIC DIAGRAM - 5 ~ 7
VR: MAIN (VREG FAN): SCHEMATIC DIAGRAM - 8 ~ 9
2
43
1
L3000
G0C100M00013
0.47
0.47
C3553
C3554
0.1
C3021
C3023
50V6800
C3019
1
C3012
1
1
C3011
100K
R3535
R3534
22K
0
C2662
R3537
4.7K
Q3500
B1ABCF000231
8.2K
R3533
C3550
10
C3549
10
Q3501
B1ABCF000231
DC DETECT
DC_DET_SPK
Q3502
B1ADCE000012
100K
R3536
B1ABCF000231
DC DETECT
DC DETECT
DC DETECT
Q3503
C3551
1
C3113
1
C3112
1
C3119
1
C3118
1
C3020
1
0.01
C3531
3.3
R3516
3.3
R3512
3.3
R3515
C3530
0.01
100K
R3514
100K
R3513
2
43
1
L3101
G0C100M00013
C3559
3.3
R3511
3.3
R3507
R3508
3.3
C3522
0.01
C3523
0.01
100K
R3509
R3505
100K
100K
R3506
100K
R3510
C3526
0.01
0.01
C3527
0.47
2
43
1
L3001
G0C100M00013
0.47
C3557 C3556
C3558
0.47 0.47
2
43
1
L3100
G0C100M00013
R3022
0
R3023
0
R3003
100
DAMP_RST
-PWM4
+PWM4
R3001
100
D3000
B0ACCK000005
DC_DET_AMP
D3001
B0ACCK000005
R3005
R3112
0
R3007
0
C3002
0.1
PGND
PW_MUX_+12V
PW_+38V
VR
MI
VR
VR
VR
C3022
0.1
G1C4R7MA0172
L3003
FL_GND
10
C3000
R4117
0
R3000
10
C3001
10
0.033
C3008
C3009
0.033
0.1
C3018
C3010
0.1
C3003
0.1
LB3001
J0JKB0000020
LB3000
J0JKB0000020
C3006
0.1
R3004
00
R3002
22K
100P
C3004
0.1
C3005
C3106
0.1
R3102
22K
C3102
0.1
0
R3546
100
R3103
R3020
0
R3113
0
R3104
0
R3021
0
R3101
10
+PWM2
-PWM2
DAMP_RST
R3545
R3544
0
0
C3104 0.1
C3103
1
C3105
0.1
R3539
0
10
R3105
R3100
10
C3101
0.1
C3100
10
C3007
0.1
R3009
100
R3011
10
C3111
0.1
C3108
0.033
0.033
C3107
1
43
191011
34
3635
121314
33
645
3938
4140
87
37
23
22 20 15161719 18
31
32282625 27 3029
21
24
32
42
44
C1AB00004014
IC3101
C3122
0.033
0.033
C3123
0.1
C3117
0.033
C3026
0.033
C3027
12
43
10
34 3635
12 11
33
6754
3938 4140
89
3723 25
22 20 15 131417 1619 18
31 322826 27 3029
21
24
3
42 44
IC3001
/FAULT
/OTW
/CLIP
GND
GND
GND
VDD
DVDD
/RST
GND
OC_ADJ
AVDD
INPUT_C
INPUT_B
INPUT_A
C_START
PVDD_CD
OUT_C
GND
GND
GND
GND
BST_A
OUT_A
OUT_A
BST_B
PVDD_CD
PVDD_AB
PVDD_AB
OUT_B
PVDD_AB
INPUT_D
OUT_D
OUT_D
PVDD_CD
GVDD_AB
C1AB00003986
DIGITAL AMPLIFIER
DIGITAL AMPLIFIER
M2
M1
M3
M3
M1
M2
BST_A
OUT_C
GND
OUT_D
GND
OUT_D
BST_D
BST_C
GND
GND
GND
GND
BST_B
OUT_B
OUT_A
OUT_A
BST_D
/FAULT
/CLIP
/OTW
GND
GND
INPUT_C
AVDD
INPUT_D
GVDD_CD
/RST
VDD
GVDD_AB
GND
DVDD
GND
OC_ADJ
C_START
INPUT_A
INPUT_B
PVDD_AB
PVDD_CD
PVDD_CD
PVDD_CD
PVDD_AB
PVDD_AB
GND
GND
BST_C
GVDD_CD

Table of Contents

Related product manuals