EasyManua.ls Logo

Panasonic SA-MAX3500PU - SMPS Circuit Schematic (Part 1)

Panasonic SA-MAX3500PU
104 pages
Print Icon
To Next Page IconTo Next Page
To Next Page IconTo Next Page
To Previous Page IconTo Previous Page
To Previous Page IconTo Previous Page
Loading...
75
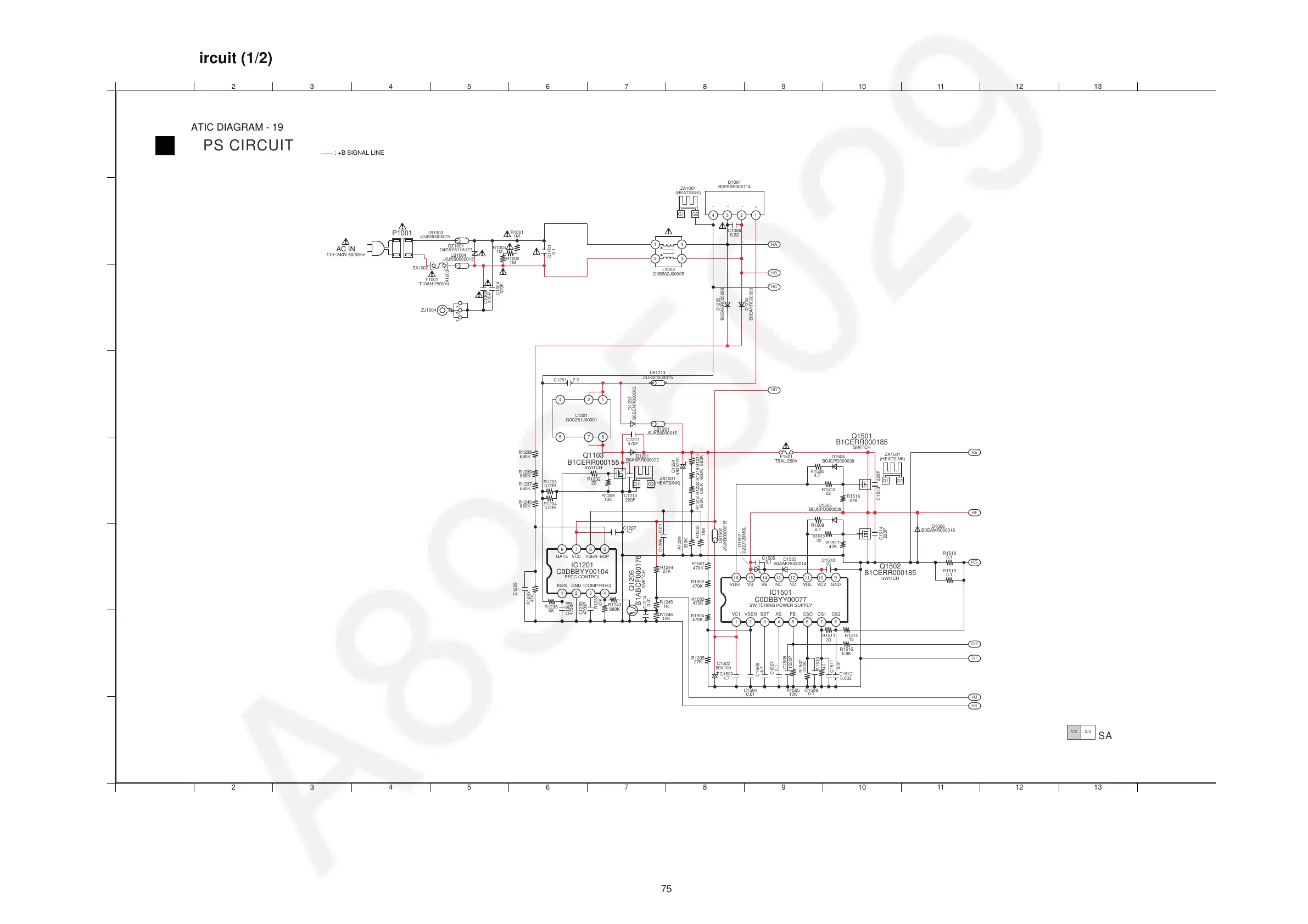
12.20. SMPS Circuit (1/2)
A
1
2 3 4 5 6 7 8 9 10 11 12 13 14
1 2 3 4 5 6 7 8 9 10 11 12 13 14
C
D
B
E
G
H
F
H
SMPS CIRCUIT
SCHEMATIC DIAGRAM - 19
SA-MAX3500PU
2/21/2
: +B SIGNAL LINE
AC IN
110~240V 50/60Hz
HA
HB
HC
HD
HE
HF
HG
HH
HI
HJ
HK
R1508
4.7
R1509
B0JCPD000039
D1504
R1512
22
4.7
R1516
47K
C1513 220P
B1CERR000185
Q1501
D1505
B0JCPD000039
R1513
22
47K
R1517
D1506
B0EAMR000018
C1514
220P
B1CERR000185
Q1502
R1510
47
R1507
220K
C1509
0.1
6.8K
R1515
0.01
C1511
C1512
0.033
R1518
0.1
R1519
0.1
C1510
10
R1511
33
18
R1514
C1224
450V220
785
2 14
L1201
G0C281J00001
2.2C1201
LB1201
J0JKB0000015
J0JKB0000015
LB1213
B0ECNR000003
D1203
C1211
470P
680K
R1240
680K
R1237
R1204
0.039
10K
R1209
R1202
22
680K
R1238
R1203
0.039
R1239
680K
Q1103
B1CERR000155
SWITCH
SWITCH
PFCC CONTROL
C1213
220P
D1201
B0AARR000022
4
3
1
2
L1002
G0B502J00005
321
ZJ1004
C1003
470P
ZA1003
C1004
470P
ZA1002
LB1004
J0JKB0000015
J0JKB0000015
LB1003
DZ1001
D4EAY511A127
P1001
R1003
1M
1M
R1002
1M
R1001
C1001
0.1
R1219
680K
R1217
680K680K
R1218
680K
R1222
D1205
B0EAKR000090
D1204
B0EAKR000090
C1006
0.22
~- ~
324
+
1
D1001
B0FBBR000114
C1206 0.01
C1207
4.7
LB1502
J0JKB0000015
R1229
470K
330K
R1230
18K
470K
R1501
F1501
C1506
4.7
C1508
1500P
R1233
47K
470K
R1503
27K
R1205
470K
R1504
R1246
10K
68
R1236
C1504
0.01
C1503
4.7
C1502
50V100
27K
R1244
0.1
C1505
D1502
DZ2J120M0L
R1245
1K
4700P
C1208
R1242
47K
1
C1209
680K
R1243
C1203
4700P
Q1206
B1ABCF000176
0.01
C1214
675
243
8
1
IC1201
C0DBBYY00104
R1502
B0AAKR000014
D1503
R1505
10K
C1507
0.1
7564321
1012141516 13 11
8
9
IC1501
C0DBBYY00077
SWITCHING POWER SUPPLY
T10AH 250V
F1001
NC
FB
NC
AS
GND
CS2CSO
VGL
CS1
VC2
VC1
VSVGH
ISEN GND ICOMPFREQ
VB
SSTVSEN
T5AL 250V
VSEN BOPVCCGATE
SWITCH
SWITCH
G2G1
(HEATSINK)
ZA1501
G2G1
(HEATSINK)
ZA1001
G2G1
ZA1201
(HEATSINK)

Table of Contents

Related product manuals