EasyManua.ls Logo

Panasonic SA-MAX3500PU - Panel (FL) Circuit

Panasonic SA-MAX3500PU
104 pages
Print Icon
To Next Page IconTo Next Page
To Next Page IconTo Next Page
To Previous Page IconTo Previous Page
To Previous Page IconTo Previous Page
Loading...
71
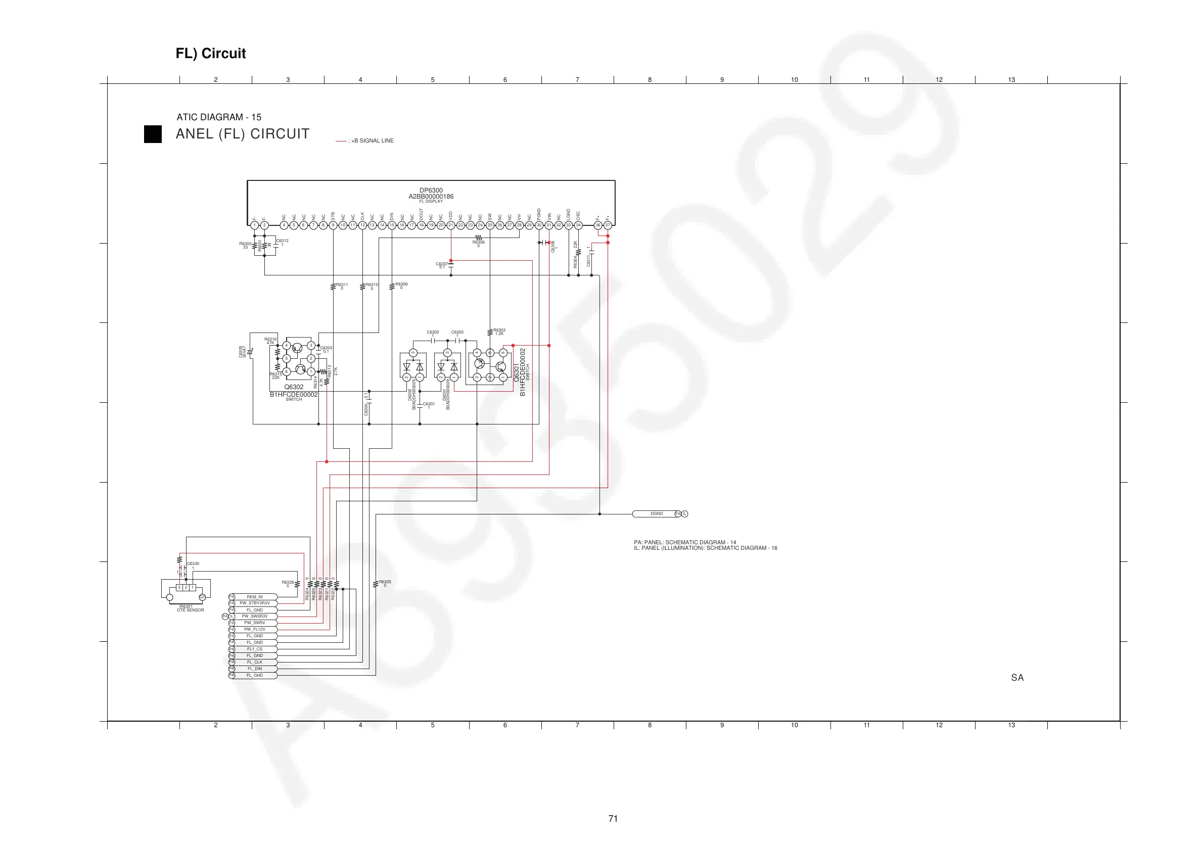
12.16. Panel (FL) Circuit
A
1
2 3 4 5 6 7 8 9 10 11 12 13 14
1 2 3 4 5 6 7 8 9 10 11 12 13 14
C
D
B
E
G
H
F
A
C
D
B
E
G
H
F
C
PANEL (FL) CIRCUIT
SCHEMATIC DIAGRAM - 15
SA-MAX3500PU
: +B SIGNAL LINE
PA: PANEL: SCHEMATIC DIAGRAM - 14
IL: PANEL (ILLUMINATION): SCHEMATIC DIAGRAM - 16
DGND
PA
PA
PA
PA
ILPA
PA
PA
PA
PA
PA
PA
PA
PA
PA
IL
C6306
1
R6306
0
C6312
1
1C6311
R6304 22K
323022 2423 2518 2019 211711 1412 1513 161047512 869 31 36 37332826 27 29 34
A2BB00000186
FL DISPLAY
DP6300
R6325
0
0
R6326
PW_STBY3R3V
REM_IN
G2
213
G1
IR6301
REMOTE SENSOR
FL_GND
FL_GND
FL_CLK
FL_GND
FL1_CS
FL_GND
PW_SW3R3V
FL_GND
PW_FL12V
PW_SW5V
0R6320
0R6323
R6330
0
C6330
1
1
C6331
0R6324
0R6321
0R6322
0.1C6304
R6310
0
R6301
39
R6300
33
2
3
1
5
4
6
Q6302
B1HFCDE00002
SWITCH
47K
R6316
35V47
C6305
22K
R6315
R6313
2.7K
R6314
4.7K
C6303
0.1
R6311
0
1.2K
R6303
2
3
1
5
4
6
B1HFCDE00002
SWITCH
Q6301
1
C6302
C6301
1
3
1
2
B0ADDH000009
D6302
1
C6300
3
1
2
B0ADDH000009
D6301
C6307
0.1
F+
F+
LGND
OSC
F-
F-
CLK
STB
VH
SW
VIN
NC
NC
NC
NC
NC
NC
NC
NC
NC
NC
NC
NC
NC
NC
NC
NC
NC
NC
NC
NC
VDD
DOUT
PGND
DIN
R6309
0
FL_DIN

Table of Contents

Related product manuals