EasyManua.ls Logo

Panasonic SA-MAX3500PU - Microphone Circuit Schematic

Panasonic SA-MAX3500PU
104 pages
Print Icon
To Next Page IconTo Next Page
To Next Page IconTo Next Page
To Previous Page IconTo Previous Page
To Previous Page IconTo Previous Page
Loading...
74
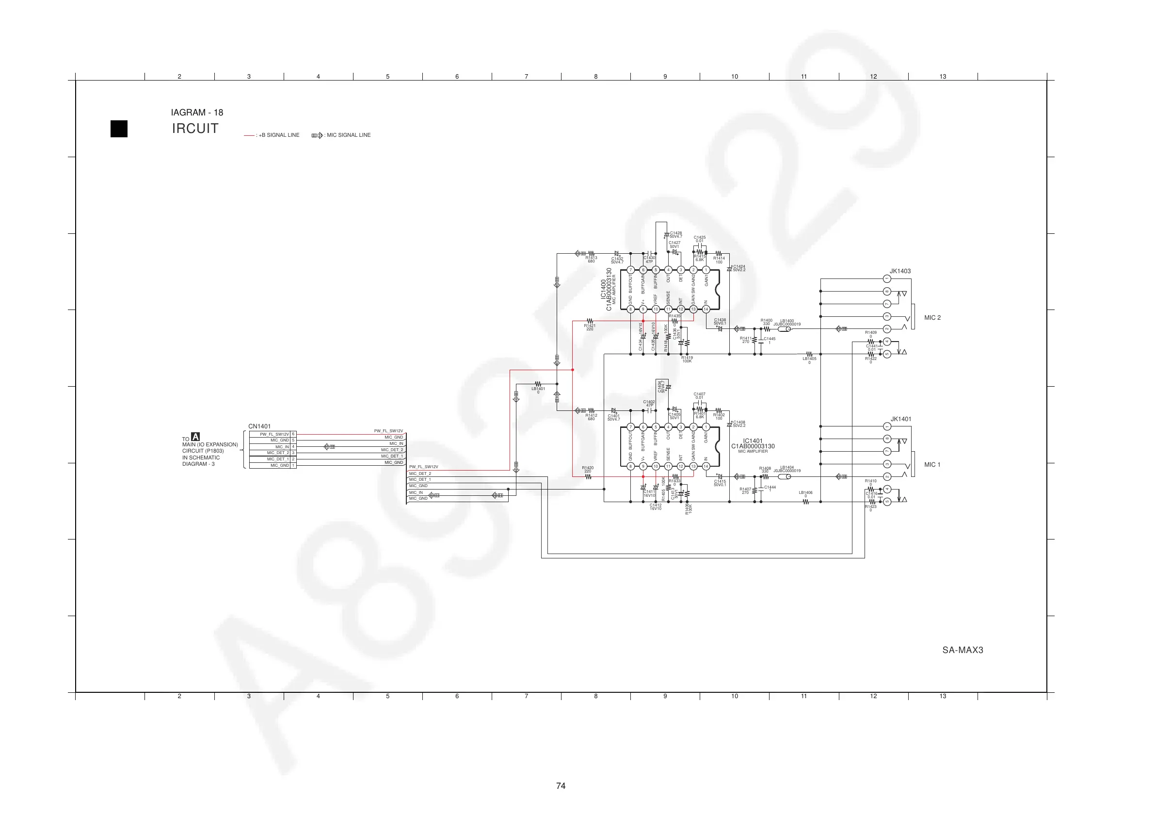
12.19. Mic Circuit
A
1
2 3 4 5 6 7 8 9 10 11 12 13 14
1 2 3 4 5 6 7 8 9 10 11 12 13 14
C
D
B
E
G
H
F
A
C
D
B
E
G
H
F
G
MIC CIRCUIT
SCHEMATIC DIAGRAM - 18
SA-MAX3500PU
A
TO
MAIN (IO EXPANSION)
CIRCUIT (P1803)
IN SCHEMATIC
DIAGRAM - 3
: +B SIGNAL LINE
: MIC SIGNAL LINE
MIC 2
MIC 1
LB1400
J0JBC0000019
0
R1409
R1422
0
0.01
C1441
LB1405
0
C1438
50V0.1
C1445
1
C1408
50V2.2
R1402
100
R1401
6.8K
C1407
0.01
R1414
100
C1424
50V2.2
R1400
330
R1411
270
5423781
JK1403
R1415
6.8K
C1425
0.01
J0JBC0000019
LB1404
R1408
330
R1407
270
C1444
1
C1415
50V0.1
R1423
0
0
R1410
C1416
0.01
LB1406
0
5423781
JK1401
R1412
680
MIC_GND
PW_FL_SW12V
0
LB1401
680
R1413
R1421
220
47P
C1402
R1435
0
50V1
C1427
C1435
16V10
C1428
50V4.7
C1405
50V1
C1436
50V1
R1419
100K
C1404
50V4.7
R1418 100K
47P
C1430
C1434
16V10
50V4.7
C1432
564 123
9 11 13 141210
7
8
IC1400
C1AB00003130
C1401
50V4.7
R1405 100K
C1412
16V10
R1433
0
220
R1420
MIC_IN
MIC_DET_1
MIC_GND
MIC_DET_2
2
4
3
1
6
5
CN1401
MIC_GND
MIC_IN
PW_FL_SW12V
MIC_GND
C1411
16V10
C1413
50V1
R1406
100K
MIC_DET_1
564 123
9 11 13 141210
7
8
IC1401
C1AB00003130
MIC AMPLIFIER
MIC AMPLIFIER
MIC_DET_2
V+
VREF
VREF
V+
BUFFIN
BUFFGAIN
BUFFOUT
GND
MIC_GND
MIC_IN
MIC_GND
MIC_DET_2
PW_FL_SW12V
MIC_DET_1
GND
BUFFIN
BUFFGAIN
BUFFOUT
IN
SENSE
INT
GAIN SW
IN
GAIN1
DET
INT
OUT
SENSE
GAIN SW
GAIN2
GAIN1
OUT
GAIN2
DET

Table of Contents

Related product manuals