EasyManua.ls Logo

Panasonic SA-MAX3500PU - Main Unit Fan LED & Bluetooth Circuit

Panasonic SA-MAX3500PU
104 pages
Print Icon
To Next Page IconTo Next Page
To Next Page IconTo Next Page
To Previous Page IconTo Previous Page
To Previous Page IconTo Previous Page
Loading...
57
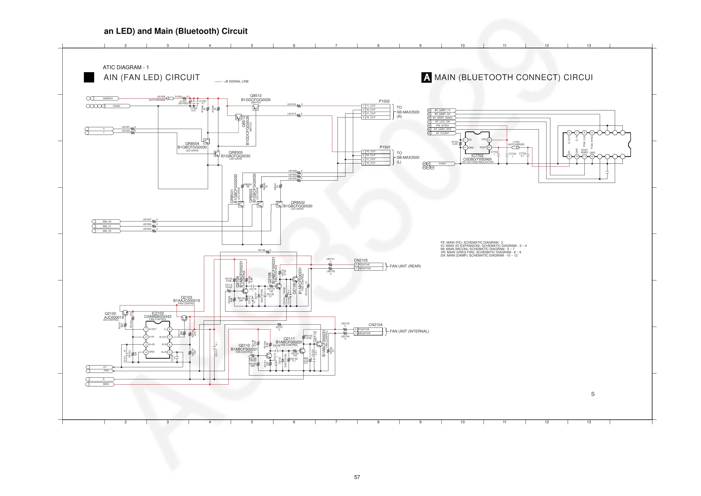
12.2. Main (Fan LED) and Main (Bluetooth) Circuit
A
1
2 3 4 5 6 7 8 9 10 11 12 13 14
1 2 3 4 5 6 7 8 9 10 11 12 13 14
C
D
B
E
G
H
F
A
C
D
B
E
G
H
F
A
MAIN (BLUETOOTH CONNECT) CIRCUIT
A
MAIN (FAN LED) CIRCUIT
SCHEMATIC DIAGRAM - 1
SA-MAX3500PU
: +B SIGNAL LINE
FAN UNIT (INTERNAL)
FAN UNIT (REAR)
TO
SB-MAX3500
(R)
TO
SB-MAX3500
(L)
FE: MAIN (FE): SCHEMATIC DIAGRAM - 2
IO: MAIN (IO EXPANSION): SCHEMATIC DIAGRAM - 3 ~ 4
MI: MAIN (MICON): SCHEMATIC DIAGRAM - 5 ~ 7
VR: MAIN (VREG FAN): SCHEMATIC DIAGRAM - 8 ~ 9
DA: MAIN (DAMP): SCHEMATIC DIAGRAM - 10 ~ 12
C7701
0.1
L7700
J0JYC0000305
0.1
C7700
2.2K
R7701
DGND
1
C7702
1
C7703
PW_SYS5V
BT_HOST_WAKE
BT_LDO_ON
BT_PCONT
BT_UART_RTS
BT_UART_TX
MI
MI
MI
MI
VR
IO
IO
BT_UART_RX
1
4
2
3
C0DBGYY00969
+5V VOLTAGE REGULATOR
IC7702
756 124 3
10 12 14 15 161311
8
9
IC7701
RSNE031B0
BLUETOOTH MODULE
CE
VOUT
VDD
GND
LDO_ON_R
RX
D_IN
TX
GND
GND
CTS
GND
GND
GND
D_OUT
GND
PCM_SYNC
PCM_CLK
5V
HOST
WAKE
LB1519
B1GDCFGG0026
SWITCH
SWITCH
LED DRIVE
LED DRIVE
LED DRIVE
LED DRIVE
LED DRIVE
LB1518
0
0
B1GDCFGG0026
Q8513
Q8512
2
1
4
3
P1502
1K
1K
R1509
R1508
220
R2151
C2131
1
82K
R2150
R2141
470K
R2137
100
R2148
6.8K
R2146 0
R2135
0.1
C2121
10
D2101
DA2J10100L
R2149
270K
51
R8541
B1GBCFGG0030
B1GBCFGG0030
1
2
CN2104
0
0
LB2101
LB2102
0
R2147
Q2108
R2143 27
Q2106
C2126 0.1
C2124 10V22
0
R8540
51
QR8502
R8539
56
B1GBCFGG0030
QR8503
QR8501
1
2
CN2105
Q2110
B1ABCF000231
100
R2154
R2152
0.1
D2103
DA2J10100L
C2133
0.01
R2155
27
Q2112
B1ABCF000231
10V22
C2132
R2153
470K
B1ABCF000231
Q2111
C2129
1
0
LB2103
LB2104
LB1528
LB1530
LB1529
0
0
0
QR8504
B1GBCFGG0030
QR8505
B1GBCFGG0030
2
1
4
3
P1501
PW_SW5R4V
PWM_Y0
PWM_Y1
LB1502
LB1501
0
0
Q2103
B1AAJC000019
0.1C2174
R2118
47K
R2119
12K
R2117
680
PWM_X1
LB1507
LB1506
PWM_X0
680
R2101
Q2100
B1AAJC000019
R2102 47K
MGND
PW_SW15R0V
FAN_OUT
DC_DET_FAN
C2101 10
R2103
12K
PWM_X2
10
C2108
LB1505
0
0
0
6
7
5
2
4
3
81
C0ABBB000342
IC2102
82K
R2126
270K
R2125
10V22
C2113
R1502 2.2
LB1509
J0JYC0000656
DGND
VRFE
DAMI
MI
MI
MI
MI
MI
IO
IO
VR
VR
VRIOFE
DAMI
VRIOFE
C2118
1
C2130
10V22
B1ABCF000231
FAN CONTROL
FAN CONTROL
FAN CONTROL
FAN CONTROL
FAN CONTROL
FAN CONTROL
FAN CONTROL
FAN CONTROL
FAN CONTROL
B1ABCF000231
B1ABCF000231
Q2104
R2130
220
C1501
0.1
R2129
6.8K
C1503
0.01
C1507
25V1000
NEGATIVE
POSITIVE
NEGATIVE
POSITIVE
X0_OUT
Y1_OUT
X2_OUT
X1_OUT
X0_OUT
Y0_OUT
X2_OUT
X1_OUT
A+IN
A-IN
B-IN
B OUT
V+
A OUT
GND
B+IN

Table of Contents

Related product manuals