EasyManua.ls Logo

Panasonic SA-MAX3500PU - Audio Signal Path Diagram

Panasonic SA-MAX3500PU
104 pages
Print Icon
To Next Page IconTo Next Page
To Next Page IconTo Next Page
To Previous Page IconTo Previous Page
To Previous Page IconTo Previous Page
Loading...
50
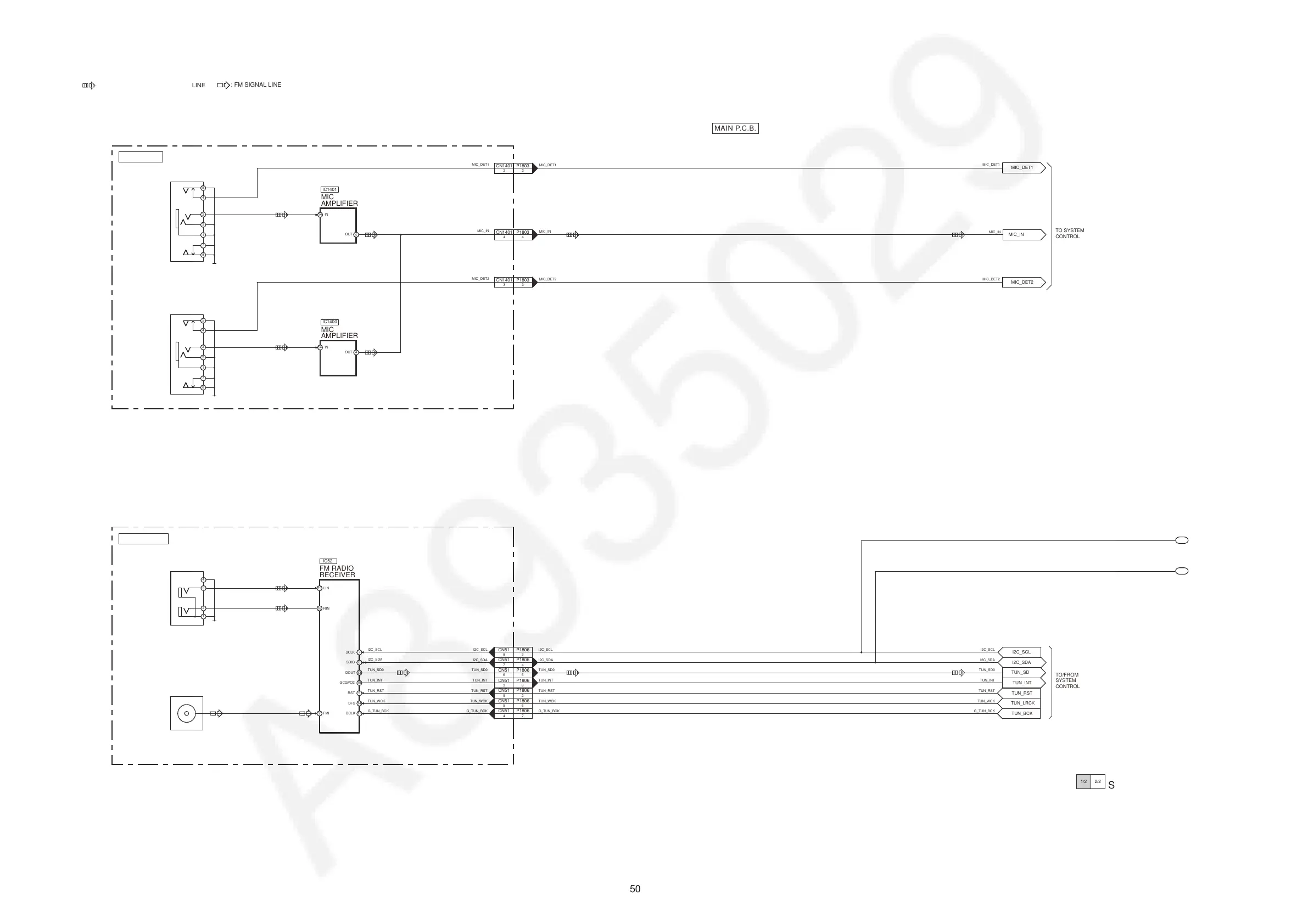
10.2. Audio
1
2
7
8
5
MAIN P.C.B.
TUNER P.C.B.
TUN_INT
TUN_LRCK
JK6002
AUX IN
2
1
3
4
FM ANT
JK51
FM RADIO
RECEIVER
IC52
2 FMI
SCLK
GCGPO2 18
DOUT 13
DFS 14
LIN
I2C_SCL
I2C_SDA
I2C_SCL
I2C_SDA
TUN_SD0
TUN_INT
TUN_RST
TUN_WCK
G_TUN_BCK
I2C_SCL
I2C_SDA
TUN_SD0
TUN_INT
TUN_RST
TUN_WCK
G_TUN_BCK
I2C_SCL
I2C_SDA
TUN_SD0
TUN_INT
TUN_RST
TUN_WCK
G_TUN_BCK
TUN_SD0
TUN_INT
TUN_RST
TUN_WCK
G_TUN_BCK
RIN
15
16
DCLK 17
SDIO
RST
TO/FROM
SYSTEM
CONTROL
22
CN1401 P1803
MIC_DET1
MIC_DET1
33
CN1401 P1803
MIC_DET2
MIC_DET2
44
CN1401 P1803
MIC_IN
MIC_IN
MIC_DET1
MIC_IN
I2C_SCL
MIC 1
JK1401
2
3
1
7
8
5
4
MIC
AMPLIFIER
IC1401
TUN_BCK
TUN_RST
TUN_SD
I2C_SDA
14
4
TO SYSTEM
CONTROL
MIC_DET1
MIC_DET2
MIC_DET2
MIC_IN
MIC 2
JK1403
2
3
1
7
8
5
4
MIC
AMPLIFIER
IC1400
14
4
MIC P.C.B.
56
83
38
CN51 P1806
CN51 P1806
CN51 P1806
CN51 P1806
CN51 P1806
CN51 P1806
CN51 P1806
47
29
65
74
4
OUT
IN
IN
OUT
SA-MAX3500PU
2/21/2
: TUNER/AUX/MIC INPUT SIGNAL LINE
: FM SIGNAL LINE

Table of Contents

Related product manuals