EasyManua.ls Logo

Panasonic SA-MAX3500PU - Panel (Illumination) Circuit

Panasonic SA-MAX3500PU
104 pages
Print Icon
To Next Page IconTo Next Page
To Next Page IconTo Next Page
To Previous Page IconTo Previous Page
To Previous Page IconTo Previous Page
Loading...
72
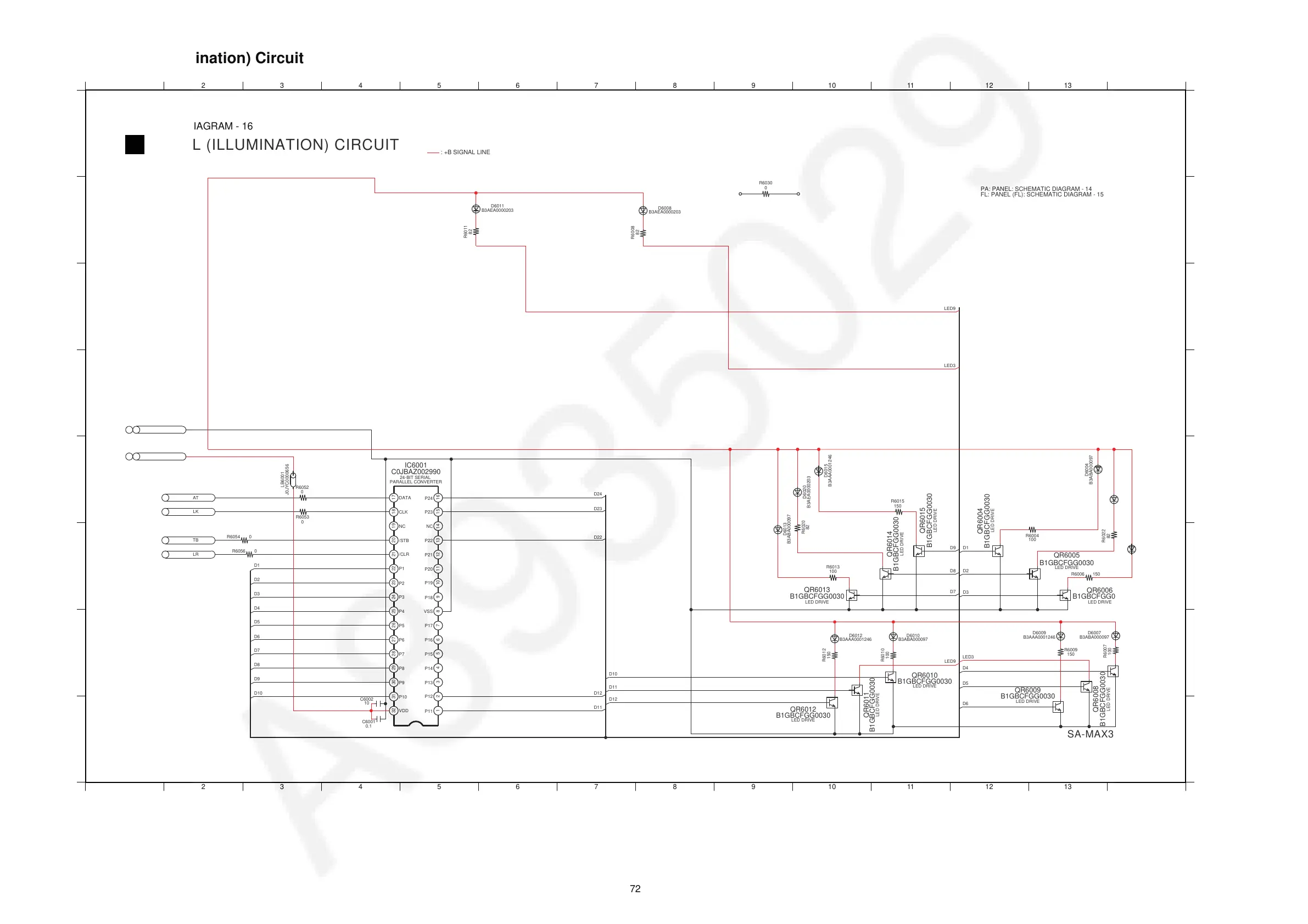
12.17. Panel (Illumination) Circuit
A
1
2 3 4 5 6 7 8 9 10 11 12 13 14
1 2 3 4 5 6 7 8 9 10 11 12 13 14
C
D
B
E
G
H
F
A
C
D
B
E
G
H
F
C
PANEL (ILLUMINATION) CIRCUIT
SCHEMATIC DIAGRAM - 16
SA-MAX3500PU
: +B SIGNAL LINE
PA: PANEL: SCHEMATIC DIAGRAM - 14
FL: PANEL (FL): SCHEMATIC DIAGRAM - 15
D3
D7
SPX_STB
R6054
SPX_DAT
D9
B3AAA0001246
D6006
D1
QR6015
B1GBCFGG0030
QR6004
D2
D8
0
R6052
82
R6008
B3AEA0000203
D6008
B3AEA0000203
D6011
82
R6011
LED9
0
R6030
LED3
82
R6022
R6004
100
150
R6015
R6020
82
B3ABA000097
D6013
B3AEA0000203
D6022
B3ABA000097
D6004
B3AAA0001246
D6015
B3AEA0000203
D6020
J0JYC0000656
LB6001
SPX_CLK
QR6006
QR6013
B1GBCFGG0030
B1GBCFGG0030
QR6005
R6006 150
QR6014
100
R6013
R6053
0
R6056
0
0
SPX_CLR
D11
D12
QR6012
D12
B3ABA000097
D6010
D4
100
R6007
150
R6009
150
R6012
D6
D5
QR6008
QR6009
QR6010
QR6011
LED3
QR6007
B1GBCFGG0030
B1GBCFGG0030
B1GBCFGG0030
B1GBCFGG0030
B1GBCFGG0030
LED DRIVE
LED DRIVE
LED DRIVE
LED DRIVE
LED DRIVE
LED DRIVE
LED DRIVE
LED DRIVE
LED DRIVE
LED DRIVE
LED DRIVE
LED DRIVE
B1GBCFGG0030
B1GBCFGG0030
B1GBCFGG0030
B1GBCFGG0030
100
R6010
LED9
D10
D11
D10
C6001
B3AAA0001246
D6009
B3AAA0001246
D6012
B3ABA000097
D6007
26 252728 1718202224 23 21 19
89765 16151413121110312
3032 31
4
29
IC6001
C0JBAZ002990
24-BIT SERIAL
PARALLEL CONVERTER
C6002
0.1
10
D5
D4
D8
D7
D9
D6
D2
D1
D3
PW_SW3R3V
DGND
FLPA
FLPA
PA
PA
PA
PA
P20
P19
VSS
P18
P12
P13
P14
P11
P16
P15
P17
P1
P6
P5
P7
P9
P8
P4
P2
P3
VDD
P10
NC
P23
P24
P22
P21
NC
CLK
/STB
DATA
/CLR
D22
D24
D23

Table of Contents

Related product manuals