EasyManua.ls Logo

Panasonic SA-MAX3500PU - Button, USB, CD Interface Circuits

Panasonic SA-MAX3500PU
104 pages
Print Icon
To Next Page IconTo Next Page
To Next Page IconTo Next Page
To Previous Page IconTo Previous Page
To Previous Page IconTo Previous Page
Loading...
73
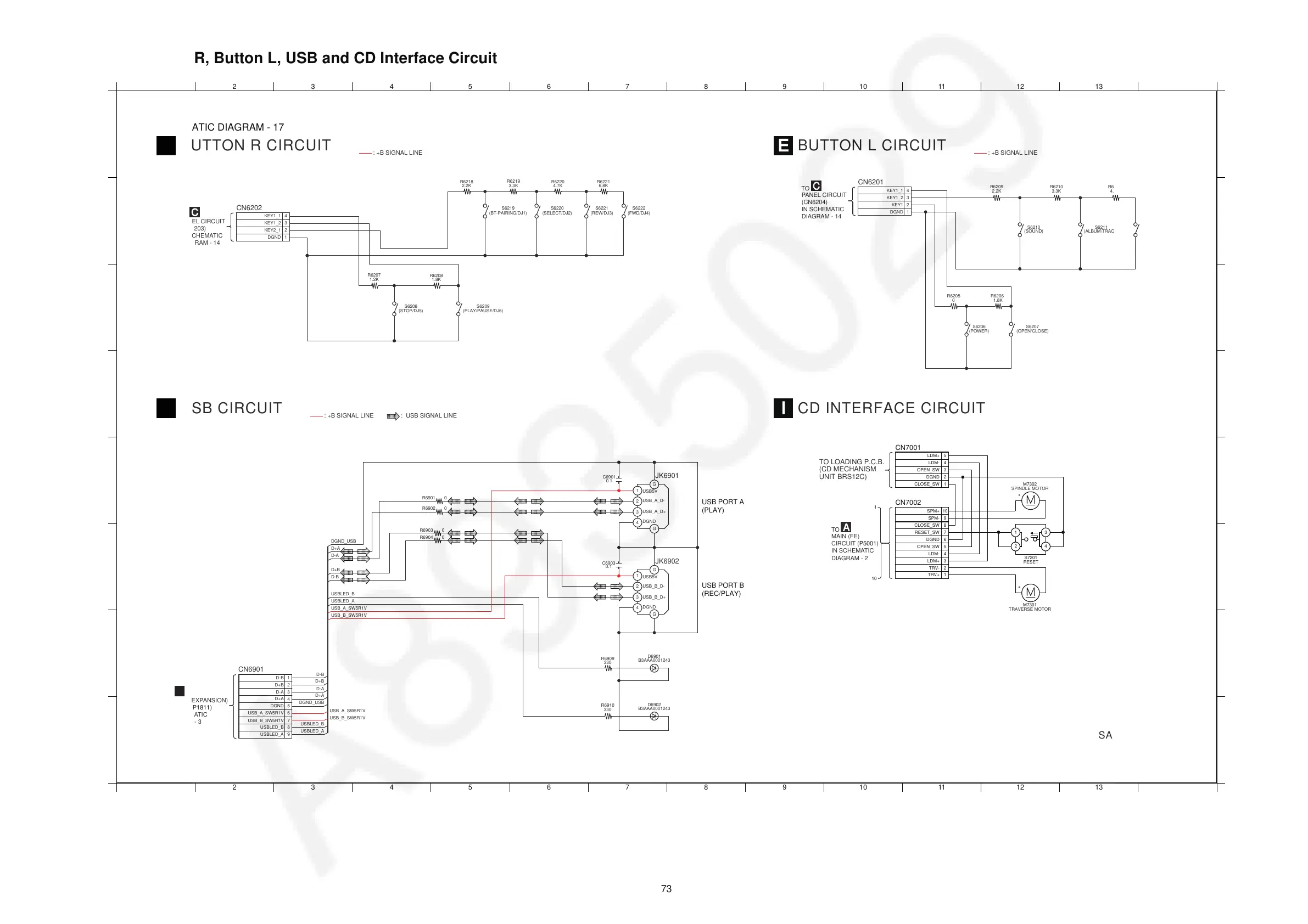
12.18. Button R, Button L, USB and CD Interface Circuit
A
1
2 3 4 5 6 7 8 9 10 11 12 13 14
1 2 3 4 5 6 7 8 9 10 11 12 13 14
C
D
B
E
G
H
F
A
C
D
B
E
G
H
F
D
BUTTON R CIRCUIT
SCHEMATIC DIAGRAM - 17
SA-MAX3500PU
C
TO
PANEL CIRCUIT
(CN6203)
IN SCHEMATIC
DIAGRAM - 14
: +B SIGNAL LINE
E
BUTTON L CIRCUIT
: +B SIGNAL LINE
TO
MAIN (FE)
CIRCUIT (P5001)
IN SCHEMATIC
DIAGRAM - 2
TO LOADING P.C.B.
(CD MECHANISM
UNIT BRS12C)
1
10
A
I
CD INTERFACE CIRCUIT
F
USB CIRCUIT
: +B SIGNAL LINE
: USB SIGNAL LINE
USB PORT A
(PLAY)
USB PORT B
(REC/PLAY)
C
TO
PANEL CIRCUIT
(CN6204)
IN SCHEMATIC
DIAGRAM - 14
A
TO
MAIN (IO EXPANSION)
CIRCUIT (P1811)
IN SCHEMATIC
DIAGRAM - 3
S6222
R6220
4.7K
3.3K
R6219
2.2K
R6218
S6220S6219
R6221
6.8K
S6221
2
1
4
3
CN6202
R6207
1.2K
S6208
R6208
1.8K
S6209
(FWD/DJ4)
(STOP/DJ5)
DGND
KEY1_2
KEY1_1
KEY2_1
(PLAY/PAUSE/DJ6)
(SELECT/DJ2) (REW/DJ3)(BT-PAIRING/DJ1)
2.2K
R6209 R6211
4.7K3.3K
R6210
S6211 S6212S6210
S6207
0
R6205
2
1
4
3
CN6201
R6206
1.8K
S6206
(OPEN/CLOSE)(POWER)
(SOUND) (ILLUMINATION)
DGND
KEY1
KEY1_1
KEY1_2
(ALBUM\TRACK)
2
3
1
5
4
CN7001
6
8
9
7
2
1
4
5
3
10
CN7002
4
31
2
S7201
RESET
DGND
OPEN_SW
SPM+
SPM-
LDM+
CLOSE_SW
TRV+
LDM-
LDM+
OPEN_SW
DGND
RESET_SW
TRV-
LDM-
CLOSE_SW
R6903
R6904
D+B
0.1
C6903
D-B
R6902
R6901
0
0
0
0
C6901
0.1
D+A
D-A
DGND_USB
2
G
1
4
G
3
JK6901
R6909
330
USBLED_A
USB_B_SW5R1V
D+A
D+B
D-B
D-A
USB_A_SW5R1V
DGND_USB
USBLED_B
3
2
6
7
4
5
1
9
8
CN6901
R6910
330
USB_A_SW5R1V
USBLED_B
USB_B_SW5R1V
USBLED_A
B3AAA0001243
D6902
B3AAA0001243
D6901
2
G
1
4
G
3
JK6902
USB5V
USB_A_D-
USB5V
DGND
DGND
USB_B_D-
USB_B_D+
USB_A_D+
D-B
D-A
D+A
USB_A_SW5R1V
USBLED_A
USBLED_B
USB_B_SW5R1V
DGND
D+B
+
+
M7302
SPINDLE MOTOR
M7301
TRAVERSE MOTOR

Table of Contents

Related product manuals