EasyManua.ls Logo

Panasonic SA-MAX3500PU - Page 49

Panasonic SA-MAX3500PU
104 pages
Print Icon
To Next Page IconTo Next Page
To Next Page IconTo Next Page
To Previous Page IconTo Previous Page
To Previous Page IconTo Previous Page
Loading...
49
: CD SIGNAL LINE
: TUNER/AUX SIGNAL LINE
From
POWER SUPPLY
FROM/TO
POWER SUPPLY
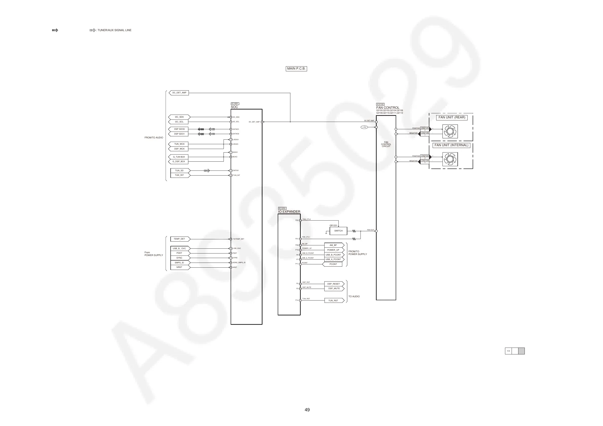
SOC
IC1001
MAIN P.C.B.
DC_DET_AMP
DSP_WCK
DC DET AMP
FAN CONTROL
IC2102
Q2100,Q2103,Q2104,Q2106
Q2108,Q2110,Q2111,Q2112
+15V
FAN UNIT (REAR)
POSITIVE
NEGATIVE
CN2105
CN2105
+
-
2
1
FAN UNIT (INTERNAL)
POSITIVE
NEGATIVE
CN2104
CN2104
+
-
2
1
FAN
CONTROL
CIRCUIT
DC_DET_AMP
USB_B_ OVC
FROM/TO AUDIO
PDET
PDET93
SYNC
TUN_INT
TUN_SD
LRCKO83
BCKO82
DATAO181
TUN_WCK
TUN_INT
109
DATAI1
112
LRCKI1
G_TUN BCK
G_DSP_BCK
DSP SDO0
BCKI1
111
SYNC
113
TEMP_DET
Y0/TEMP_DET
USB_OVC
108
SMPS_ID
ADIN2_SMPS_ID36
NRST
NRST95
25
I2C_SCL
I2C_SDA
I2C_SDA76
I2C_SCL75
TO AUDIO
P21
P20
P18
P7
P6
P14
P2
P3
P22
11
AM_BP
AM_BP
TUN_RST
TUN_RST
DSP_RST
23
DSP_RESET
28
USB_A_PCONT
USB_B_PCONT
USB_A_PCONT
P17
7
PCONT
PCONT
27
USB_B_PCONT
POWER_UP
9
POWER_UP
IO EXPANDER
IC1202
FAN OUT
QR1201
SWITCH
12
FAN_CTL1
13
DATAO284
DSP SDO1
FAN_CTL2
SA-MAX3500PU
3/32/31/3
78
DSP_MUTE
24
DSP_MUTE
4
110

Table of Contents

Related product manuals