EasyManua.ls Logo

Peterbilt 220 - Reyco 79 KB Single Rear Axle Hendrickson HAS Single Rear Axle; Table 3-13 Model 220 Reyco & Hendrickson Single Rear Axle: Ride Height Measurement; Figure 3-11 Model 220 Reyco & Hendrickson Single Rear Axle Measurements; Tire Data

Peterbilt 220
85 pages
Print Icon
To Next Page IconTo Next Page
To Next Page IconTo Next Page
To Previous Page IconTo Previous Page
To Previous Page IconTo Previous Page
Loading...
3-20
Section 3
Dimensions
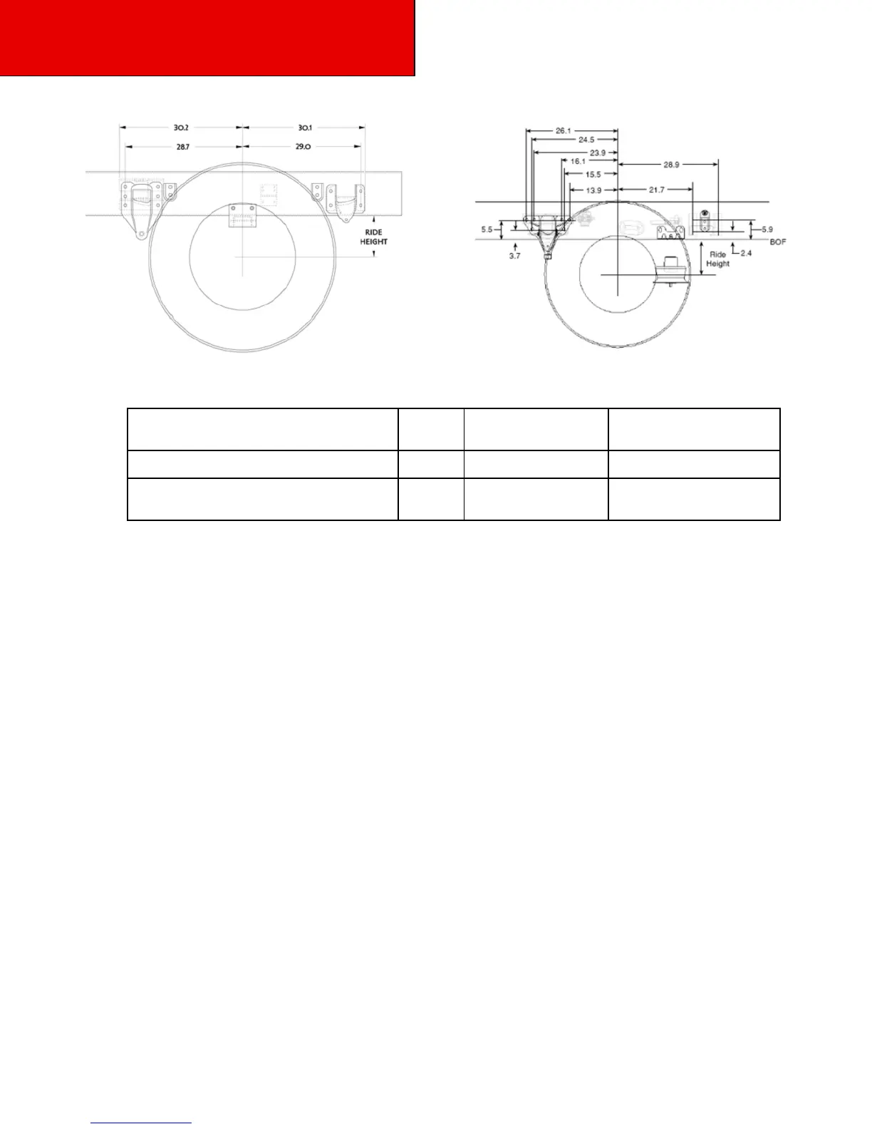
Reyco 79KB Single Rear Axle Hendrickson HAS Single Rear Axle
Figure 3-11 Model 220 Reyco & Hendrickson Single Rear Axle Measurements
Suspension
Rating
Laden Ride Height
Unladen Ride Height
Reyco 79KB Single
21K
7.5"
9.0"
Hendrickson HAS 210L/230L
23K
8.3"
8.5"
Table 3-13 Model 220 Reyco & Hendrickson Single Rear Axle: Ride Height Measurements
TIRE DATA
For dimensions of your particular tire, visit the manufacturer website.
FRAME AND CAB RELATED HEIGHTS
The bottom of the frame rail (BOF) at the front and rear axle can be used as a reference point to estimate vertical heights.
Use the following to calculate estimates for frame and cab related heights, such as top of frame rail, step height, top of
exhaust pipe, etc.:
1.) Tire radius data from the manufacturer
2.) Front and rear suspension ride heights in this section 3.)
Frame rail heights defined in this section if needed
4.) Component dimensions from bottom of rail defined in this section if needed
Note that there are many factors that will affect heights including, but not limited to, front and rear axle loading and tire
pressure. Placement of frame components such as fuel tanks will affect loads on the front axle and rear axle, as well as
distribution to the left and right sides of the vehicle. Heights calculated from this information are estimates only.
GROUND CLEARANCES
To calculate estimates for ground clearance for mounted components using the underside of the bottom of the frame rail
as a reference use the following:
1.) Tire radius data from the manufacturer
2.) Front and rear suspension ride heights in this section
3.) Component dimensions from bottom of rail defined in this section
Ground clearances, like height calculations, are affected by factors including, but not limited to, front and rear axle loading
and tire pressure. Placement of frame components, such as fuel tanks, will affect loads on the front axle and rear axle, as
well as distribution to the left and right side of the vehicle. Ground clearances calculated from this information are
estimates only.

Table of Contents

Other manuals for Peterbilt 220

Related product manuals