EasyManua.ls Logo

Peterbilt 220 - Figure 4-1.2 the DEF Lines Route to the Engine Coolant

Peterbilt 220
85 pages
Print Icon
To Next Page IconTo Next Page
To Next Page IconTo Next Page
To Previous Page IconTo Previous Page
To Previous Page IconTo Previous Page
Loading...
4-2
Section 4
Exhaust & Aftertreatment
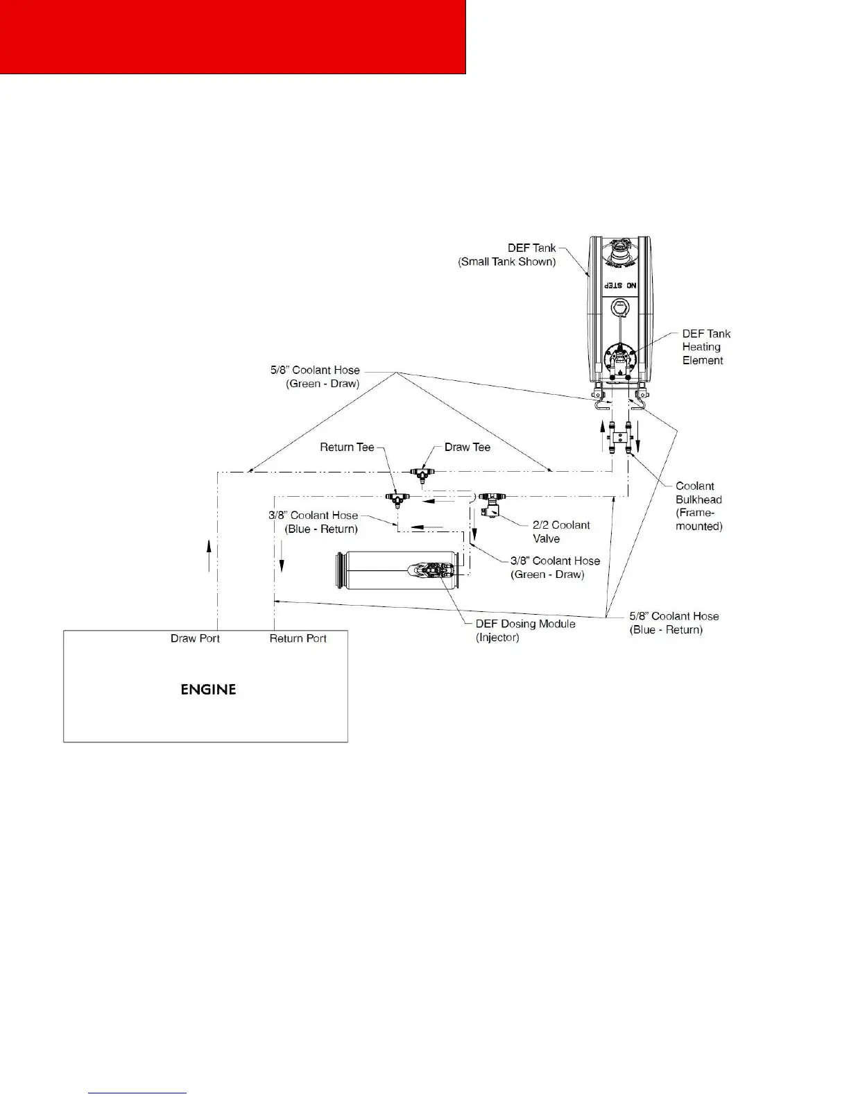
DEF will freeze at approximately 11° F (-12° C). In order to keep DEF from freezing, all tanks will be heated with engine
coolant. The following schematic shows the routing of these lines. The coolant lines that run to and from the SCR system
must not be tampered with, or used for a source of heat and/or cooling for other components on the chassis. It is critical
that the system is not compromised in any manner.
Figure 4-1.2 The DEF lines route to the Engine Coolant

Table of Contents

Other manuals for Peterbilt 220

Related product manuals