EasyManua.ls Logo

Peterbilt 220 - Figure 4-1.1 the DEF Lines Route to the After-Treatment System; Exhaust and Aftertreatment Information

Peterbilt 220
85 pages
Print Icon
To Next Page IconTo Next Page
To Next Page IconTo Next Page
To Previous Page IconTo Previous Page
To Previous Page IconTo Previous Page
Loading...
4-1
Section 4
Exhaust & Aftertreatment
EXHAUST AND AFTERTREATMENT INFORMATION
The following section is designed to give you information regarding the exhaust and after-treatment systems on Peterbilt
chassis. All Peterbilt’s equipped with 2013 emission level engines will utilize Selective Catalyst Reduction (SCR). SCR is
a process in which Diesel Exhaust Fluid (DEF) is injected into the exhaust downstream of the engine. DEF is converted to
ammonia by the heat of the exhaust system. Inside of the SCR canister, a catalyst causes a chemical reaction between the
ammonia and NOx, turning it into water and nitrogen. For more information on the specific details of how SCR works,
please contact your local Peterbilt dealer.
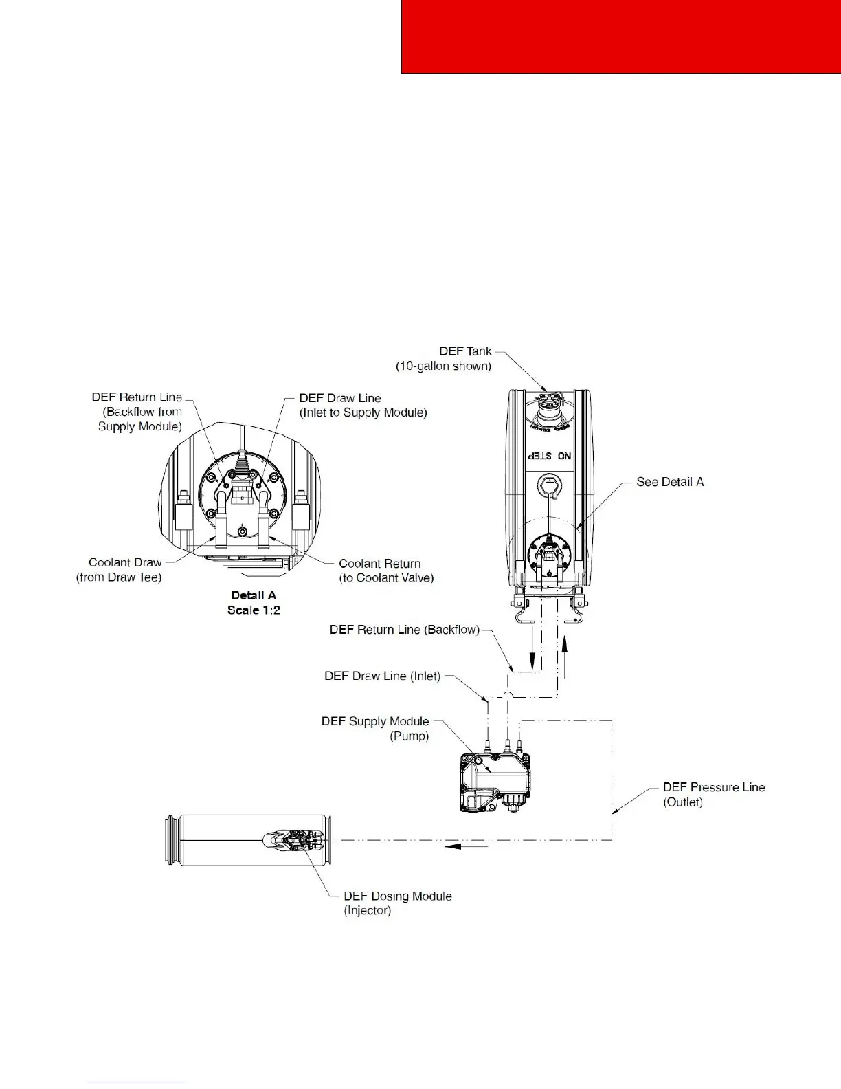
On most Peterbilt chassis, the DEF Supply Module (or pump) is integrated into the DEF tank. Peterbilt does not allow
relocation of this pump. The following schematic details how the DEF lines route to the after-treatment system.
Figure 4-1.1 The DEF lines route to the after-treatment system

Table of Contents

Other manuals for Peterbilt 220

Related product manuals