EasyManua.ls Logo

Pickering Laboratories Pinnacle PCX - Flow Diagrams

Default Icon
179 pages
Print Icon
To Next Page IconTo Next Page
To Next Page IconTo Next Page
To Previous Page IconTo Previous Page
To Previous Page IconTo Previous Page
Loading...
8.16
Appendices
Pinnacle Operators Manual
Pickering Laboratories Inc.
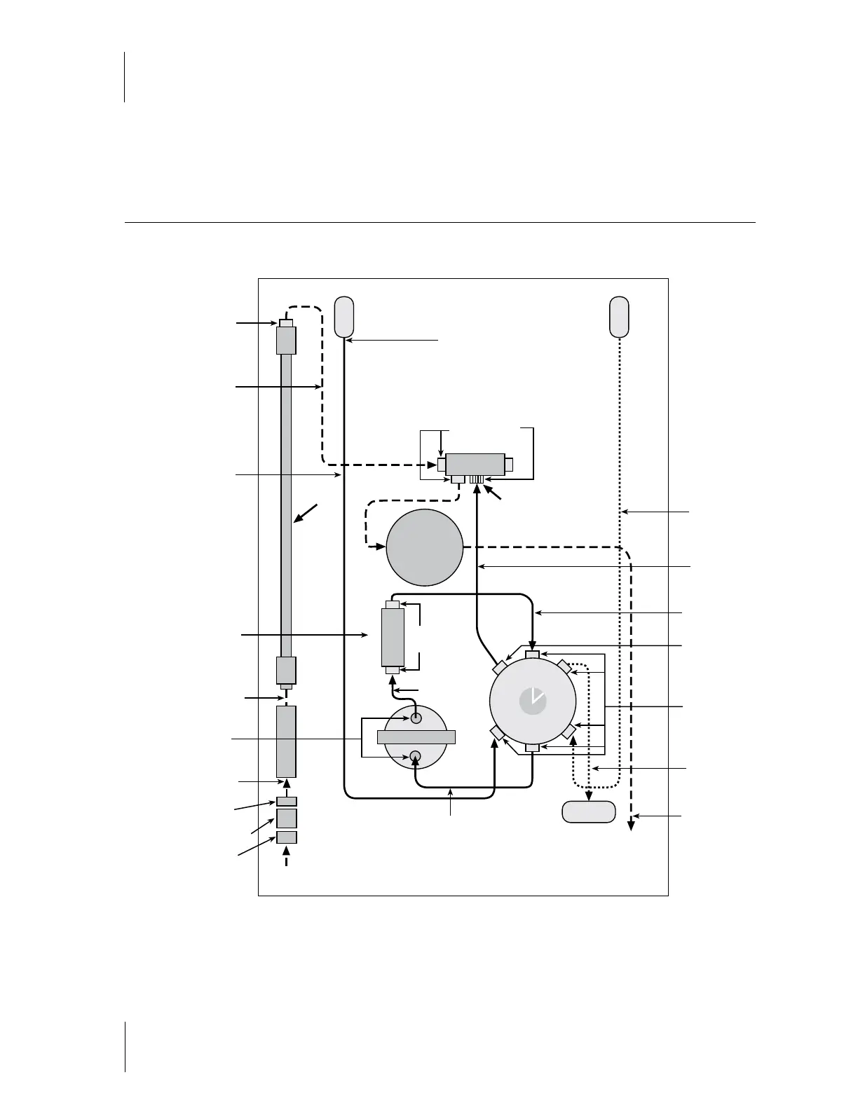
PUMP
FLUSH
R1
FILTER
COLUMN
HEATED
REACTOR
TRANSDUCER
WASTE
FROM
HPLC
TO DETECTOR
VA LVE 1
1
6
5
2
3
4
Nut: 1452-0113
Ferrule: 1452-0115
Nut: 1452-0114
Ferrule: 1452-0112
1452-0190
1452-0093
1452-0185
Nut: 1452-0118
Ferrule: 1452-0117
Union: 3102-3063
Back Pressure
Regulator: 3102-9025
2102-0463
1452-0187
1452-0040
3102-9040
Nut: 1452-0180
Ferrule: 1452-0181
Nut: 1452-0118
Ferrule: 1452-0117
Nut: 1452-0118
Ferrule: 1452-0117
1452-0182
2103-0463
1552-0017
Coupler: 3102-3064
Nut: 1452-0116
Ferrule: 1452-0115
1452-0184
Nut: 1452-0113
Ferrule: 1452-0115
2102-0463
Check V
alve: 3106-1007
Nut: 1452-0118
Ferrule: 1452-0117
Nut: 3101-0011
Ferrule: 1452-0112
Nut: 1452-0226
Ferrule: 1452-0112
bold = kit
Flow Diagram – Simplex

Table of Contents