EasyManua.ls Logo

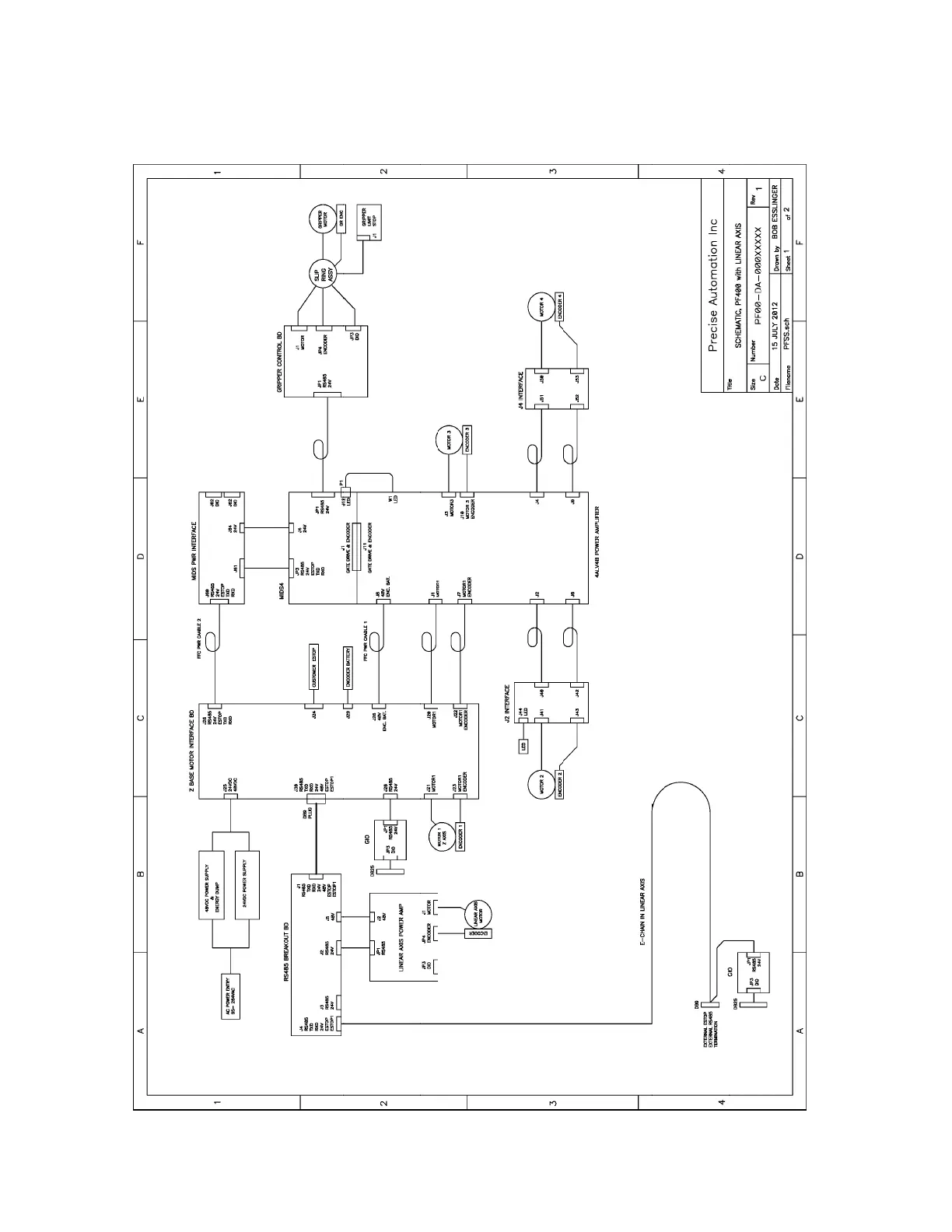
PreCise PF3400 - Schematic: System Overview

Default Icon
171 pages
Print Icon
To Next Page IconTo Next Page
To Next Page IconTo Next Page
To Previous Page IconTo Previous Page
To Previous Page IconTo Previous Page
Loading...
PreciseFlex_Robot
46
Schematic: System Overview

Table of Contents

Related product manuals