EasyManua.ls Logo

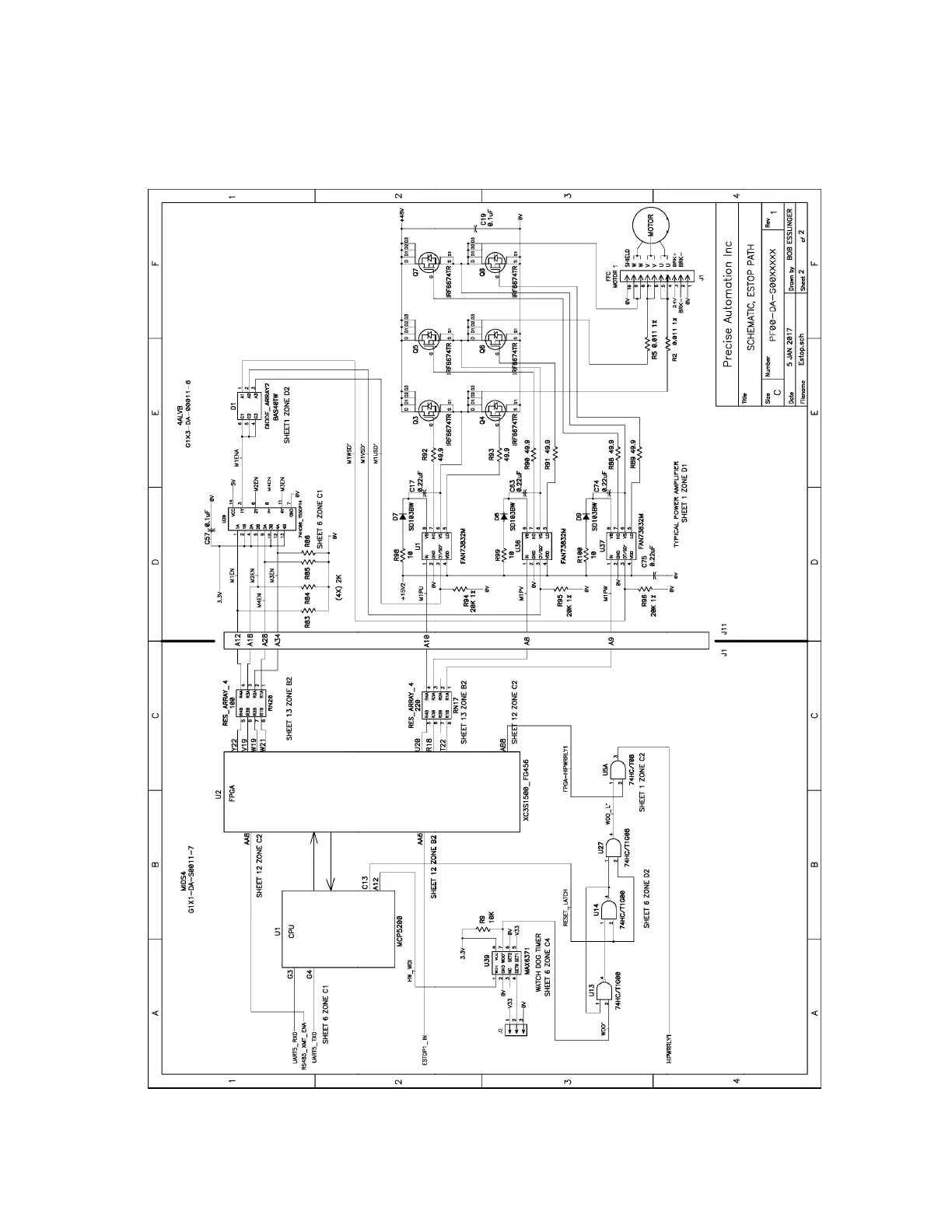
PreCise PF3400 - Schematic: Safety System Overview PF400 CAT3

Default Icon
171 pages
Print Icon
To Next Page IconTo Next Page
To Next Page IconTo Next Page
To Previous Page IconTo Previous Page
To Previous Page IconTo Previous Page
Loading...
PreciseFlex_Robot
52
Schematic: Safety System Overview PF400 CAT3

Table of Contents

Related product manuals