EasyManua.ls Logo

Quantum 800 - Page 35

Quantum 800
91 pages
Print Icon
To Next Page IconTo Next Page
To Next Page IconTo Next Page
To Previous Page IconTo Previous Page
To Previous Page IconTo Previous Page
Loading...
© İnnosis Makine 35
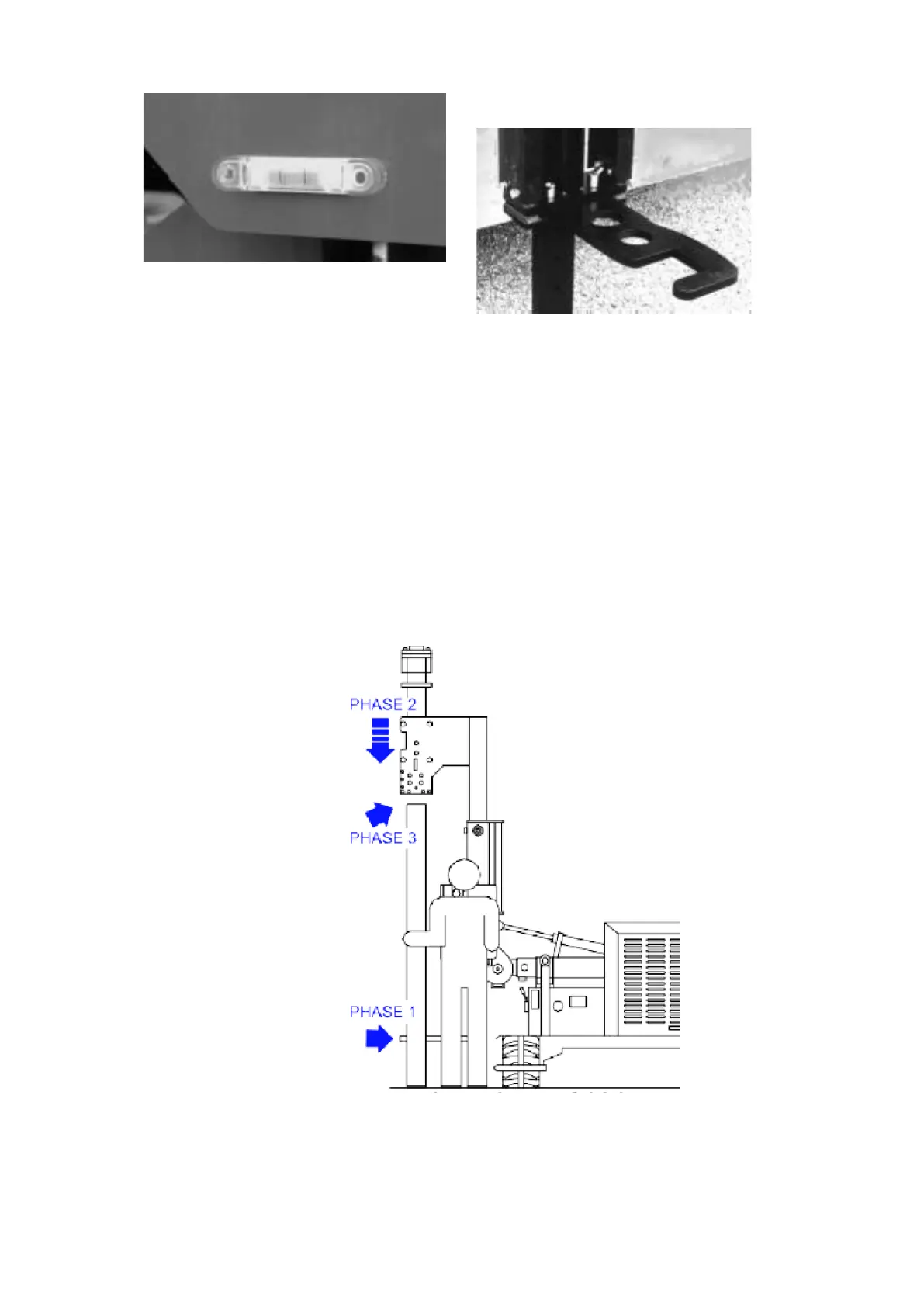
Fig.16 Pile Guide Bearing
Once the machine is set on the locaon, the pile driver should be prepared for the driving with
the help of the pile guide bearing, showed in gure 16. The operator unthreads the two pins,
placed in the side part of the column as showed in the gure 17. He will insert the guide bearing
and secure it by reinserng the two pins previously taken o, in the respecve holes. Once this
is completed the pile driver is ready for the driving of guardrail posts.
Fig.17 Phases of driving
Fasten Pins
Pile Guide bearing
Fig.15 Level

Table of Contents