EasyManua.ls Logo

Robinson R66 - Page 754

Robinson R66
950 pages
Print Icon
To Next Page IconTo Next Page
To Next Page IconTo Next Page
To Previous Page IconTo Previous Page
To Previous Page IconTo Previous Page
Loading...
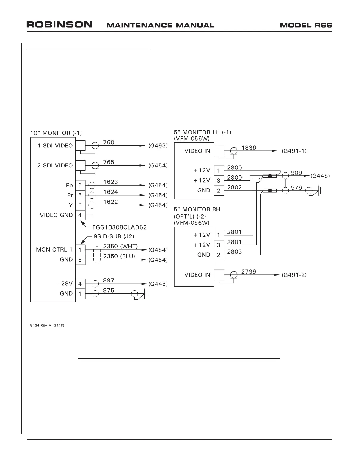
92-290 Wiring Diagrams (continued)
FIGURE 92-6 G448 AFT MONITORS INSTALLATION WIRING DIAGRAM
Page 92.54 Chapter 92 ENG Version JUL 2020

Table of Contents